Karta produktu

A3713(VALEO)AS-PL

alternator


A3713(VALEO)_ASP

ALTERNATOR

Ocena produktu

Kup teraz

Dostępność

Mag. główny
Towar zamówiony
do 14:00
będzie do odbioru po 15:00
0
Magazyn MP
Towar zamówiony do 17:00 będzie dostępny jutro.
0

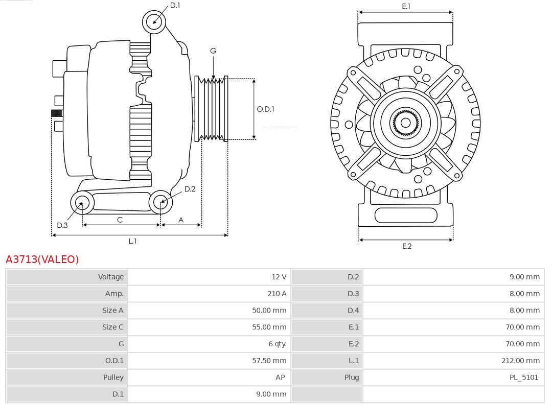
Parametry

Napięcie [V] 12
Prąd ładowania alternatora [A] 210
Koła pasowe z kołem pasowym
dla numeru OE 443027
Jakość PREMIUM LINE
Nowa część bez kaucji

Kody EAN

Kody użytkowe

Samochody osobowe

AUDI: A4 Allroad B9 (8WH, 8WJ) (2016-01 » ), A4 B9 (8W2, 8WC) (2015-05 » ), A4 B9 Avant (8W5, 8WD) (2015-08 » ), A5 (F53, F5P) (2016-06 » ), A5 kabriolet (F57, F5E) (2016-11 » ), A5 Sportback (F5A, F5F) (2016-06 » ), A6 C8 (4A2) (2018-02 » ), A6 C8 Avant (4A5) (2018-05 » ), A7 Sportback (4KA) (2017-10 » ), Q5 (FYB, FYG) (2016-05 » ), Q5 Sportback (FYT) (2020-11 » )