mSklep
Rozwiń nawigację
Hurt Detal Robert Dyl
Znajdź
znajdź numer
samochody osobowe i dostawcze
motocykle
samochody ciężarowe i autobusy
silniki
ostatnio wybrany pojazd
historia wyboru pojazdu
wyszukaj w opisach
kategorie oferty
więcej
Koszyk
Zaloguj
Informacje
O nas
Regulamin
Kontakt
Ustawienia
Znajdź numer
Samochody osobowe i dostawcze
Motocykle
Samochody ciężarowe i autobusy
Silniki
Ostatnio wybrany pojazd
Historia wyboru pojazdów
Wyszukaj w opisach
Kategorie oferty
Więcej
Zadaj pytanie
Pokaż odpowiedniki
Karta produktu
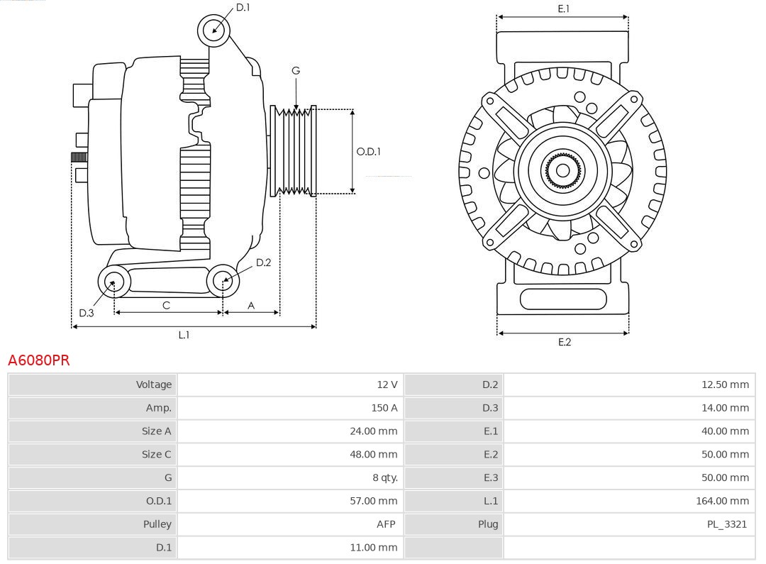
A6080PR
AS-PL
alternator
A6080PR_ASP
ALTERNATOR
Ocena produktu
Kup teraz
Cena
cena netto:
cena z VAT:
Dostępność
Mag. główny
Towar zamówiony
do 14:00
będzie do odbioru po 15:00
0
Magazyn MP
Towar zamówiony do 17:00 będzie dostępny jutro.
0
Parametry
Koła pasowe
z kołem pasowym wolnobieżnym
Napięcie [V]
12
Prąd ładowania alternatora [A]
150
Jakość
PREMIUM LINE
Część wymienna bez kaucji
Kody EAN
5902129159261
Numery OEM
LAND ROVER:
LR008861
,
LR078806
,
YLE500200E
ROVER:
YLE500200
,
YLE500400
Odpowiedniki
AS-PL:
20132452BN
,
20132452OE
,
2040254.0
,
2040254.1
,
301958RI
,
301958RID
,
301958RIM
,
447174
,
5540009
,
7640131
,
9454
,
A12DE1212A2
,
A6080
,
A6080(DENSO)
,
A6736PR
,
AI-90061
,
ALN1958
,
ALT30276
,
ALT393CP
,
ALT6130
,
ALTJ004
,
ALTJ004NE
,
ALTJ004U
,
AM-3611
,
AM-3611E
,
DENDAN987
,
PRAJ004
,
RNL104210-3710
,
RNL104210-3711
,
STX100440
AUTOELECTRO:
AEK3028
BOM-PRESTOLITE:
A1057D
BOSCH:
0986082400
BV PSH:
455.523.150.050
,
455.523.150.260
,
455.523.150.267
,
A132.563
,
A146.837
CASCO:
CAL40254AS
,
CAL40254GS
DELCO REMY:
DA1452
,
DA1452N
,
DRA0342
,
RAA11453
DENSO:
021080-0130
,
104210-3710
,
104210-3711
,
DAN987
EAI:
57248
ELSTOCK:
28-5640
ERA:
210902
,
210902A
FRIESEN:
9090602
HC-CARGO:
114704
,
F032114704
HC-PARTS:
CA1958IR
HELLA:
8EL012426-021
,
8EL738212-901
LAUBER:
11.1958
LUCAS:
LRA03028
,
LRA3028
MAGNETI MARELLI:
063377525010
,
63377525
,
MAN7525
POWERMAX:
89213122
VALEO:
440765
WAI:
24028CT
,
24028CT-WB
,
24028N
,
24028R
,
SB295
Samochody osobowe
LAND ROVER:
DISCOVERY III (L319) (2004-07 » 2009-09)
,
DISCOVERY III VAN (L319) (2007-01 » 2009-07)
,
DISCOVERY IV (L319) (2009-09 » 2018-12)
,
RANGE ROVER SPORT I (L320) (2005-02 » 2013-03)