mSklep
Rozwiń nawigację
Hurt Detal Robert Dyl
Znajdź
znajdź numer
samochody osobowe i dostawcze
motocykle
samochody ciężarowe i autobusy
silniki
ostatnio wybrany pojazd
historia wyboru pojazdu
wyszukaj w opisach
kategorie oferty
więcej
Koszyk
Zaloguj
Informacje
O nas
Regulamin
Kontakt
Ustawienia
Znajdź numer
Samochody osobowe i dostawcze
Motocykle
Samochody ciężarowe i autobusy
Silniki
Ostatnio wybrany pojazd
Historia wyboru pojazdów
Wyszukaj w opisach
Kategorie oferty
Więcej
Zadaj pytanie
Pokaż odpowiedniki
Karta produktu
AFP3093S
AS-PL
sprzęgło jednokierunkowe
AFP3093S_ASP
KOŁO PASOWE ZE SPRZĘGŁEM JEDNOKIERUNKOWYM
Ocena produktu
Kup teraz
Cena
cena netto:
cena z VAT:
Dostępność
Mag. główny
Towar zamówiony
do 14:00
będzie do odbioru po 15:00
0
Magazyn MP
Towar zamówiony do 17:00 będzie dostępny jutro.
0
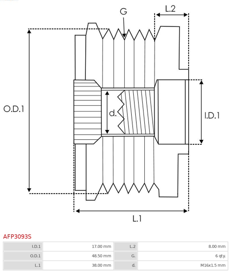
Parametry
Wymiar gwintu
M16x1,5
Liczba rowków
6
Jakość
STANDARD LINE
Nowa część bez kaucji
Kody EAN
5902129196976
Numery OEM
FORD:
CN1Q10A352AA
Odpowiedniki
AS-PL:
28916
,
5664
,
9601242
,
AFP3093S
,
APV1051
,
TG12C108
,
TG12C123
,
TG12C126
,
UD101394AFP
,
ZN5664
INA:
F-573341
,
F-573341.01
VALEO:
501524
Stosowane w produktach
AS-PL
A3679S