mSklep
Rozwiń nawigację
Hurt Detal Robert Dyl
Znajdź
znajdź numer
samochody osobowe i dostawcze
motocykle
samochody ciężarowe i autobusy
silniki
ostatnio wybrany pojazd
historia wyboru pojazdu
wyszukaj w opisach
kategorie oferty
więcej
Koszyk
Zaloguj
Informacje
O nas
Regulamin
Kontakt
Ustawienia
Znajdź numer
Samochody osobowe i dostawcze
Motocykle
Samochody ciężarowe i autobusy
Silniki
Ostatnio wybrany pojazd
Historia wyboru pojazdów
Wyszukaj w opisach
Kategorie oferty
Więcej
Zadaj pytanie
Pokaż odpowiedniki
Karta produktu
AP0065(BOSCH)
AS-PL
koło pasowe, alternator
AP0065(BOSCH)_ASP
KOŁO PASOWE ALTERNATORA
Ocena produktu
Kup teraz
Cena
cena netto:
cena z VAT:
Dostępność
Mag. główny
Towar zamówiony
do 14:00
będzie do odbioru po 15:00
0
Magazyn MP
Towar zamówiony do 17:00 będzie dostępny jutro.
0
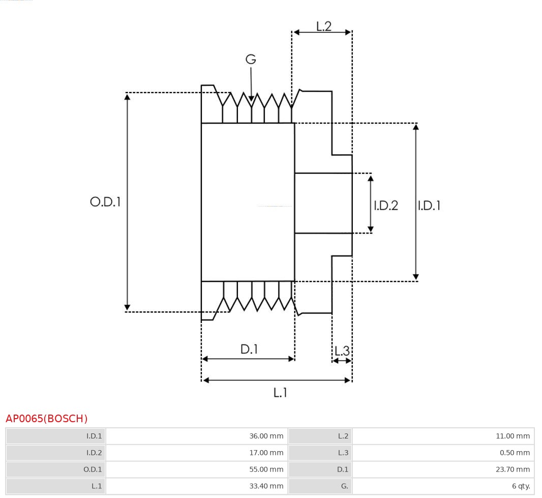
Parametry
Średnica zewnętrzna 1 [mm]
50,00
Średnica wewnętrzna 1 [mm]
17,00
Liczba rowków
6
Średnica wewnętrzna 2 [mm]
36,00
Jakość
PREMIUM LINE
Nowa część bez kaucji
Kody EAN
5902129077992
Numery OEM
MERCEDES-BENZ:
2721550515
,
A2721550515
Odpowiedniki
AS-PL:
0121715006
,
0121715014
,
0121813001
,
0121813006
,
0121813014
,
0121813023
,
0121813106
,
0121813114
,
A0286
,
A0290
,
A0512S
,
A0570S
,
AP0065S
,
APB1102
,
APB9102
,
PUL1343
,
UD801243(BOSCH)AP
BOSCH:
F00M391102
BV PSH:
051.000.452.210
HC-CARGO:
335900
,
F032335900
Stosowane w produktach
AS-PL
A0214(SEG)
,
A0526
,
A0214
,
A0286
,
A0290