mSklep
Rozwiń nawigację
Hurt Detal Robert Dyl
Znajdź
znajdź numer
samochody osobowe i dostawcze
motocykle
samochody ciężarowe i autobusy
silniki
ostatnio wybrany pojazd
historia wyboru pojazdu
wyszukaj w opisach
kategorie oferty
więcej
Koszyk
Zaloguj
Informacje
O nas
Regulamin
Kontakt
Ustawienia
Znajdź numer
Samochody osobowe i dostawcze
Motocykle
Samochody ciężarowe i autobusy
Silniki
Ostatnio wybrany pojazd
Historia wyboru pojazdów
Wyszukaj w opisach
Kategorie oferty
Więcej
Zadaj pytanie
Pokaż odpowiedniki
Karta produktu
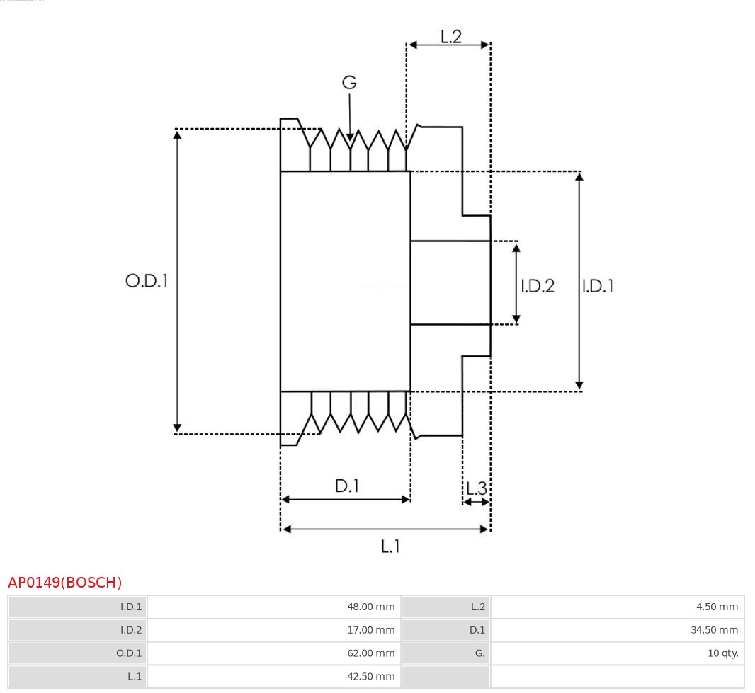
AP0149(BOSCH)
AS-PL
koło pasowe, alternator
AP0149(BOSCH)_ASP
KOŁO PASOWE, ALTERNATOR
Ocena produktu
Kup teraz
Cena
cena netto:
cena z VAT:
detal:
rabat:
-11%
Dostępność
Mag. główny
Towar zamówiony
do 14:00
będzie do odbioru po 15:00
0
Parametry
Średnica zewnętrzna 1 [mm]
62,00
Średnica wewnętrzna 1 [mm]
17,00
Liczba rowków
10
Średnica wewnętrzna 2 [mm]
48,00
dla numeru OE
DISCONTINUED
Jakość
PREMIUM LINE
Nowa część bez kaucji
Kody EAN
5902129209348
Numery OEM
IVECO:
42533840
Odpowiedniki
AS-PL:
0123520500
,
0123525500
,
APB5793
,
BOSF00M061002
,
EC40036
,
UD03782(BOSCH)AP
BOSCH:
1126601594
,
F00M061002
,
F032335868
BV PSH:
051.000.322.210
HC-CARGO:
235793
,
335868