mSklep
Rozwiń nawigację
Hurt Detal Robert Dyl
Znajdź
znajdź numer
samochody osobowe i dostawcze
motocykle
samochody ciężarowe i autobusy
silniki
ostatnio wybrany pojazd
historia wyboru pojazdu
wyszukaj w opisach
kategorie oferty
więcej
Koszyk
Zaloguj
Informacje
O nas
Regulamin
Kontakt
Ustawienia
Znajdź numer
Samochody osobowe i dostawcze
Motocykle
Samochody ciężarowe i autobusy
Silniki
Ostatnio wybrany pojazd
Historia wyboru pojazdów
Wyszukaj w opisach
Kategorie oferty
Więcej
Zadaj pytanie
Pokaż odpowiedniki
Karta produktu
AP2018S
AS-PL
koło pasowe, alternator
AP2018S_ASP
KOŁO PASOWE ALTERNATORA
Ocena produktu
Kup teraz
Cena
cena netto:
cena z VAT:
Dostępność
Mag. główny
Towar zamówiony
do 14:00
będzie do odbioru po 15:00
0
Magazyn MP
Towar zamówiony do 17:00 będzie dostępny jutro.
0
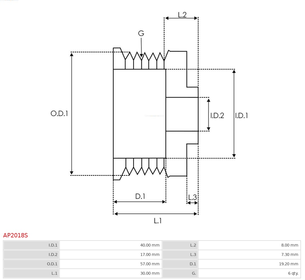
Parametry
Średnica wewnętrzna 2 [mm]
40,00
Średnica zewnętrzna 1 [mm]
57,00
Średnica wewnętrzna 1 [mm]
17,00
Liczba rowków
6
Jakość
STANDARD LINE
Nowa część bez kaucji
Kody EAN
5902129177258
Numery OEM
HITACHI:
L1110G-1810
NISSAN:
23150-40U00
,
23150-CN10A
Odpowiedniki
AS-PL:
A2041
,
APH8720
,
EC42795
,
LR1100703
,
LR1100703B
,
LR1100704B
,
LR1100711
,
LR1100711B
,
LR1100725
,
LR1100725B
,
LR1100725C
,
LR1110705
,
LR1110709
,
LR1110709B
,
LR1110710C
,
LR1110710F
,
LR1110720
,
LR1110723
,
LR1125702
,
LR1150702B
,
LR1150706
,
LR180736B
,
LR190729
,
LR190729B
,
LR190729C
,
LR190737
,
LR190737B
,
LR190737C
,
LR190737E
,
LR190737F
,
UD51412AP
HC-CARGO:
138720
,
F032138720
LAUBER:
CQ1040119
POWERMAX:
81111584
WAI:
24-81104
Stosowane w produktach
AS-PL
A2051
,
A2041