mSklep
Rozwiń nawigację
Hurt Detal Robert Dyl
Znajdź
znajdź numer
samochody osobowe i dostawcze
motocykle
samochody ciężarowe i autobusy
silniki
ostatnio wybrany pojazd
historia wyboru pojazdu
wyszukaj w opisach
kategorie oferty
więcej
Koszyk
Zaloguj
Informacje
O nas
Regulamin
Kontakt
Ustawienia
Znajdź numer
Samochody osobowe i dostawcze
Motocykle
Samochody ciężarowe i autobusy
Silniki
Ostatnio wybrany pojazd
Historia wyboru pojazdów
Wyszukaj w opisach
Kategorie oferty
Więcej
Zadaj pytanie
Pokaż odpowiedniki
Karta produktu
AP3032SR
AS-PL
koło pasowe, alternator
AP3032SR_ASP
KOŁO PASOWE, ALTERNATOR
Ocena produktu
Kup teraz
Cena
cena netto:
cena z VAT:
detal:
rabat:
-11%
Dostępność
Mag. główny
Towar zamówiony
do 14:00
będzie do odbioru po 15:00
0
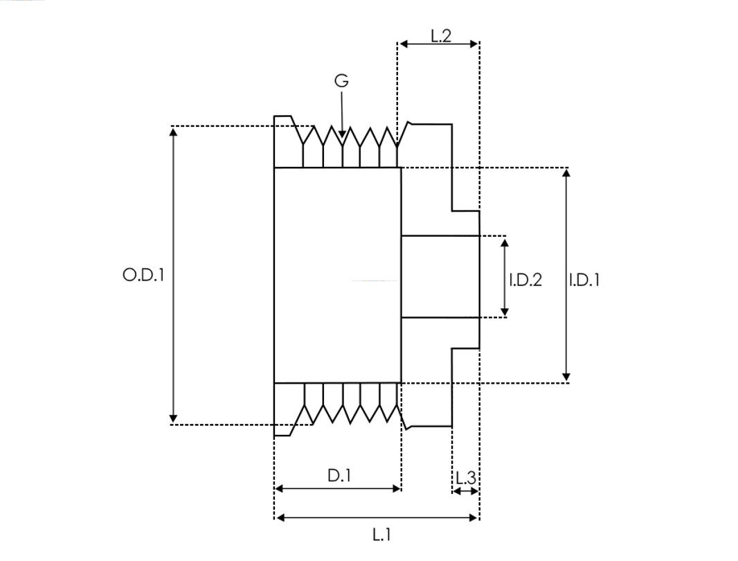
Parametry
Jakość
STANDARD LINE
Część wymienna bez kaucji
Kody EAN
5902129242819
Odpowiedniki
AS-PL:
7G9T10300BE
,
A11VI106
,
A11VI91
,
A13VI204
,
A3017
,
A3023
,
A3032
,
A3137
,
A3256
,
A9193
Stosowane w produktach
AS-PL
A3137
,
A3032