mSklep
Rozwiń nawigację
Hurt Detal Robert Dyl
Znajdź
znajdź numer
samochody osobowe i dostawcze
motocykle
samochody ciężarowe i autobusy
silniki
ostatnio wybrany pojazd
historia wyboru pojazdu
wyszukaj w opisach
kategorie oferty
więcej
Koszyk
Zaloguj
Informacje
O nas
Regulamin
Kontakt
Ustawienia
Znajdź numer
Samochody osobowe i dostawcze
Motocykle
Samochody ciężarowe i autobusy
Silniki
Ostatnio wybrany pojazd
Historia wyboru pojazdów
Wyszukaj w opisach
Kategorie oferty
Więcej
Zadaj pytanie
Pokaż odpowiedniki
Karta produktu
AP3044S
AS-PL
koło pasowe, alternator
AP3044S_ASP
KOŁO PASOWE ALTERNATORA
Ocena produktu
Kup teraz
Cena
cena netto:
cena z VAT:
Dostępność
Mag. główny
Towar zamówiony
do 14:00
będzie do odbioru po 15:00
0
Magazyn MP
Towar zamówiony do 17:00 będzie dostępny jutro.
0
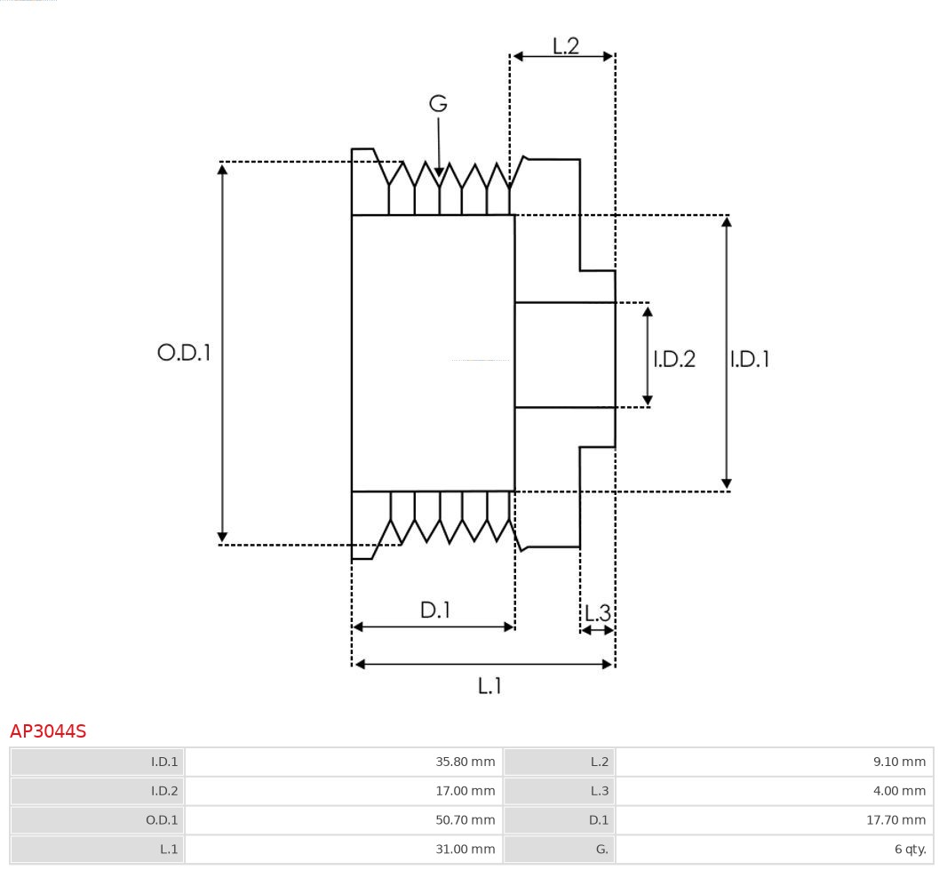
Parametry
Średnica wewnętrzna 2 [mm]
35,80
Średnica zewnętrzna 1 [mm]
50,70
Średnica wewnętrzna 1 [mm]
17,00
Liczba rowków
6
Jakość
STANDARD LINE
Nowa część bez kaucji
Kody EAN
5902129175308
Numery OEM
BMW:
12317525439
,
12317540159
Odpowiedniki
AS-PL:
A3228
,
APV4189
,
TG17C027
,
UD50150AP
VALEO:
593917
Stosowane w produktach
AS-PL
A3228