mSklep
Rozwiń nawigację
Hurt Detal Robert Dyl
Znajdź
znajdź numer
samochody osobowe i dostawcze
motocykle
samochody ciężarowe i autobusy
silniki
ostatnio wybrany pojazd
historia wyboru pojazdu
wyszukaj w opisach
kategorie oferty
więcej
Koszyk
Zaloguj
Informacje
O nas
Regulamin
Kontakt
Ustawienia
Znajdź numer
Samochody osobowe i dostawcze
Motocykle
Samochody ciężarowe i autobusy
Silniki
Ostatnio wybrany pojazd
Historia wyboru pojazdów
Wyszukaj w opisach
Kategorie oferty
Więcej
Zadaj pytanie
Pokaż odpowiedniki
Karta produktu
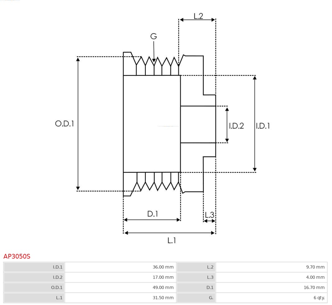
AP3050S
AS-PL
koło pasowe, alternator
AP3050S_ASP
KOŁO PASOWE ALTERNATORA
Ocena produktu
Kup teraz
Cena
cena netto:
cena z VAT:
Dostępność
Mag. główny
Towar zamówiony
do 14:00
będzie do odbioru po 15:00
0
Magazyn MP
Towar zamówiony do 17:00 będzie dostępny jutro.
0
Parametry
Średnica wewnętrzna 2 [mm]
36,00
Średnica zewnętrzna 1 [mm]
49,00
Średnica wewnętrzna 1 [mm]
17,00
Liczba rowków
6
Jakość
STANDARD LINE
Nowa część bez kaucji
Kody EAN
5902129180364
Odpowiedniki
AS-PL:
2542428
,
2542488
,
2542794
,
2542803
,
2542923
,
2542923A
,
2543521
,
437409
,
437461
,
439449
,
439495
,
439693
,
440289
,
A13VI283
,
A3056
,
APV4540
,
EC44288
,
TG9B025
,
UD52061AP
HC-CARGO:
234540
,
F032234540
LAUBER:
CQ1040091
VALEO:
593619
Stosowane w produktach
AS-PL
A3609S
,
A3056