mSklep
Rozwiń nawigację
Hurt Detal Robert Dyl
Znajdź
znajdź numer
samochody osobowe i dostawcze
motocykle
samochody ciężarowe i autobusy
silniki
ostatnio wybrany pojazd
historia wyboru pojazdu
wyszukaj w opisach
kategorie oferty
więcej
Koszyk
Zaloguj
Informacje
O nas
Regulamin
Kontakt
Ustawienia
Znajdź numer
Samochody osobowe i dostawcze
Motocykle
Samochody ciężarowe i autobusy
Silniki
Ostatnio wybrany pojazd
Historia wyboru pojazdów
Wyszukaj w opisach
Kategorie oferty
Więcej
Zadaj pytanie
Pokaż odpowiedniki
Karta produktu
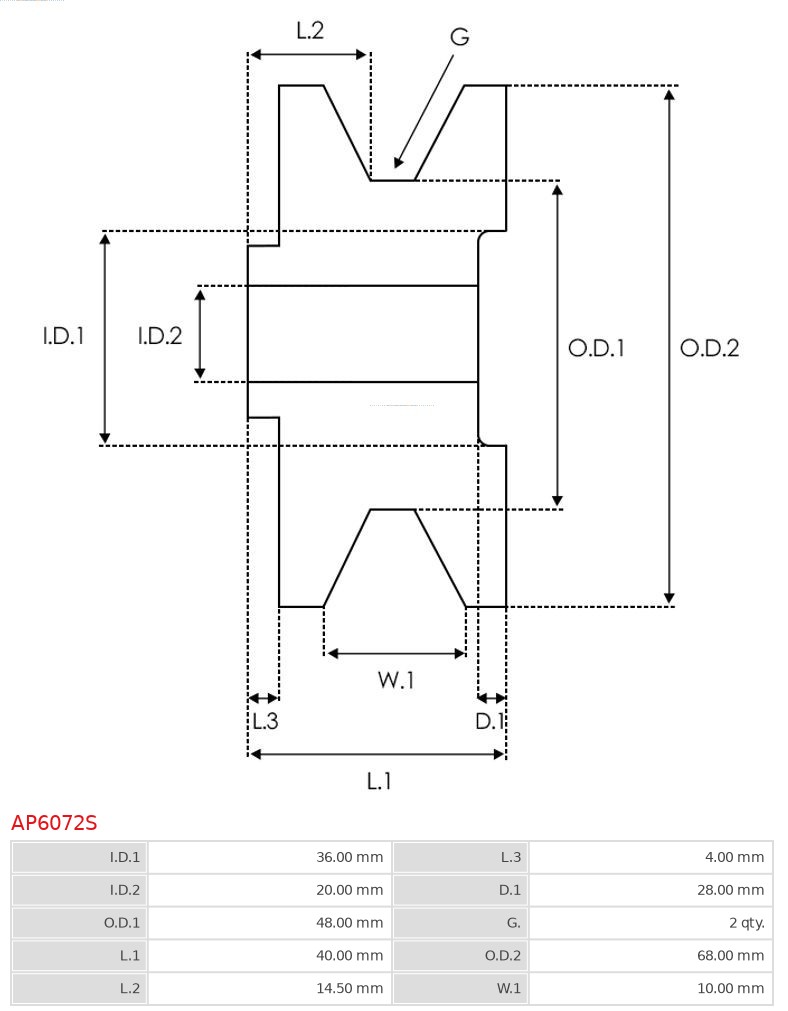
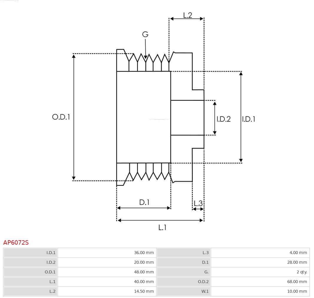
AP6072S
AS-PL
koło pasowe, alternator
AP6072S_ASP
KOŁO PASOWE ALTERNATORA
Ocena produktu
Kup teraz
Cena
cena netto:
cena z VAT:
Dostępność
Mag. główny
Towar zamówiony
do 14:00
będzie do odbioru po 15:00
0
Magazyn MP
Towar zamówiony do 17:00 będzie dostępny jutro.
0
Parametry
Średnica zewnętrzna 1 [mm]
43,00
Średnica wewnętrzna 1 [mm]
20,00
Liczba rowków
2
Średnica wewnętrzna 2 [mm]
33,50
Jakość
STANDARD LINE
Nowa część bez kaucji
Kody EAN
5902129192688
Odpowiedniki
AS-PL:
1002130230
,
A6349
,
APN1359
,
UD48573AP