mSklep
Rozwiń nawigację
Hurt Detal Robert Dyl
Znajdź
znajdź numer
samochody osobowe i dostawcze
motocykle
samochody ciężarowe i autobusy
silniki
ostatnio wybrany pojazd
historia wyboru pojazdu
wyszukaj w opisach
kategorie oferty
więcej
Koszyk
Zaloguj
Informacje
O nas
Regulamin
Kontakt
Ustawienia
Znajdź numer
Samochody osobowe i dostawcze
Motocykle
Samochody ciężarowe i autobusy
Silniki
Ostatnio wybrany pojazd
Historia wyboru pojazdów
Wyszukaj w opisach
Kategorie oferty
Więcej
Zadaj pytanie
Pokaż odpowiedniki
Karta produktu
AP9016S
AS-PL
koło pasowe, alternator
AP9016S_ASP
KOŁO PASOWE, ALTERNATOR
Ocena produktu
Kup teraz
Cena
cena netto:
cena z VAT:
detal:
rabat:
-11%
Dostępność
Mag. główny
Towar zamówiony
do 14:00
będzie do odbioru po 15:00
0
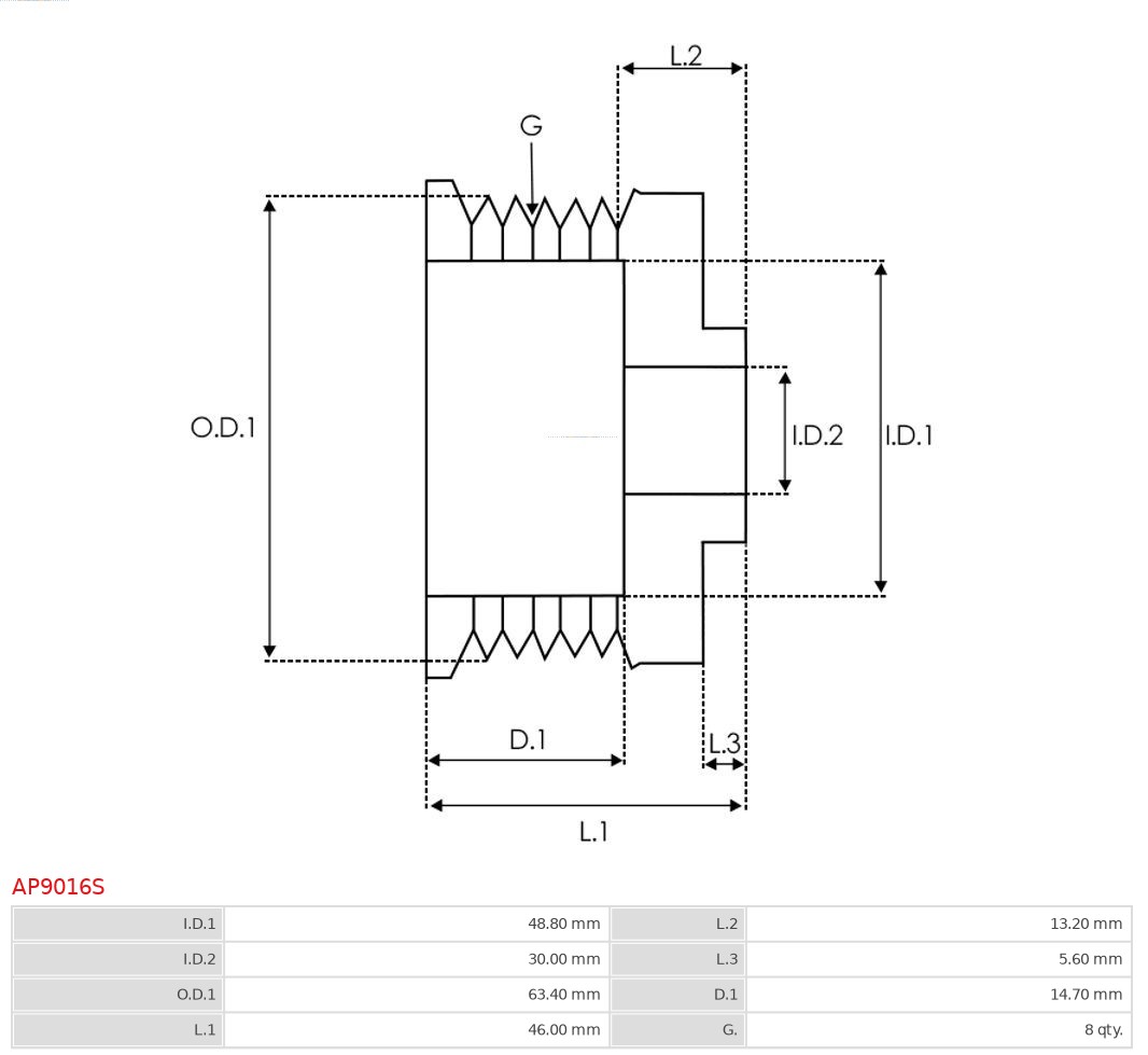
Parametry
Średnica zewnętrzna 1 [mm]
63,40
Średnica wewnętrzna 1 [mm]
30,00
Liczba rowków
8
Średnica wewnętrzna 2 [mm]
48,80
Jakość
STANDARD LINE
Nowa część bez depozytu
Kody EAN
5902129091677
Odpowiedniki
AS-PL:
1277A730
,
1277A740
,
3415564
,
A9247S
,
A9251S
,
APP3302
,
UD43231AP
Stosowane w produktach
AS-PL
A9247S
,
A9251S