mSklep
Rozwiń nawigację
Hurt Detal Robert Dyl
Znajdź
znajdź numer
samochody osobowe i dostawcze
motocykle
samochody ciężarowe i autobusy
silniki
ostatnio wybrany pojazd
historia wyboru pojazdu
wyszukaj w opisach
kategorie oferty
więcej
Koszyk
Zaloguj
Informacje
O nas
Regulamin
Kontakt
Ustawienia
Znajdź numer
Samochody osobowe i dostawcze
Motocykle
Samochody ciężarowe i autobusy
Silniki
Ostatnio wybrany pojazd
Historia wyboru pojazdów
Wyszukaj w opisach
Kategorie oferty
Więcej
Zadaj pytanie
Pokaż odpowiedniki
Karta produktu
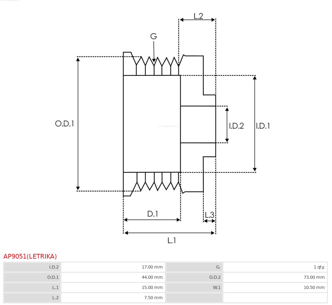
AP9051(LETRIKA)
AS-PL
koło pasowe, alternator
AP9051(LETRIKA)_ASP
KOŁO PASOWE, ALTERNATOR
Ocena produktu
Kup teraz
Cena
cena netto:
cena z VAT:
detal:
rabat:
-11%
Dostępność
Mag. główny
Towar zamówiony
do 14:00
będzie do odbioru po 15:00
0
Parametry
Średnica zewnętrzna 1 [mm]
44,00
Średnica wewnętrzna 1 [mm]
17,00
Liczba rowków
1
Jakość
PREMIUM LINE
Nowa część bez kaucji
Kody EAN
5902129199328
Odpowiedniki
AS-PL:
11.203.415
,
11.204.378
,
72740038
,
AAK4351
,
AAK4824
,
MAHMGX1171KIT
,
MGX1171
,
MGX1171KIT
,
UD811223(LETRIKA)AP
,
WG1788934
LETRIKA:
16.907.557