mSklep
Rozwiń nawigację
Hurt Detal Robert Dyl
Znajdź
znajdź numer
samochody osobowe i dostawcze
motocykle
samochody ciężarowe i autobusy
silniki
ostatnio wybrany pojazd
historia wyboru pojazdu
wyszukaj w opisach
kategorie oferty
więcej
Koszyk
Zaloguj
Informacje
O nas
Regulamin
Kontakt
Ustawienia
Znajdź numer
Samochody osobowe i dostawcze
Motocykle
Samochody ciężarowe i autobusy
Silniki
Ostatnio wybrany pojazd
Historia wyboru pojazdów
Wyszukaj w opisach
Kategorie oferty
Więcej
Zadaj pytanie
Pokaż odpowiedniki
Karta produktu
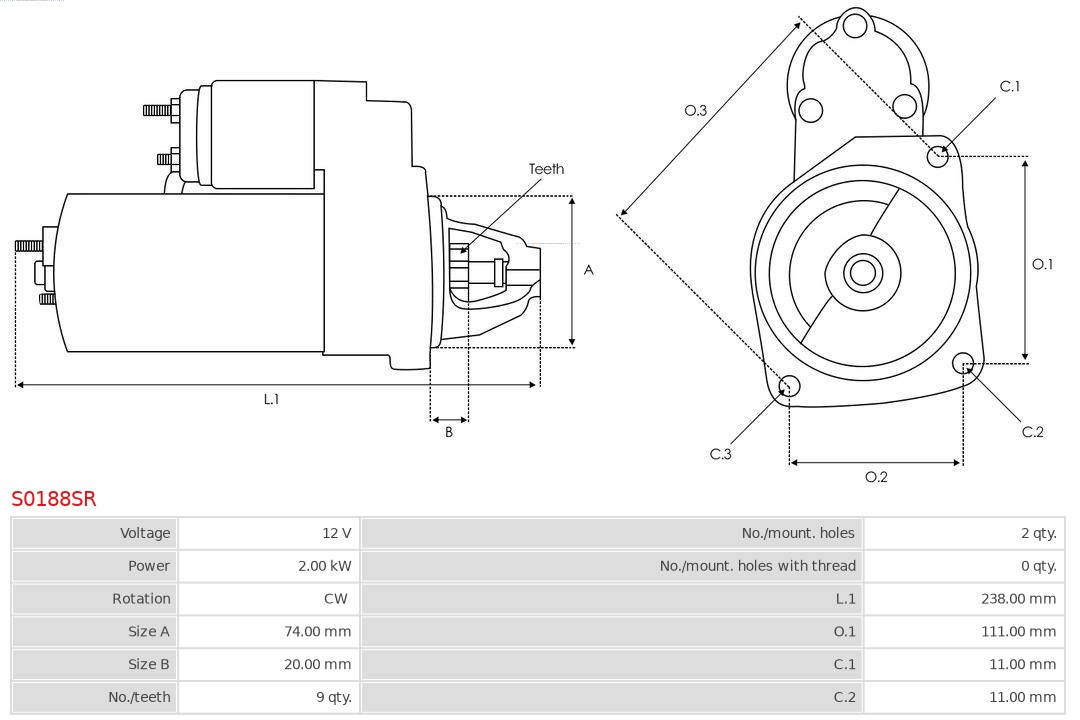
S0188SR
AS-PL
rozrusznik
S0188SR_ASP
ROZRUSZNIK
Ocena produktu
Kup teraz
Cena
cena netto:
cena z VAT:
Dostępność
Mag. główny
Towar zamówiony
do 14:00
będzie do odbioru po 15:00
0
Magazyn MP
Towar zamówiony do 17:00 będzie dostępny jutro.
0
Parametry
Kierunek obrotów
zgodnie z ruchem wskazówek zegara
Liczba zębów
9
Moc znamionowa [kW]
2
Napięcie [V]
12
Liczba otworów do mocowania
2
Jakość
STANDARD LINE
Część wymienna bez kaucji
Kody EAN
5902129172390
Numery OEM
CATERPILLAR:
163-3361
JCB:
333/C5935
,
714/35600
,
714/35600R
,
714/40482
PERKINS:
1850866
,
18508660
,
185086600
,
70001414
,
U5MK8261
,
U85086790
,
U85086800
VOLVO:
21323043
,
3583555
,
3801351
,
3803929
Odpowiedniki
AS-PL:
011-001-000042R
,
10010288AV
,
10010288OV
,
10439530
,
11010108
,
11022440
,
120-10112NOE
,
121425
,
20401882BN
,
20401882OE
,
20401882RC
,
254001
,
254001B
,
254001S
,
3124938
,
3124939
,
3124940
,
3124942
,
331851
,
378C112534
,
379IS1101
,
5010188
,
6010288.0
,
6010288.1
,
6010288.2
,
668008092
,
72735714
,
8064
,
91-15-7143
,
91-15-7143N
,
A77940
,
AC-CBS1471
,
AM-2035
,
AM-2035U
,
ANM16158X
,
BOS0001109035
,
CGB-23938
,
CMA-621089
,
MAHMS86
,
MAV122880
,
MS86
,
PRSS024
,
QRS2642
,
RNL109035
,
S0188
,
S0188(BOSCH)
,
S0188(SEG)
,
S1116
,
S12BH0196
,
S12BH0196A2
,
S-22059
,
SBO288
,
SBO288A
,
ST01174
,
STB1471
,
STM742
,
STR1218
,
STR22059
,
STRS024
,
STX210178
,
TT15080
,
WG2013459
,
WG2045420
,
WG2196607
BOM-PRESTOLITE:
20513016
,
S1065B
BOSCH:
0001109035
,
0001109509
,
0986022440
,
1986S00722
BV PSH:
700.501.092.010
,
700.501.092.018
,
700.501.092.038
,
700.501.092.210
,
700.501.092.215
,
700.501.092.280
,
700.501.092.281
,
700.501.092.310
,
700.501.092.311
,
S134.832
,
S145.477
CASCO:
CST10288AS
,
CST10288GS
,
CST10288RS
DELCO REMY:
8000227
,
DRS3938
,
DRS3938N
ELSTOCK:
25-3085
ERA:
220888
,
220888A
FARCOM:
105058
,
106717
GHIBAUDI:
SG2001
HC-CARGO:
112534
,
F032112534
HC-PARTS:
CS1471
HELLA:
8EA015642-081
,
8EA738259-001
LETRIKA:
11.131.267
,
AZE2155
,
IS1101
LUCAS:
LRS01580
,
LRS1580
MAGNETI MARELLI:
063521090350
,
6352109035
POWERMAX:
88213425
WAI:
18949N
YALE:
19960488
,
19960489
,
50027532
Samochody osobowe
HUMMER:
H2 samochód terenowy zamknięty (2002-09 » 2009-12)