Karta produktu

S0237PRAS-PL

rozrusznik


S0237PR_ASP

ROZRUSZNIK

Ocena produktu

Kup teraz

Dostępność

Mag. główny
Towar zamówiony
do 14:00
będzie do odbioru po 15:00
0

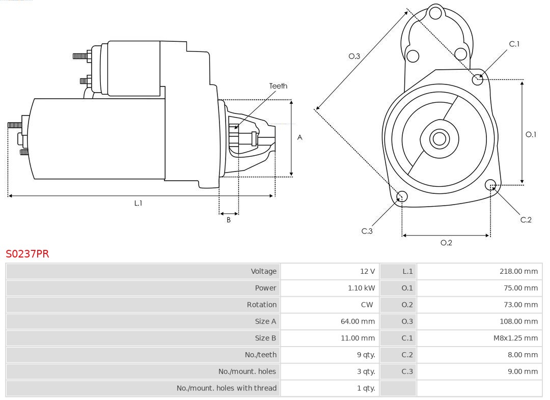
Parametry

Moc znamionowa [kW] 1,1
Napięcie [V] 12
Liczba otworów do mocowania 3
Kierunek obrotów zgodnie z ruchem wskazówek zegara
Liczba zębów 9
Jakość PREMIUM LINE
Część wymienna bez kaucji

Kody EAN

Samochody osobowe

ABARTH: PUNTO (2012-03 » ), PUNTO EVO (2008-07 » 2012-02)
ALFA ROMEO: GIULIA (952_) (2015-10 » ), GIULIETTA (940_) (2010-04 » 2020-12), GIULIETTA Furgon/hatchback (940_) (2011-04 » 2020-12), MITO (955_) (2008-08 » 2018-10)
FIAT: 124 Spider (348_) (2016-03 » ), 500 (312_) (2007-07 » ), 500 C (312_) (2009-09 » ), 500L (351_, 352_) (2012-09 » ), 500X (334_) (2014-09 » ), BRAVO II (198_) (2006-11 » 2016-12), DOBLO Autobus (263_) (2009-11 » 2023-12), DOBLO Cargo (263_) (2010-02 » ), DOBLO Furgon/minivan (223_) (2000-11 » ), DOBLO nadwozie wielkoprzestrzenne (MPV) (119_, 223_) (2001-03 » ), DOBLO Platforma / podwozie (263_) (2010-02 » 2023-12), GRANDE PUNTO (199_) (2005-06 » ), GRANDE PUNTO Van (199_) (2005-10 » 2013-06), IDEA (350_) (2003-12 » ), IDEA Van (350_) (2003-12 » ), PALIO (178_, 171_, 371_) (1996-04 » ), PANDA (169_) (2003-09 » ), PANDA (312_, 319_) (2012-02 » ), PANDA Furgon/hatchback (169_) (2004-03 » ), PANDA VAN (312_, 519_) (2012-02 » ), PUNTO (199_) (2012-01 » ), PUNTO EVO (199_) (2008-07 » ), PUNTO EVO Furgon/hatchback (199_) (2009-03 » 2012-02), PUNTO Furgon/hatchback (199_) (2008-04 » ), TIPO Kombi (356_, 357_) (2016-03 » ), TIPO liftback (356_, 357_) (2016-03 » ), TIPO sedan (356_, 357_) (2015-10 » )
FORD: KA (RU8) (2008-10 » 2016-05)
JEEP: RENEGADE SUV (BU, B1, BV) (2014-07 » ), RENEGADE VAN (BU, B1) (2014-07 » )
LANCIA: DELTA III (844_) (2008-08 » 2014-08), MUSA (350_) (2004-10 » 2012-09), YPSILON (312_) (2011-05 » ), YPSILON (843_) (2003-10 » 2011-12)
OPEL: COMBO Furgon/minivan (X12) (2012-02 » ), COMBO Tour (X12) (2012-02 » )