mSklep
Rozwiń nawigację
Hurt Detal Robert Dyl
Znajdź
znajdź numer
samochody osobowe i dostawcze
motocykle
samochody ciężarowe i autobusy
silniki
ostatnio wybrany pojazd
historia wyboru pojazdu
wyszukaj w opisach
kategorie oferty
więcej
Koszyk
Zaloguj
Informacje
O nas
Regulamin
Kontakt
Ustawienia
Znajdź numer
Samochody osobowe i dostawcze
Motocykle
Samochody ciężarowe i autobusy
Silniki
Ostatnio wybrany pojazd
Historia wyboru pojazdów
Wyszukaj w opisach
Kategorie oferty
Więcej
Zadaj pytanie
Pokaż odpowiedniki
Karta produktu
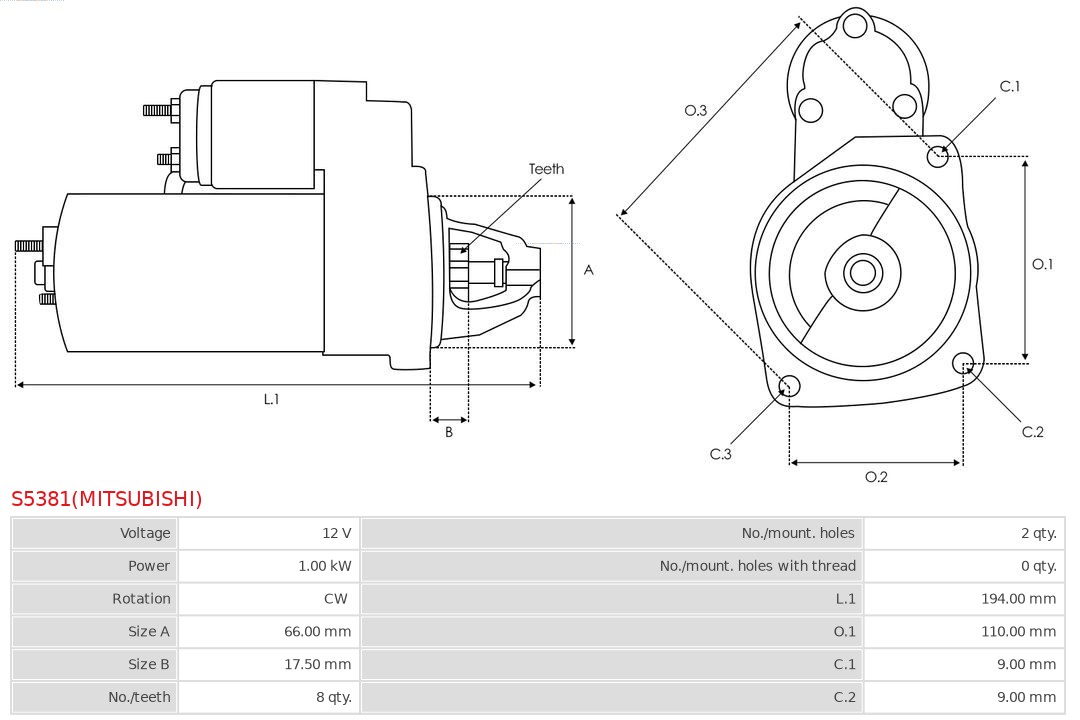
S5381(MITSUBISHI)
AS-PL
rozrusznik
S5381(MITSUBISHI)_AS
ROZRUSZNIK
Ocena produktu
Kup teraz
Cena
cena netto:
cena z VAT:
detal:
rabat:
-11%
Dostępność
Mag. główny
Towar zamówiony
do 14:00
będzie do odbioru po 15:00
0
Parametry
Liczba zębów
8
Kierunek obrotów
zgodnie z ruchem wskazówek zegara
Moc znamionowa [kW]
1
Napięcie [V]
12
Liczba otworów do mocowania
2
dla numeru OE
M0T90884
Jakość
PREMIUM LINE
Nowa część bez kaucji
Kody EAN
5902129187455
Kody użytkowe
M0T90884
Składniki TecDoc
Symbol
Nazwa
Ilość
SS5002
włącznik elektromagnetyczny rozrusznika
1
SS5004
włącznik elektromagnetyczny rozrusznika
1
SS5002P
włącznik elektromagnetyczny rozrusznika
1
Numery OEM
KUBOTA:
16853-63010
,
16853-63011
,
16853-63012
,
16853-63013
,
16853-63014
,
1G023-63010
,
1G023-63011
,
67980-31151
,
6A320-59212
,
K3511-81410
,
K3511-81411
,
K3511-81412
MITSUBISHI:
M000T90881
,
M000T90881AM
,
M000T90882
,
M000T90882AM
,
M000T90883
,
M000T90884
,
M000T90884AM
,
M0T90881
,
M0T90881AM
,
M0T90882
,
M0T90882AM
,
M0T90883
,
M0T90884
,
M0T90884AM
Odpowiedniki
AS-PL:
130-00116
,
20437914BN
,
20437914OE
,
243-10128
,
255551
,
255551D
,
255551M
,
6035419.0
,
6035419.1
,
9966
,
MAV374190
,
MAV374190A
,
S12MH0157A2
,
S5381S
,
S-80582
,
STN0050
,
STN9050
,
STR5224
,
STR5468
,
STR71237
,
UD100144(MITSUBISHI)S
BV PSH:
690.531.082.130
,
690.531.082.138
,
690.531.082.370
,
S130.095
,
S143.997
,
S144.141
CASCO:
CST35419AS
,
CST35419GS
EAI:
12327
ELSTOCK:
25-3471
HC-CARGO:
114194
,
114485
,
F032114194
,
F032114485
HELLA:
8EA015642-211
LUCAS:
LRS02300
,
LRS2300
WAI:
19162N
Samochody osobowe
AIXAM:
A.721 (2005-01 » )
,
CITY (2012-01 » 2016-12)
,
CROSSLINE (2012-01 » 2016-12)
,
MEGA (2003-09 » )