mSklep
Rozwiń nawigację
Hurt Detal Robert Dyl
Znajdź
znajdź numer
samochody osobowe i dostawcze
motocykle
samochody ciężarowe i autobusy
silniki
ostatnio wybrany pojazd
historia wyboru pojazdu
wyszukaj w opisach
kategorie oferty
więcej
Koszyk
Zaloguj
Informacje
O nas
Regulamin
Kontakt
Ustawienia
Znajdź numer
Samochody osobowe i dostawcze
Motocykle
Samochody ciężarowe i autobusy
Silniki
Ostatnio wybrany pojazd
Historia wyboru pojazdów
Wyszukaj w opisach
Kategorie oferty
Więcej
Zadaj pytanie
Pokaż odpowiedniki
Karta produktu
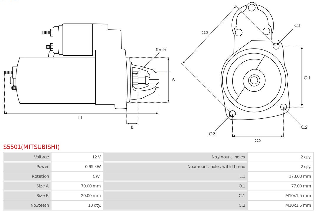
S5501(MITSUBISHI)
AS-PL
rozrusznik
S5501(MITSUBISHI)_AS
ROZRUSZNIK
Ocena produktu
Kup teraz
Cena
cena netto:
cena z VAT:
detal:
rabat:
-11%
Dostępność
Mag. główny
Towar zamówiony
do 14:00
będzie do odbioru po 15:00
0
Parametry
Liczba zębów
10
Kierunek obrotów
zgodnie z ruchem wskazówek zegara
Moc znamionowa [kW]
0,95
Napięcie [V]
12
Liczba otworów do mocowania
2
dla numeru OE
M0TD0971
Jakość
PREMIUM LINE
Nowa część bez kaucji
Kody EAN
5902129162131
Kody użytkowe
M0TD0971
Składniki TecDoc
Symbol
Nazwa
Ilość
SD5150S
sprzęgło jednokierunkowe, rozrusznik
1
SBR5162S
pokrywa rozrusznika, gaźnika
1
SD5181P
sprzęgło jednokierunkowe, rozrusznik
1
Numery OEM
MITSUBISHI:
M000T33671
,
M000T37871
,
M000T37871ZE
,
M000TD0971
,
M000TD0971AM
,
M0T37871
,
M0T37871AM
,
M0T37871ZE
,
M0TD0971
,
M0TD0971AM
NISSAN:
23300-1HC0B
,
23300-1HC0D
,
23300-1HC1A
,
23300-1HC1B
,
23300-1HC1C
Odpowiedniki
AS-PL:
ASM1612
,
EZ0224
,
MITM0TD0971
,
NPANSM1612
,
S12MH0787
,
S3148
,
S3148PR
,
S3148SR
,
S5271(MITSUBISHI)
,
S5271S
,
STR5622
,
UD100059(MITSUBISHI)S
BOSCH:
0986028080
BV PSH:
160.586.092.130
,
S130.607
CASCO:
CST35319GS
Samochody osobowe
NISSAN:
MICRA IV (K13K, K13KK) (2010-05 » )
,
NOTE (E12) (2012-09 » )