mSklep
Rozwiń nawigację
Hurt Detal Robert Dyl
Znajdź
znajdź numer
samochody osobowe i dostawcze
motocykle
samochody ciężarowe i autobusy
silniki
ostatnio wybrany pojazd
historia wyboru pojazdu
wyszukaj w opisach
kategorie oferty
więcej
Koszyk
Zaloguj
Informacje
O nas
Regulamin
Kontakt
Ustawienia
Znajdź numer
Samochody osobowe i dostawcze
Motocykle
Samochody ciężarowe i autobusy
Silniki
Ostatnio wybrany pojazd
Historia wyboru pojazdów
Wyszukaj w opisach
Kategorie oferty
Więcej
Zadaj pytanie
Pokaż odpowiedniki
Karta produktu
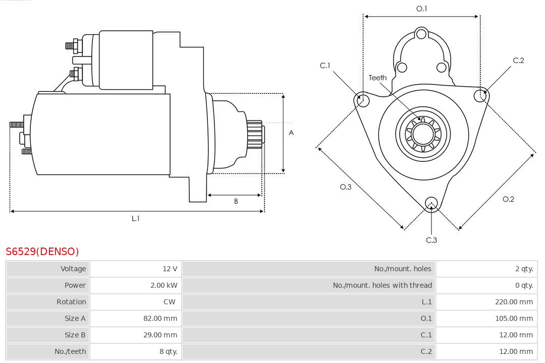
S6529(DENSO)
AS-PL
rozrusznik
S6529(DENSO)_ASP
ROZRUSZNIK
Ocena produktu
Kup teraz
Cena
cena netto:
cena z VAT:
detal:
rabat:
-11%
Dostępność
Mag. główny
Towar zamówiony
do 14:00
będzie do odbioru po 15:00
0
Parametry
Moc znamionowa [kW]
2
Napięcie [V]
12
Liczba otworów do mocowania
2
Kierunek obrotów
zgodnie z ruchem wskazówek zegara
Liczba zębów
8
dla numeru OE
DSN2124
Jakość
PREMIUM LINE
Nowa część bez kaucji
Kody EAN
5902129206552
Numery OEM
KUBOTA:
1J730-63010
,
1J730-63011
Odpowiedniki
AS-PL:
20432554BN
,
20432554OE
,
255367
,
255367D
,
30579
,
336135
,
5040581
,
6040455.0
,
6040455.1
,
72555945
,
8941
,
DENDSN2124
,
MS1150
,
S12DE0385
,
S12DE0385A2
,
STN1626
,
STRJ567
,
UD810316(DENSO)S
,
WG2072135
,
WG2376943
,
WOOSTR70429
BV PSH:
690.558.082.050
,
690.558.082.260
,
S134.780
,
S144.458
CASCO:
CST40455AS
,
CST40455GS
DENSO:
428000-6940
,
428080-6940
,
DSN2124
FARCOM:
107086
HC-CARGO:
116479
,
F032116479
LETRIKA:
11.139.282
,
AZD2615
,
IS9568
WAI:
30579N