mSklep
Rozwiń nawigację
Hurt Detal Robert Dyl
Znajdź
znajdź numer
samochody osobowe i dostawcze
motocykle
samochody ciężarowe i autobusy
silniki
ostatnio wybrany pojazd
historia wyboru pojazdu
wyszukaj w opisach
kategorie oferty
więcej
Koszyk
Zaloguj
Informacje
O nas
Regulamin
Kontakt
Ustawienia
Znajdź numer
Samochody osobowe i dostawcze
Motocykle
Samochody ciężarowe i autobusy
Silniki
Ostatnio wybrany pojazd
Historia wyboru pojazdów
Wyszukaj w opisach
Kategorie oferty
Więcej
Zadaj pytanie
Pokaż odpowiedniki
Karta produktu
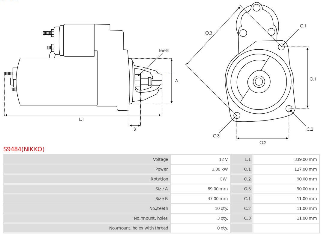
S9484(NIKKO)
AS-PL
rozrusznik
S9484(NIKKO)_ASP
ROZRUSZNIK
Ocena produktu
Kup teraz
Cena
cena netto:
cena z VAT:
Dostępność
Mag. główny
Towar zamówiony
do 14:00
będzie do odbioru po 15:00
0
Magazyn MP
Towar zamówiony do 17:00 będzie dostępny jutro.
0
Parametry
Moc znamionowa [kW]
3
Napięcie [V]
12
Liczba otworów do mocowania
3
Liczba zębów
10
Kierunek obrotów
zgodnie z ruchem wskazówek zegara
Jakość
PREMIUM LINE
Nowa część bez kaucji
Kody EAN
5902129176343
Odpowiedniki
AS-PL:
140-28148
,
20409541BN
,
6060145.0
,
91-01-4414
,
91-01-4414N
,
MAV621450A
,
STD2668
,
STR80071
,
UD100821(NIKKO)S
BV PSH:
540.507.103.030
,
540.507.103.038
,
S133.252
CASCO:
CST60145AS
DELCO REMY:
10461287
,
10461483
,
1113284
HC-CARGO:
112668
,
F032112668
NIKKO:
0-23000-2070
,
0-61000-0280