mSklep
Rozwiń nawigację
Hurt Detal Robert Dyl
Znajdź
znajdź numer
samochody osobowe i dostawcze
motocykle
samochody ciężarowe i autobusy
silniki
ostatnio wybrany pojazd
historia wyboru pojazdu
wyszukaj w opisach
kategorie oferty
więcej
Koszyk
Zaloguj
Informacje
O nas
Regulamin
Kontakt
Ustawienia
Znajdź numer
Samochody osobowe i dostawcze
Motocykle
Samochody ciężarowe i autobusy
Silniki
Ostatnio wybrany pojazd
Historia wyboru pojazdów
Wyszukaj w opisach
Kategorie oferty
Więcej
Zadaj pytanie
Pokaż odpowiedniki
Karta produktu
SDK5060S
AS-PL
sprzęgło jednokierunkowe, rozrusznik
SDK5060S_ASP
ZĘBNIK BENDIKSA ROZRUSZNIKA
Ocena produktu
Kup teraz
Cena
cena netto:
cena z VAT:
Dostępność
Mag. główny
Towar zamówiony
do 14:00
będzie do odbioru po 15:00
0
Magazyn MP
Towar zamówiony do 17:00 będzie dostępny jutro.
0
Parametry
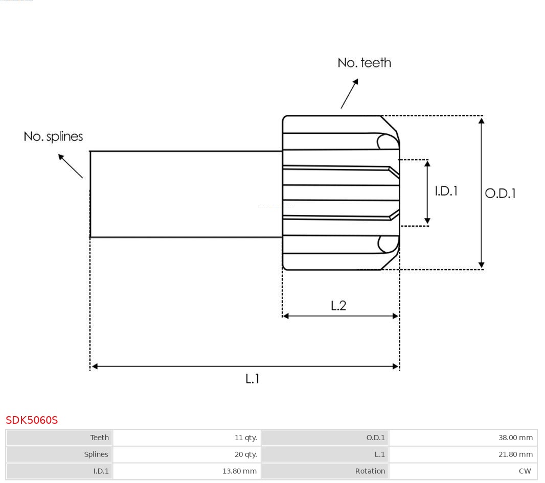
Kierunek obrotów
zgodnie z ruchem wskazówek zegara
Liczba zębów
11
Długość 1 [mm]
21,8
Średnica zewnętrzna 1 [mm]
38,00
Średnica wewnętrzna [mm]
13,80
Jakość
STANDARD LINE
Nowa część bez kaucji
Kody EAN
5902129145097
Numery OEM
MITSUBISHI:
M605X96471
Odpowiedniki
AS-PL:
GEAR5013
,
M008T77075
,
M008T80373
,
M8T77075
,
M8T80373
,
MITM605X96471
,
S5197
,
S5203
,
SDV3930
,
UD43156SDK
Stosowane w produktach
AS-PL
S5203
,
S5203(MITSUBISHI)
,
S5186(MITSUBISHI)