mSklep
Rozwiń nawigację
Hurt Detal Robert Dyl
Znajdź
znajdź numer
samochody osobowe i dostawcze
motocykle
samochody ciężarowe i autobusy
silniki
ostatnio wybrany pojazd
historia wyboru pojazdu
wyszukaj w opisach
kategorie oferty
więcej
Koszyk
Zaloguj
Informacje
O nas
Regulamin
Kontakt
Ustawienia
Znajdź numer
Samochody osobowe i dostawcze
Motocykle
Samochody ciężarowe i autobusy
Silniki
Ostatnio wybrany pojazd
Historia wyboru pojazdów
Wyszukaj w opisach
Kategorie oferty
Więcej
Zadaj pytanie
Pokaż odpowiedniki
Karta produktu
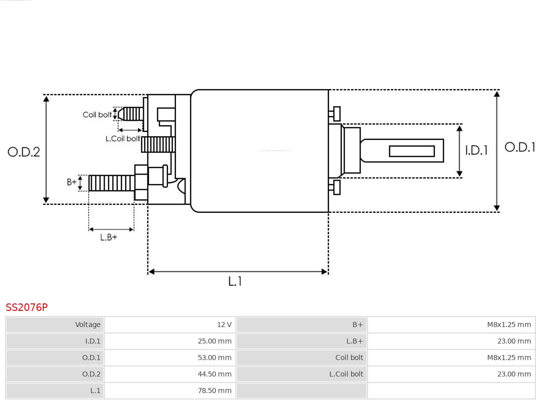
SS2076P
AS-PL
włącznik elektromagnetyczny rozrusznika
SS2076P_ASP
AUTOMAT ROZRUSZNIKA
Ocena produktu
Kup teraz
Cena
cena netto:
cena z VAT:
Dostępność
Mag. główny
Towar zamówiony
do 14:00
będzie do odbioru po 15:00
0
Magazyn MP
Towar zamówiony do 17:00 będzie dostępny jutro.
0
Parametry
Napięcie [V]
12
Jakość
PREMIUM LINE
Nowa część bez kaucji
Kody EAN
5902129147381
Numery OEM
HITACHI:
2130-37004
,
2130-37008
,
2130-97004
NISSAN:
23343-10G00
Odpowiedniki
AS-PL:
4.6195.9
,
S13136
,
S13322
,
S13326
,
S1392A
,
SOL3057
,
SSH3749
,
ZM2981
BV PSH:
054.000.249.080
,
054.000.249.086
ERA:
227215
GHIBAUDI:
E8025
HC-CARGO:
133749
,
F032133749
LAUBER:
CQ2030654
POWERMAX:
1012338
WAI:
66-8151
,
66-8151-1