mSklep
Rozwiń nawigację
Hurt Detal Robert Dyl
Znajdź
znajdź numer
samochody osobowe i dostawcze
motocykle
samochody ciężarowe i autobusy
silniki
ostatnio wybrany pojazd
historia wyboru pojazdu
wyszukaj w opisach
kategorie oferty
więcej
Koszyk
Zaloguj
Informacje
O nas
Regulamin
Kontakt
Ustawienia
Znajdź numer
Samochody osobowe i dostawcze
Motocykle
Samochody ciężarowe i autobusy
Silniki
Ostatnio wybrany pojazd
Historia wyboru pojazdów
Wyszukaj w opisach
Kategorie oferty
Więcej
Zadaj pytanie
Pokaż odpowiedniki
Karta produktu
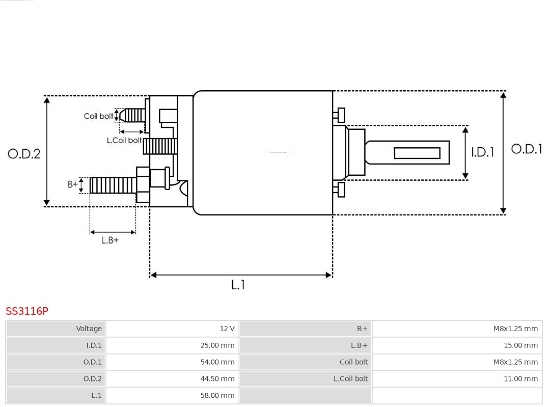
SS3116P
AS-PL
włącznik elektromagnetyczny rozrusznika
SS3116P_ASP
AUTOMAT ROZRUSZNIKA
Ocena produktu
Kup teraz
Cena
cena netto:
cena z VAT:
Dostępność
Mag. główny
Towar zamówiony
do 14:00
będzie do odbioru po 15:00
0
Magazyn MP
Towar zamówiony do 17:00 będzie dostępny jutro.
0
Parametry
Napięcie [V]
12
Jakość
PREMIUM LINE
Nowa część bez kaucji
Kody EAN
5902129116349
Numery OEM
HYUNDAI (BEIJING):
36120-2G110
Odpowiedniki
AS-PL:
1195632
,
8492
,
FS14N1
,
SOL0110
,
SS3116P
,
SS3137S
,
ZM8492
BV PSH:
054.000.135.590
MAGNETI MARELLI:
940113050631
,
AME0631
VALEO:
1198988
Stosowane w produktach
AS-PL
S3162S