mSklep
Rozwiń nawigację
Hurt Detal Robert Dyl
Znajdź
znajdź numer
samochody osobowe i dostawcze
motocykle
samochody ciężarowe i autobusy
silniki
ostatnio wybrany pojazd
historia wyboru pojazdu
wyszukaj w opisach
kategorie oferty
więcej
Koszyk
Zaloguj
Informacje
O nas
Regulamin
Kontakt
Ustawienia
Znajdź numer
Samochody osobowe i dostawcze
Motocykle
Samochody ciężarowe i autobusy
Silniki
Ostatnio wybrany pojazd
Historia wyboru pojazdów
Wyszukaj w opisach
Kategorie oferty
Więcej
Zadaj pytanie
Pokaż odpowiedniki
Karta produktu
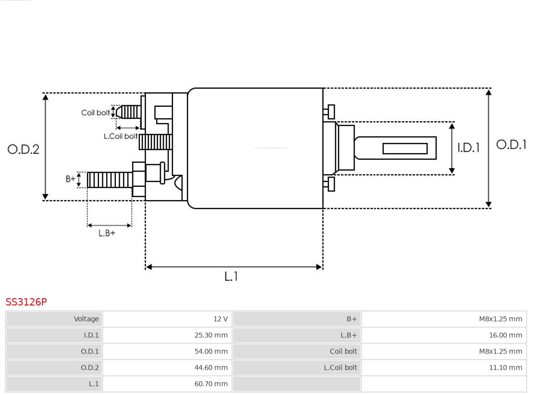
SS3126P
AS-PL
włącznik elektromagnetyczny rozrusznika
SS3126P_ASP
AUTOMAT ROZRUSZNIKA
Ocena produktu
Kup teraz
Cena
cena netto:
cena z VAT:
Dostępność
Mag. główny
Towar zamówiony
do 14:00
będzie do odbioru po 15:00
0
Magazyn MP
Towar zamówiony do 17:00 będzie dostępny jutro.
0
Parametry
Napięcie [V]
12
Jakość
PREMIUM LINE
Nowa część bez kaucji
Kody EAN
5902129157885
Numery OEM
NISSAN:
77012-07381
Odpowiedniki
AS-PL:
20379431OE
,
438110
,
4.6295.9
,
6492
,
7492
,
D7E19
,
D7E22
,
D7E26
,
D7E6
,
FS10B3
,
SOL0008
,
SS3051(VALEO)
,
SS3126S
,
SSO15134.1
,
SSV6258
,
TS10E3
,
TS10E4
,
TS10E5
,
UD16405SS
,
VAL594438
,
ZM6492
,
ZM7492
CASCO:
CSO15134GS
ERA:
227601
,
227741
HC-CARGO:
236258
,
495538
,
F032236258
,
F032495538
VALEO:
594438
,
594735
,
TT76669
WAI:
66-6719-2W
,
66-9429
Stosowane w produktach
AS-PL
S3216S
,
S3008