Karta produktu

F005X14044BOSCH

tarcza hamulcowa


F005X14044_BOS

TARCZA HAMULCOWA PBR657

PBR657

Ocena produktu

Kup teraz

Dostępność

Mag. główny
Towar zamówiony
do 14:00
będzie do odbioru po 15:00
0

Parametry

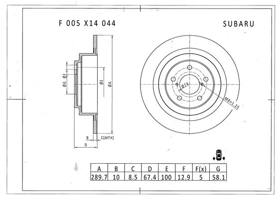
średnica zewnętrzna [mm] 289,7
Grubość tarczy hamulcowej [mm] 10
Minimalna grubość [mm] 8,5
Wysokość [mm] 67,4
Ø rozmieszczenia otworów [mm] 100
Typ tarczy hamulcowej pełny
Średnica otworu centrującego [mm] 58,1
Liczba otworów 5
Średnica otworu do [mm] 12,9

Kody EAN

Kody użytkowe

Odpowiedniki

Samochody osobowe

SUBARU: LEGACY III (BE) (1998-10 » 2003-08), LEGACY IV (BL) (2003-09 » 2015-12), OUTBACK (BE, BH) (1998-10 » 2003-08)