Karta produktu

AFP5044SAS-PL

sprzęgło jednokierunkowe


AFP5044S_ASP

KOŁO PASOWE ALTERNATORA

Koło pasowe wolnobieżne alternatora AS-PL, Zamiennik dla: MITSUBISHI

Ocena produktu

Kup teraz

Dostępność

Mag. główny
Towar zamówiony
do 14:00
będzie do odbioru po 15:00
0
Magazyn MP
Towar zamówiony do 17:00 będzie dostępny jutro.
0

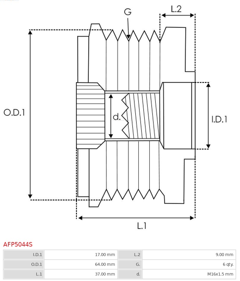
Parametry

Liczba rowków 6
Wymiar gwintu M16x1,5
Jakość STANDARD LINE
Nowa część bez kaucji

Kody EAN

Numery OEM

MITSUBISHI: A252X59170

Stosowane w produktach AS-PL