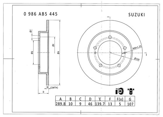
0986AB5445_BOSTARCZA HAMULCOWA BD9620S
BD9620S
Mag. główny0
| średnica zewnętrzna [mm] | 289,5 |
| Grubość tarczy hamulcowej [mm] | 10 |
| Minimalna grubość [mm] | 9 |
| Wysokość [mm] | 45,9 |
| Ø rozmieszczenia otworów [mm] | 139,7 |
| Typ tarczy hamulcowej | pełny |
| Średnica otworu centrującego [mm] | 107 |
| Liczba otworów | 5 |
| Średnica otworu do [mm] | 12,8 |
15657_ABSTARCZA HAMULC. SUZUKI SAMURAI 88-00
(290x10mm)
Mag. główny0
0| średnica zewnętrzna [mm] | 290 |
| Grubość tarczy hamulcowej [mm] | 10 |
| Minimalna grubość [mm] | 9 |
| Wysokość [mm] | 46 |
| Felga, liczba otworów | 5 |
| Typ tarczy hamulcowej | pełny |
| Średnica otworu centrującego [mm] | 107 |
| Ø rozmieszczenia otworów [mm] | 139,7 |
| średnica piasty [mm] | 190 |
ADK84301_BLPTARCZA HAMULC. SUZUKI SAMURAI 88-00
SJ 410 Cabrio 1981.09-> 1988.12
Mag. główny0
00| Grubość tarczy hamulcowej [mm] | 10 |
| Felga, liczba otworów | 5 |
| Liczba otworów do mocowania | 2 |
| Grubość [mm] | 46 |
| średnica zewnętrzna [mm] | 290 |
| Ø rozmieszczenia otworów [mm] | 140 |
| Powierzchnia | pokryty |
| Typ tarczy hamulcowej | pełny |
| Strona zabudowy | Oś przednia |
| Minimalna grubość [mm] | 9 |
| Średnica otworu centrującego [mm] | 107 |
| uwzględnić informację serwisową |
92036600_TXRTARCZA HAMULCOWA
Mag. główny0
| Typ tarczy hamulcowej | pełny |
| średnica zewnętrzna [mm] | 290 |
| Grubość tarczy hamulcowej [mm] | 10 |
| Wysokość [mm] | 46 |
| Minimalna grubość [mm] | 9 |
| Średnica wewnętrzna [mm] | 177 |
| Ø rozmieszczenia otworów [mm] | 139,7 |
| Średnica otworu centrującego [mm] | 107 |
| Wzór otworów/liczba otworów | 05/07 |
| Średnica otworu szpilki koła [mm] | 13 |
| Informacja uzupełniająca | bez piasty koła |
| Informacja uzupełniająca | bez łożyska koła |
| Informacja uzupełniająca | bez sworznia mocującego koła |
| Długość opakowania [cm] | 30,8 |
| Szerokość opakowania [cm] | 30,8 |
| Wysokość opakowania [cm] | 12,7 |
| Ciężar [kg] | 4,9 |