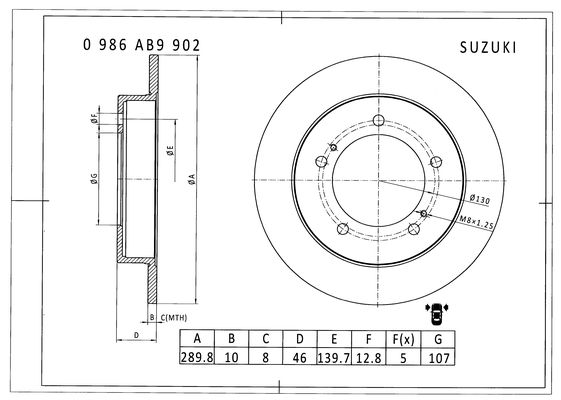
0986AB9902_BOSTARCZA HAMULCOWA PBR513
PBR513
Mag. główny0
| średnica zewnętrzna [mm] | 289,8 |
| Grubość tarczy hamulcowej [mm] | 10 |
| Minimalna grubość [mm] | 8 |
| Wysokość [mm] | 46 |
| Ø rozmieszczenia otworów [mm] | 139,7 |
| Typ tarczy hamulcowej | pełny |
| Średnica otworu centrującego [mm] | 107 |
| Liczba otworów | 5 |
| Średnica otworu do [mm] | 12,8 |
15988_ABSTARCZA HAMULCOWA (!)
(290x10mm)
Mag. główny2
0| średnica zewnętrzna [mm] | 290 |
| Grubość tarczy hamulcowej [mm] | 10 |
| Minimalna grubość [mm] | 8 |
| Wysokość [mm] | 46 |
| Felga, liczba otworów | 5 |
| Typ tarczy hamulcowej | pełny |
| Średnica otworu centrującego [mm] | 107 |
| Ø rozmieszczenia otworów [mm] | 139,7 |
| Powierzchnia | pokryty |
| średnica piasty [mm] | 195 |
ADK84305_BLPTARCZA HAMULCOWA PRZEDNIA
SUZUKI VITARA 1.6 88->91, SAMURAI 1.3 ->89,JIMNY 98-> (290MM/NIEWENTYLOWANA)
Mag. główny0
00| Grubość tarczy hamulcowej [mm] | 10 |
| Felga, liczba otworów | 5 |
| Grubość [mm] | 46 |
| średnica zewnętrzna [mm] | 290 |
| Ø rozmieszczenia otworów [mm] | 140 |
| Powierzchnia | pokryty |
| Typ tarczy hamulcowej | pełny |
| Strona zabudowy | Oś przednia |
| Minimalna grubość [mm] | 8 |
| Średnica otworu centrującego [mm] | 107 |
| uwzględnić informację serwisową |
10869_FEBTARCZA HAMULC. SUZUKI JIMNY 98-
Mag. główny0
00| Grubość tarczy hamulcowej [mm] | 10 |
| Felga, liczba otworów | 5 |
| Grubość [mm] | 46 |
| średnica zewnętrzna [mm] | 290 |
| Ø rozmieszczenia otworów [mm] | 140 |
| Powierzchnia | pokryty |
| Typ tarczy hamulcowej | pełny |
| Strona zabudowy | Oś przednia |
| Minimalna grubość [mm] | 8 |
| Średnica otworu centrującego [mm] | 107 |
| uwzględnić informację serwisową |
84 91 0869_SWGTARCZA HAMULCOWA
Mag. główny0
| Grubość tarczy hamulcowej [mm] | 10 |
| Felga, liczba otworów | 5 |
| Grubość [mm] | 46 |
| średnica zewnętrzna [mm] | 290 |
| Ø rozmieszczenia otworów [mm] | 139,7 |
| Powierzchnia | pokryty |
| Typ tarczy hamulcowej | pełny |
| Strona zabudowy | Oś przednia |
| Minimalna grubość [mm] | 8 |
| Średnica otworu centrującego [mm] | 107 |
2114202-0660-00_TXRZESTAW DO HAMULCÓW, HAMULCE TARCZOWE
Mag. główny0
| Typ tarczy hamulcowej | pełny |
| średnica zewnętrzna [mm] | 290 |
| Grubość tarczy hamulcowej [mm] | 10 |
| Styk ostrzegawczy o zużyciu | nieprzygotowany do wskaźnika zużycia |
| system hamulcowy | Sumitomo |
2150001-0660-00_TXRZESTAW DO HAMULCÓW, HAMULCE TARCZOWE
Mag. główny0
| Typ tarczy hamulcowej | pełny |
| średnica zewnętrzna [mm] | 290 |
| Grubość tarczy hamulcowej [mm] | 10 |
| Styk ostrzegawczy o zużyciu | z akustycznym czujnikiem zużycia |
| system hamulcowy | Akebono |
92066003_TXRTARCZA HAMULCOWA
Mag. główny0
0| Typ tarczy hamulcowej | pełny |
| średnica zewnętrzna [mm] | 290 |
| Grubość tarczy hamulcowej [mm] | 10 |
| Wysokość [mm] | 46,5 |
| Minimalna grubość [mm] | 8 |
| Powierzchnia | pokryty |
| Średnica wewnętrzna [mm] | 182,6 |
| Ø rozmieszczenia otworów [mm] | 139,7 |
| Średnica otworu centrującego [mm] | 107 |
| Wzór otworów/liczba otworów | 05/07 |
| Średnica otworu szpilki koła [mm] | 12,8 |
| Informacja uzupełniająca | bez piasty koła |
| Informacja uzupełniająca | bez łożyska koła |
| Informacja uzupełniająca | bez sworznia mocującego koła |
| Długość opakowania [cm] | 30,8 |
| Szerokość opakowania [cm] | 30,8 |
| Wysokość opakowania [cm] | 12,7 |
| Ciężar [kg] | 4,5 |