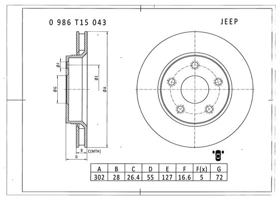
0986T15043_BOSTARCZA HAMULCOWA PBR2536
PBR2536
Mag. główny0
| Średnica zewnętrzna [mm] | 302 |
| Grubość tarczy hamulcowej [mm] | 28 |
| Minimalna grubość [mm] | 26,4 |
| Wysokość [mm] | 55 |
| Ø rozmieszczenia otworów [mm] | 127 |
| Typ tarczy hamulcowej | wentylowany |
| Średnica otworu centrującego [mm] | 72 |
| Liczba otworów | 5 |
| Średnica otworu do [mm] | 16,6 |
60-09-913C_ASHTARCZA HAMULCOWA
Mag. główny0
| Strona zabudowy | Oś przednia |
| Ø rozmieszczenia otworów [mm] | 72 |
| Wysokość [mm] | 56 |
| Średnica zewnętrzna [mm] | 302 |
| Grubość tarczy hamulcowej [mm] | 28 |
| Minimalna grubość [mm] | 26 |
| Liczba otworów | 5 |
| Typ tarczy hamulcowej | wentylowany |
| Powierzchnia | lakierowany |
| dla numeru OE | 52060137AB |
0986479C38_BOSTARCZA HAMULC. JEEP WRANGLER 06- PRZÓD
BD2177
Mag. główny0
00| Średnica zewnętrzna [mm] | 302 |
| Grubość tarczy hamulcowej [mm] | 28 |
| Minimalna grubość [mm] | 26,4 |
| Wysokość [mm] | 55 |
| Ø rozmieszczenia otworów [mm] | 127 |
| Typ tarczy hamulcowej | wentylowany |
| Średnica otworu centrującego [mm] | 72 |
| Liczba otworów | 5 |
| Powierzchnia | pokryty |
| spełnia wymagania Normy ECE | ECE-R90 |
| Średnica otworu do [mm] | 16,6 |
92253303_TXRTARCZA HAMULCOWA
Mag. główny0
0| Typ tarczy hamulcowej | wentylowany zewnętrznie |
| Średnica zewnętrzna [mm] | 302 |
| Grubość tarczy hamulcowej [mm] | 28 |
| Wysokość [mm] | 55 |
| Minimalna grubość [mm] | 26,4 |
| Powierzchnia | pokryty |
| Średnica wewnętrzna [mm] | 165 |
| Ø rozmieszczenia otworów [mm] | 127 |
| Średnica otworu centrującego [mm] | 72 |
| Wzór otworów/liczba otworów | 05/05 |
| Średnica otworu szpilki koła [mm] | 16,6 |
| Informacja uzupełniająca | bez piasty koła |
| Informacja uzupełniająca | bez łożyska koła |
| Informacja uzupełniająca | bez sworznia mocującego koła |
| Długość opakowania [cm] | 31,3 |
| Szerokość opakowania [cm] | 31,3 |
| Wysokość opakowania [cm] | 14 |
| Ciężar [kg] | 7,3 |