61-01-126C_ASHTARCZA HAMULCOWA
Mag. główny0
| Strona zabudowy | Oś tylna |
| Ø rozmieszczenia otworów [mm] | 68 |
| Wysokość [mm] | 45 |
| średnica zewnętrzna [mm] | 258 |
| Grubość tarczy hamulcowej [mm] | 9 |
| Minimalna grubość [mm] | 7 |
| Liczba otworów | 4 |
| Typ tarczy hamulcowej | pełny |
| system hamulcowy | BENDIX |
| Oznaczenie kontrolne | ECE R90 APPROVED |
| Powierzchnia | lakierowany |
| Moment dokręcenia [Nm] | 108 |
| dla numeru OE | 4320654C01 |
61-01-131C_ASHTARCZA HAMULCOWA
Mag. główny0
| Strona zabudowy | Oś tylna |
| Ø rozmieszczenia otworów [mm] | 68 |
| Wysokość [mm] | 33,4 |
| średnica zewnętrzna [mm] | 257,4 |
| Grubość tarczy hamulcowej [mm] | 9 |
| Minimalna grubość [mm] | 7 |
| Liczba otworów | 4 |
| Typ tarczy hamulcowej | pełny |
| system hamulcowy | SUMITOMO |
| Oznaczenie kontrolne | ECE R90 APPROVED |
| Powierzchnia | lakierowany |
| dla numeru OE | 4320654C00 |
ADN14365_BLPTARCZA HAMULC. NISSAN ALMERA 98-00 TYŁ (+ABS)
NISSAN SUNNY GTI 2.0I 16V, 100NX GTI 2.0I 16V 90->,ALMERA N15 ABS 1.4 97->,1.6 98->,2.0D 99-> (258MM/NIEWENTYLOWANA)
Mag. główny0
00| Grubość tarczy hamulcowej [mm] | 9,5 |
| Felga, liczba otworów | 4 |
| Grubość [mm] | 45 |
| średnica zewnętrzna [mm] | 258 |
| Ø rozmieszczenia otworów [mm] | 100 |
| Powierzchnia | pokryty |
| Typ tarczy hamulcowej | pełny |
| Strona zabudowy | Oś tylna |
| Minimalna grubość [mm] | 8 |
| Średnica otworu centrującego [mm] | 68,1 |
| uwzględnić informację serwisową |
08.5443.40_BRETARCZA HAMULC. NISSAN ALMERA 98-00 TYŁ (+ABS)
(258x9mm) NISSAN ALMERA I Hatchback (N15) 09/95-03/00 ALMERA I (N15) 09/95-07/00
Mag. główny0
00| Typ tarczy hamulcowej | pełny |
| Grubość tarczy hamulcowej [mm] | 9 |
| Liczba otworów | 4 |
| Wysokość [mm] | 45 |
| Średnica otworu centrującego [mm] | 68 |
| średnica zewnętrzna [mm] | 258 |
| Minimalna grubość [mm] | 8 |
| Moment dokręcenia [Nm] | 108 |
BG3125_DELTARCZA HAMULCOWA
Mag. główny0
0| Typ tarczy hamulcowej | pełny |
| Liczba otworów | 4 |
| Oznaczenie kontrolne | E1 90R-02C0100/1590 |
| Powierzchnia | naoliwione |
| średnica zewnętrzna [mm] | 258 |
| Grubość tarczy hamulcowej [mm] | 9 |
| Minimalna grubość [mm] | 8 |
| Średnica otworu centrującego [mm] | 68 |
| Wysokość [mm] | 44 |
108596_FEBTARCZA HAMULC. NISSAN ALMERA 98-00 TYŁ (+ABS)
(258x9mm)
Mag. główny0
00| Grubość tarczy hamulcowej [mm] | 9,5 |
| Felga, liczba otworów | 4 |
| Grubość [mm] | 45 |
| średnica zewnętrzna [mm] | 258 |
| Ø rozmieszczenia otworów [mm] | 100 |
| Powierzchnia | pokryty |
| Typ tarczy hamulcowej | pełny |
| Strona zabudowy | Oś tylna |
| Minimalna grubość [mm] | 8 |
| Średnica otworu centrującego [mm] | 68,1 |
| uwzględnić informację serwisową |
40H1011-JPN_JPNTARCZA HAMULC. NISSAN
NISSAN SUNNY GTI 2.0I 16V, 100NX GTI 2.0I 16V 90->,ALMERA N15 ABS 1.4 97->,1.6 98->,2.0D 99-> (258MM/NIEWENTYLOWANA)
40H1011-OYO_OYOTARCZA HAMULC.NISSAN
SUNNY GTI 2.0I 16V, 100NX GTI 2.0I 16V 90->,ALMERA N15 ABS 1.4 97->,1.6 98->,2.0D 99-> (258MM/NIEWENTYLOWANA)
92079900_TXRTARCZA HAMULCOWA
Mag. główny0
0| Typ tarczy hamulcowej | pełny |
| średnica zewnętrzna [mm] | 257 |
| Grubość tarczy hamulcowej [mm] | 9 |
| Wysokość [mm] | 44,6 |
| Minimalna grubość [mm] | 8 |
| Średnica wewnętrzna [mm] | 155,2 |
| Ø rozmieszczenia otworów [mm] | 100 |
| Średnica otworu centrującego [mm] | 68,1 |
| Wzór otworów/liczba otworów | 04/06 |
| Średnica otworu szpilki koła [mm] | 13 |
| Informacja uzupełniająca | bez piasty koła |
| Informacja uzupełniająca | bez łożyska koła |
| Informacja uzupełniająca | bez sworznia mocującego koła |
| Długość opakowania [cm] | 27,8 |
| Szerokość opakowania [cm] | 27,8 |
| Wysokość opakowania [cm] | 10,5 |
| Ciężar [kg] | 3,3 |
92079903_TXRTARCZA HAMULCOWA
Mag. główny0
| Typ tarczy hamulcowej | pełny |
| średnica zewnętrzna [mm] | 257 |
| Grubość tarczy hamulcowej [mm] | 9 |
| Wysokość [mm] | 44,6 |
| Minimalna grubość [mm] | 8 |
| Powierzchnia | pokryty |
| Średnica wewnętrzna [mm] | 155,2 |
| Ø rozmieszczenia otworów [mm] | 100 |
| Średnica otworu centrującego [mm] | 68,1 |
| Wzór otworów/liczba otworów | 04/06 |
| Średnica otworu szpilki koła [mm] | 13 |
| Informacja uzupełniająca | bez piasty koła |
| Informacja uzupełniająca | bez łożyska koła |
| Informacja uzupełniająca | bez sworznia mocującego koła |
| Długość opakowania [cm] | 27,8 |
| Szerokość opakowania [cm] | 27,8 |
| Wysokość opakowania [cm] | 10,5 |
| Ciężar [kg] | 3,3 |
DF4000_LUCREFERENCJA WYCOFANA Z OFERTY
4320654C01
Mag. główny0
0| Typ tarczy hamulcowej | pełny |
| średnica zewnętrzna [mm] | 258 |
| Grubość tarczy hamulcowej [mm] | 9 |
| Minimalna grubość [mm] | 8 |
| Średnica otworu centrującego [mm] | 68 |
| Wysokość [mm] | 44,4 |
| Liczba otworów | 4 |
| Wymiar gwintu | 12,7 |
| Ø rozmieszczenia otworów [mm] | 100 |
| Kolor | czarny |
| Powierzchnia | lakierowany |
| Oznaczenie kontrolne | E190R-02C0190/0174 |
186564_VALTARCZA HAMULCOWA
Mag. główny0
| Strona zabudowy | Oś tylna |
| Typ tarczy hamulcowej | pełny |
| średnica zewnętrzna [mm] | 258 |
| Grubość tarczy hamulcowej [mm] | 9 |
| Średnica otworu centrującego [mm] | 68 |
| Wysokość [mm] | 44,5 |
| Minimalna grubość [mm] | 8 |
| Felga, liczba otworów | 4 |
| Liczba otworów do mocowania | 2 |
| Ciężar [kg] | 6,88 |
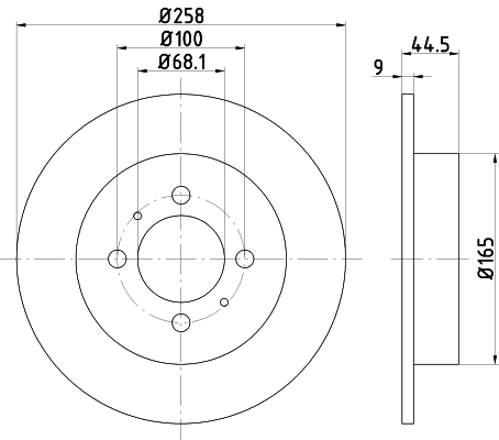
673573_VALTARCZA HAMULCOWA
Mag. główny0
| Strona zabudowy | Oś tylna |
| Typ tarczy hamulcowej | pełny |
| Powierzchnia | pokryty |
| Przetwarzanie | wysoko nawęglany |
| średnica zewnętrzna [mm] | 257 |
| Grubość tarczy hamulcowej [mm] | 9 |
| Wysokość [mm] | 44,6 |
| Minimalna grubość [mm] | 8 |
| Felga, liczba otworów | 4 |
| Liczba otworów do mocowania | 2 |
| Informacja uzupełniająca | bez pierścienia nadajnika impulsów ABS |
| Informacja uzupełniająca | bez zintegrowanego łożyska koła |
| Oznaczenie kontrolne | ECE-R90 |
| Ciężar [kg] | 6,92 |