ADH24387_BLPTARCZA HAMULC. HONDA CR-V II 02-06 TYŁ
HONDA CR-V II (RD8) 02- (282mm)
Mag. główny0
00| Grubość tarczy hamulcowej [mm] | 9 |
| Felga, liczba otworów | 5 |
| Liczba otworów do mocowania | 5 |
| Grubość [mm] | 59 |
| Średnica zewnętrzna [mm] | 282 |
| Ø rozmieszczenia otworów [mm] | 114 |
| Powierzchnia | pokryty |
| Typ tarczy hamulcowej | pełny |
| Strona zabudowy | Oś tylna |
| Minimalna grubość [mm] | 7,5 |
| Średnica otworu centrującego [mm] | 64 |
| uwzględnić informację serwisową |
108427_FEBTARCZA HAMULC. HONDA CR-V II 02-06 TYŁ
(281x9mm)
Mag. główny0
00| Grubość tarczy hamulcowej [mm] | 9 |
| Felga, liczba otworów | 5 |
| Liczba otworów do mocowania | 5 |
| Grubość [mm] | 59 |
| Średnica zewnętrzna [mm] | 282 |
| Ø rozmieszczenia otworów [mm] | 114,3 |
| Powierzchnia | pokryty |
| Typ tarczy hamulcowej | pełny |
| Strona zabudowy | Oś tylna |
| Minimalna grubość [mm] | 7,5 |
| Średnica otworu centrującego [mm] | 64 |
| uwzględnić informację serwisową |
103390_KAMTARCZA HAMULC. HONDA CR-V II 02-06 TYŁ
HONDA CR-V 01-07, CROSSROAD 07-10
Mag. główny0
00| Strona zabudowy | Oś tylna |
| Typ tarczy hamulcowej | pełny |
| Grubość tarczy hamulcowej [mm] | 9 |
| Ø rozmieszczenia otworów [mm] | 114 |
| Liczba otworów | 5 |
| Felga, liczba otworów | 5 |
| Wysokość [mm] | 58 |
| Średnica otworu centrującego [mm] | 64 |
| Powierzchnia | pokryty |
| Średnica zewnętrzna [mm] | 282 |
| Liczba otworów do mocowania | 5 |
VKBD 91098 S2_SKFTARCZA HAMULCOWA
Mag. główny0
0| Typ tarczy hamulcowej | pełny |
| Średnica zewnętrzna [mm] | 281 |
| Grubość tarczy hamulcowej [mm] | 9 |
| Wysokość [mm] | 59 |
| Ø rozmieszczenia otworów [mm] | 114,3 |
| Średnica otworu centrującego [mm] | 64,2 |
| Liczba otworów | 5 |
| Powierzchnia | pokryty |
| Minimalna grubość [mm] | 7,5 |
33 10 6925_SWGTARCZA HAMULCOWA
Mag. główny0
| Grubość tarczy hamulcowej [mm] | 9 |
| Felga, liczba otworów | 5 |
| Liczba otworów do mocowania | 5 |
| Grubość [mm] | 59 |
| Średnica zewnętrzna [mm] | 282 |
| Ø rozmieszczenia otworów [mm] | 114,3 |
| Powierzchnia | pokryty |
| Typ tarczy hamulcowej | pełny |
| Strona zabudowy | Oś tylna |
| Minimalna grubość [mm] | 7,5 |
| Średnica otworu centrującego [mm] | 64 |
92165700_TXRTARCZA HAMULCOWA
Mag. główny0
| Typ tarczy hamulcowej | pełny |
| Średnica zewnętrzna [mm] | 282 |
| Grubość tarczy hamulcowej [mm] | 9 |
| Wysokość [mm] | 58,8 |
| Minimalna grubość [mm] | 7,5 |
| Średnica wewnętrzna [mm] | 169,8 |
| Ø rozmieszczenia otworów [mm] | 114,3 |
| Średnica otworu centrującego [mm] | 64,1 |
| Wzór otworów/liczba otworów | 05/10 |
| Średnica otworu szpilki koła [mm] | 12,8 |
| Informacja uzupełniająca | bez piasty koła |
| Informacja uzupełniająca | bez łożyska koła |
| Informacja uzupełniająca | bez sworznia mocującego koła |
| Długość opakowania [cm] | 31,3 |
| Szerokość opakowania [cm] | 31,3 |
| Wysokość opakowania [cm] | 14 |
| Ciężar [kg] | 4,2 |
92165703_TXRTARCZA HAMULCOWA
Mag. główny0
0| Typ tarczy hamulcowej | pełny |
| Średnica zewnętrzna [mm] | 282 |
| Grubość tarczy hamulcowej [mm] | 9 |
| Wysokość [mm] | 58,8 |
| Minimalna grubość [mm] | 7,5 |
| Powierzchnia | pokryty |
| Średnica wewnętrzna [mm] | 169,8 |
| Ø rozmieszczenia otworów [mm] | 114,3 |
| Średnica otworu centrującego [mm] | 64,1 |
| Wzór otworów/liczba otworów | 05/10 |
| Średnica otworu szpilki koła [mm] | 12,8 |
| Informacja uzupełniająca | bez piasty koła |
| Informacja uzupełniająca | bez łożyska koła |
| Informacja uzupełniająca | bez sworznia mocującego koła |
| Długość opakowania [cm] | 31,3 |
| Szerokość opakowania [cm] | 31,3 |
| Wysokość opakowania [cm] | 14 |
| Ciężar [kg] | 4,2 |
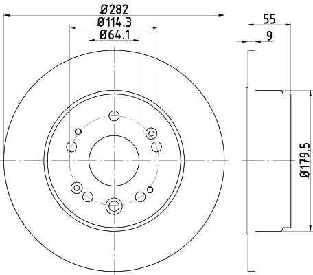
92260103_TXRTARCZA HAMULCOWA
Mag. główny0
| Typ tarczy hamulcowej | pełny |
| Średnica zewnętrzna [mm] | 282 |
| Grubość tarczy hamulcowej [mm] | 9 |
| Wysokość [mm] | 55 |
| Minimalna grubość [mm] | 7,5 |
| Powierzchnia | pokryty |
| Ø rozmieszczenia otworów [mm] | 114,3 |
| Średnica otworu centrującego [mm] | 64 |
| Wzór otworów/liczba otworów | 05/10 |
| Informacja uzupełniająca | bez piasty koła |
| Informacja uzupełniająca | bez sworznia mocującego koła |
| Ciężar [kg] | 4,4 |