ADZ94318_BLPTARCZA HAMULCOWA NISSAN
PRIMASTAR 02- /BEZ ŁOŻYSKA/ TYLNA
Mag. główny0
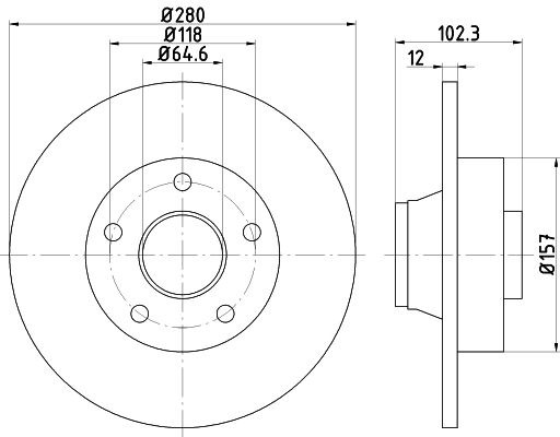
00| Grubość tarczy hamulcowej [mm] | 12 |
| Felga, liczba otworów | 5 |
| Grubość [mm] | 102 |
| średnica zewnętrzna [mm] | 280 |
| Ø rozmieszczenia otworów [mm] | 118 |
| Powierzchnia | pokryty |
| Typ tarczy hamulcowej | pełny |
| Strona zabudowy | Oś tylna |
| Minimalna grubość [mm] | 10 |
| Średnica otworu centrującego [mm] | 64 |
| Ciężar [kg] | 8,145 |
| uwzględnić informację serwisową |
ADZ94334_BLPTARCZA HAMULC. RENAULT
TRAFIC II Autobus (JL) 2001.03->
Mag. główny0
00| Grubość tarczy hamulcowej [mm] | 12 |
| Felga, liczba otworów | 5 |
| Grubość [mm] | 102 |
| średnica zewnętrzna [mm] | 280 |
| Ø rozmieszczenia otworów [mm] | 118 |
| Powierzchnia | naoliwione |
| Typ tarczy hamulcowej | pełny |
| Strona zabudowy | Oś tylna |
| Minimalna grubość [mm] | 10 |
| Średnica otworu centrującego [mm] | 65 |
| Ciężar [kg] | 9,47 |
| Informacja uzupełniająca | z pierścieniem nadajnika impulsów ABS |
| Informacja uzupełniająca | z nakładką ze smarem |
| uwzględnić informację serwisową |
28151_FEBTARCZA HAMULC.+ŁOŻYSKO(ZEST. 1 SZT) RENAULT
PRIMASTAR autobus (X83)
Mag. główny0
00| Grubość tarczy hamulcowej [mm] | 12 |
| Felga, liczba otworów | 5 |
| Grubość [mm] | 102,3 |
| średnica zewnętrzna [mm] | 280 |
| Ø rozmieszczenia otworów [mm] | 118 |
| Powierzchnia | naoliwione |
| Typ tarczy hamulcowej | pełny |
| Strona zabudowy | Oś tylna |
| Minimalna grubość [mm] | 10 |
| Średnica otworu centrującego [mm] | 65 |
| Ciężar [kg] | 9,47 |
| Informacja uzupełniająca | z nakładką ze smarem |
| Informacja uzupełniająca | z pierścieniem nadajnika impulsów ABS |
| uwzględnić informację serwisową |
40H9100K-JPN_JPNTARCZA HAMULC.+ŁOŻYSKO RENAULT TRAFIC 01- TYŁ
(280x12mm) OPEL VIVARO 03/01- tarcza z łożyskiem KOMPLET - ZAWIERA ŁOŻYSKO, PIERŚCIEŃ ABS, NAKRĘTKĘ, POKRYWĘ PIASTY
Mag. główny0
0| Typ tarczy hamulcowej | pełny |
| Felga, liczba otworów | 5 |
| Wysokość [mm] | 102,5 |
| Grubość tarczy hamulcowej [mm] | 12 |
| średnica zewnętrzna [mm] | 280 |
| średnica piasty [mm] | 64 |
60 92 8151_SWGTARCZA HAMULCOWA
Mag. główny0
| Grubość tarczy hamulcowej [mm] | 12 |
| Felga, liczba otworów | 5 |
| Grubość [mm] | 102,3 |
| średnica zewnętrzna [mm] | 280 |
| Ø rozmieszczenia otworów [mm] | 118 |
| Powierzchnia | naoliwione |
| Typ tarczy hamulcowej | pełny |
| Strona zabudowy | Oś tylna |
| Minimalna grubość [mm] | 10 |
| Średnica otworu centrującego [mm] | 65 |
| Ciężar [kg] | 9,47 |
| Informacja uzupełniająca | z pierścieniem nadajnika impulsów ABS |
| Informacja uzupełniająca | z nakładką ze smarem |
2398001-1537-00_TXRZESTAW DO HAMULCÓW, HAMULCE TARCZOWE
Mag. główny0
| Typ tarczy hamulcowej | pełny |
| średnica zewnętrzna [mm] | 280 |
| Grubość tarczy hamulcowej [mm] | 12 |
| Styk ostrzegawczy o zużyciu | ze stykiem zużycia |
| system hamulcowy | Lucas |
92131600_TXRTARCZA HAMULCOWA
Mag. główny0
| Typ tarczy hamulcowej | pełny |
| średnica zewnętrzna [mm] | 280 |
| Grubość tarczy hamulcowej [mm] | 12 |
| Wysokość [mm] | 102,2 |
| Minimalna grubość [mm] | 10 |
| Ø rozmieszczenia otworów [mm] | 118 |
| Średnica otworu centrującego [mm] | 64,6 |
| Wzór otworów/liczba otworów | 05/05 |
| Informacja uzupełniająca | z piastą |
| Informacja uzupełniająca | bez łożyska koła |
| Informacja uzupełniająca | bez sworznia mocującego koła |
| Ciężar [kg] | 5,6 |
92153703_TXRTARCZA HAMULCOWA
Mag. główny0
0| Typ tarczy hamulcowej | pełny |
| średnica zewnętrzna [mm] | 280 |
| Grubość tarczy hamulcowej [mm] | 12 |
| Minimalna grubość [mm] | 10 |
| Powierzchnia | pokryty |
| Wysokość [mm] | 102,3 |
| Wzór otworów/liczba otworów | 05/05 |
| Ø rozmieszczenia otworów [mm] | 118 |
| Średnica otworu centrującego [mm] | 62,5 |
| Średnica końcówki wałka [mm] | 35 |
| Średnica wewnętrzna [mm] | 142 |
| Średnica otworu szpilki koła [mm] | 14 |
| Informacja uzupełniająca | z pierścieniem nadajnika impulsów ABS |
| Liczba zębów, pierścień ABS | 48 |
| Informacja uzupełniająca | z łożyskiem koła |
| Artykuł uzupełniający / informacja uzupełniająca | z nakrętką osiową |
| Informacja uzupełniająca | bez sworznia mocującego koła |
| Informacja uzupełniająca | z piastą |
| Długość opakowania [cm] | 30,8 |
| Szerokość opakowania [cm] | 30,8 |
| Wysokość opakowania [cm] | 12,7 |
| Ciężar [kg] | 9,1 |
207 072_HPTARCZA HAMULCOWA
Mag. główny0
0| Strona zabudowy | Oś tylna |
| Typ tarczy hamulcowej | pełny |
| Informacja uzupełniająca | z łożyskiem koła |
| Informacja uzupełniająca | z pierścieniem nadajnika impulsów ABS |
| średnica zewnętrzna [mm] | 280 |
| średnica piasty [mm] | 154 |
| Średnica otworu centrującego [mm] | 64,5 |
| Grubość tarczy hamulcowej [mm] | 12 |
| Wysokość [mm] | 50 |
| Wysokość 1 [mm] | 87,5 |
| Wysokość 2 [mm] | 102 |
| Felga, liczba otworów | 5 |
| Ø rozmieszczenia otworów [mm] | 118 |
| Zamiana tylko w parach |