60-05-523C_ASHTARCZA HAMULCOWA
Mag. główny0
| Strona zabudowy | Oś przednia |
| Ø rozmieszczenia otworów [mm] | 86 |
| Wysokość [mm] | 33,8 |
| średnica zewnętrzna [mm] | 266 |
| Grubość tarczy hamulcowej [mm] | 24,2 |
| Minimalna grubość [mm] | 23 |
| Liczba otworów | 4 |
| Typ tarczy hamulcowej | wentylowany |
| Powierzchnia | lakierowany |
| dla numeru OE | MB534607 |
24.0110-0266.1_ATETARCZA HAMULC. MITSUBISHI CARISMA 95- TYŁ(+ABS)
Mitsubishi Carisma 1,6 95- tył (+ABS)
Mag. główny0
0| średnica zewnętrzna [mm] | 236,0 |
| Grubość tarczy hamulcowej [mm] | 10,0 |
| Minimalna grubość [mm] | 8,4 |
| Typ tarczy hamulcowej | pełny |
| Liczba otworów | 4 |
| Wysokość [mm] | 41,0 |
| Średnica otworu centrującego [mm] | 64,0 |
| Średnica wewnętrzna [mm] | 144,0 |
| Ø rozmieszczenia otworów [mm] | 100,0 |
| Średnica otworu [mm] | 12,6 |
| Dostępne MAPP-Code |
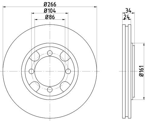
92094800_TXRTARCZA HAMULCOWA
Mag. główny0
| Typ tarczy hamulcowej | z wentylacją wewnętrzną |
| średnica zewnętrzna [mm] | 266 |
| Grubość tarczy hamulcowej [mm] | 24 |
| Wysokość [mm] | 34 |
| Minimalna grubość [mm] | 22,4 |
| Ø rozmieszczenia otworów [mm] | 104 |
| Średnica otworu centrującego [mm] | 86 |
| Wzór otworów/liczba otworów | 04/04 |
| Informacja uzupełniająca | bez piasty koła |
| Informacja uzupełniająca | bez sworznia mocującego koła |
| Ciężar [kg] | 5,5 |