2929-S_ABSBĘBEN HAMULC. DACIA LOGAN 04-
Mag. główny0
0| Średnica wewnętrzna bębna hamulca [mm] | 203 |
| Wewnętrzna wysokość bębna hamulca [mm] | 48 |
| Całkowita wysokość bębna hamulca [mm] | 76 |
| Felga, liczba otworów | 4 |
| Średnica piasty koła [mm] | 55 |
| Średnica zewnętrzna bębna hamulca [mm] | 234 |
| Ø rozmieszczenia otworów [mm] | 100 |
| Średnica piasty koła 2 [mm] | 25 |
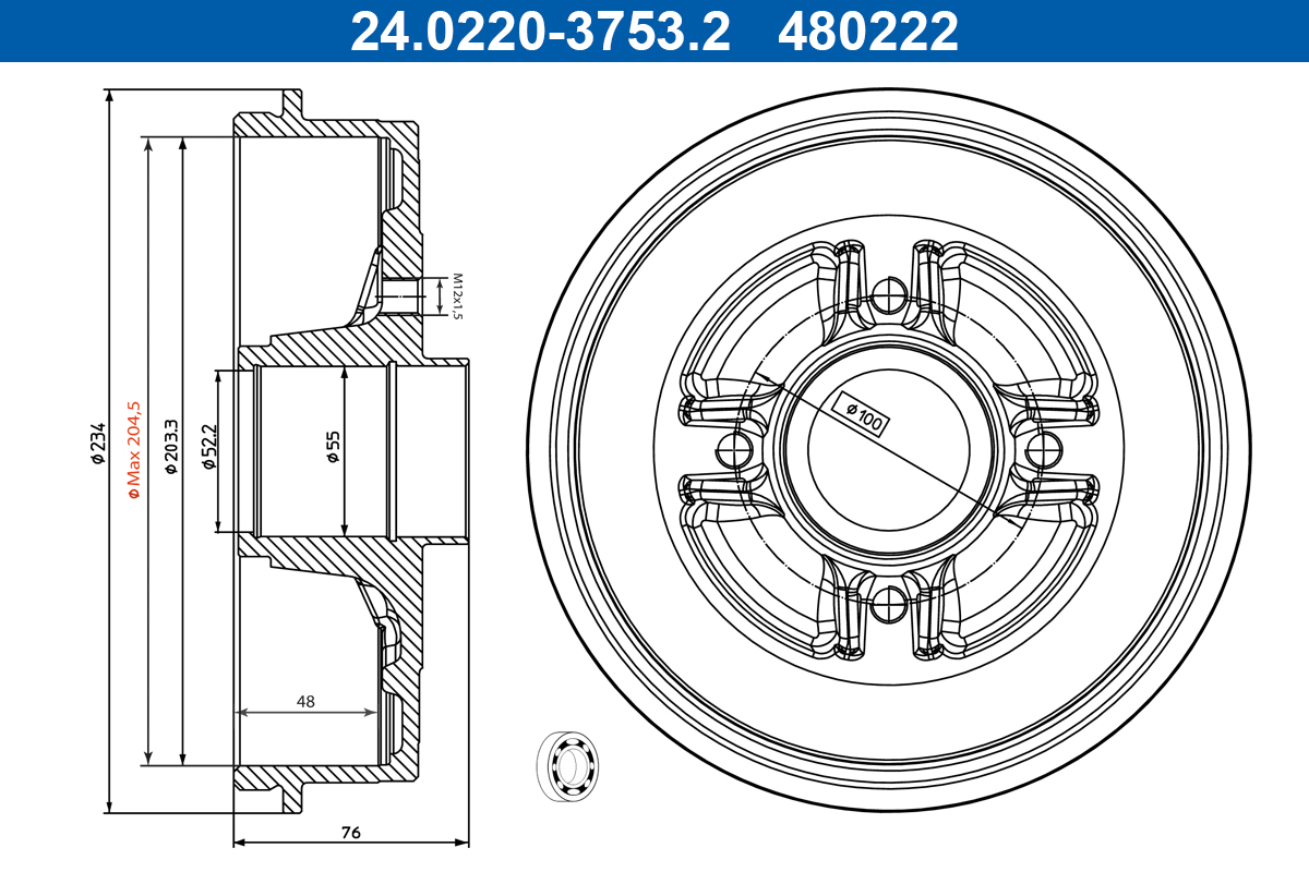
24.0220-3753_ATEBĘBEN HAMULC. DACIA LOGAN 04-
Mag. główny0
0| Informacja uzupełniająca | z łożyskiem koła |
| Informacja uzupełniająca | bez pierścienia nadajnika impulsów ABS |
| Średnica wewnętrzna bębna hamulca [mm] | 203,3 |
| maks. wielkość poślizgu bębna [mm] | 204,5 |
| Wewnętrzna wysokość bębna hamulca [mm] | 48,0 |
| Średnica mocowania [mm] | 55,0 |
| Liczba otworów | 4 |
| Ø rozmieszczenia otworów [mm] | 100,0 |
| Wymiar gwintu | M12x1,5 |
| Całkowita wysokość bębna hamulca [mm] | 76,0 |
| Średnica zewnętrzna bębna hamulca [mm] | 234,0 |
| Oznaczenie kontrolne | E1 90R-02D0955/0095 |
| Dostępne MAPP-Code |
BFR624_DELBĘBEN HAMULCOWY
Mag. główny0
0| Typ układu hamulcowego | Bęben hamulcowy z łożyskiem |
| Informacja uzupełniająca | z łożyskiem koła |
| Średnica wewnętrzna bębna hamulca [mm] | 203 |
| Wewnętrzna wysokość bębna hamulca [mm] | 48 |
| Ø rozmieszczenia otworów [mm] | 100 |
| Całkowita wysokość bębna hamulca [mm] | 76 |
| Średnica zewnętrzna bębna hamulca [mm] | 234 |
| Liczba otworów | 4 |
| Średnica otworu centrującego [mm] | 25 |
94050000_TXRBĘBEN HAMULCOWY
Mag. główny0
| Średnica zewnętrzna bębna hamulca [mm] | 234 |
| Całkowita wysokość bębna hamulca [mm] | 76 |
| Średnica wewnętrzna bębna hamulca [mm] | 203 |
| Wewnętrzna wysokość bębna hamulca [mm] | 48 |
| maks. wielkość poślizgu bębna [mm] | 204,5 |
| Wzór otworów/liczba otworów | 04/04 |
| Ø rozmieszczenia otworów [mm] | 100 |
| Średnica otworu centrującego [mm] | 55 |
| Średnica końcówki wałka [mm] | 25 |
| Średnica otworu szpilki koła [mm] | 12 |
| Informacja uzupełniająca | z piastą |
| Informacja uzupełniająca | z łożyskiem koła |
| Informacja uzupełniająca | bez sworznia mocującego koła |
| Długość opakowania [cm] | 26,3 |
| Szerokość opakowania [cm] | 25,9 |
| Wysokość opakowania [cm] | 11,1 |
| Ciężar [kg] | 5,3 |
DB4575B_LUCBĘBEN HAMULC. DACIA LOGAN 04- (Z ŁOŻYSKIEM)
Mag. główny0
0| Liczba otworów | 4 |
| Średnica zewnętrzna bębna hamulca [mm] | 234 |
| Średnica wewnętrzna bębna hamulca [mm] | 203 |
| Całkowita wysokość bębna hamulca [mm] | 77 |
| Wewnętrzna wysokość bębna hamulca [mm] | 50 |
| Średnica otworu centrującego [mm] | 52,2 |
| Informacja uzupełniająca | ze zintegrowanym łożyskiem koła |
| Informacja uzupełniająca | z pierścieniem nadajnika impulsów ABS |