800-794C_CIFTARCZA HAMULC. PEUGEOT 407 04-
(283x26mm) PEUGEOT 607 (9D, 9U) 02/00-
Mag. główny0
0| Oznaczenie kontrolne | ECE-R90 |
| Wysokość [mm] | 48,3 |
| Typ tarczy hamulcowej | wentylowany |
| Grubość tarczy hamulcowej [mm] | 26,0 |
| Średnica zewnętrzna [mm] | 283,0 |
| Liczba otworów | 5 |
| Średnica otworu centrującego [mm] | 71,0 |
| Powierzchnia | lakierowany |
17363_ABSTARCZA HAMULC. PEUGEOT 407 04-
(283x26mm)
Mag. główny2
0| Średnica zewnętrzna [mm] | 283 |
| Grubość tarczy hamulcowej [mm] | 26 |
| Minimalna grubość [mm] | 24 |
| Wysokość [mm] | 48 |
| Felga, liczba otworów | 5 |
| Typ tarczy hamulcowej | wentylowany |
| Średnica otworu centrującego [mm] | 71 |
| Ø rozmieszczenia otworów [mm] | 108 |
| Powierzchnia | pokryty |
| Średnica piasty [mm] | 143 |
24.0126-0121_ATETARCZA HAMULC. PEUGEOT 407 04-
(283x26mm) Peugeot 607 2,0 - 2,2HDI 00- ,407 1,6HDI - 2,0HDI 04-
Mag. główny0
00| Średnica zewnętrzna [mm] | 283,0 |
| Grubość tarczy hamulcowej [mm] | 26,0 |
| Minimalna grubość [mm] | 24,0 |
| Typ tarczy hamulcowej | wentylowany |
| Przetwarzanie | stopowy / wysoko nawęglany |
| Powierzchnia | pokryty |
| Liczba otworów | 5 |
| Wysokość [mm] | 48,3 |
| Średnica otworu centrującego [mm] | 71,1 |
| Średnica wewnętrzna [mm] | 133,0 |
| Ø rozmieszczenia otworów [mm] | 108,0 |
| Średnica otworu [mm] | 13,2 |
| Informacja uzupełniająca | ze śrubami |
| Dostępne MAPP-Code | |
| Oznaczenie kontrolne | E1 90R-02C0115/0439 |
ADP154337_BLPTARCZA HAMULC. PEUGEOT 508 I 10-18 PRZÓD
COMBO E Tour / Life (K9) 1.2 2018.06->
Mag. główny0
00| Grubość tarczy hamulcowej [mm] | 26 |
| Felga, liczba otworów | 5 |
| Liczba otworów do mocowania | 2 |
| Grubość [mm] | 48 |
| Średnica zewnętrzna [mm] | 283 |
| Ø rozmieszczenia otworów [mm] | 108 |
| Powierzchnia | pokryty |
| Typ tarczy hamulcowej | z wentylacją wewnętrzną |
| Strona zabudowy | Oś przednia |
| Minimalna grubość [mm] | 24 |
| Średnica otworu centrującego [mm] | 71 |
| uwzględnić informację serwisową |
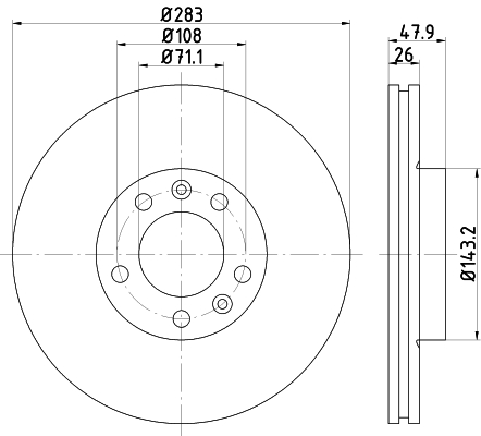
0986479193_BOSTARCZA HAMULC. PEUGEOT 407 04-
(283x26mm) Peugeot 607 2,0 - 2,2HDI 00- ,407 1,6HDI - 2,0HDI 04-
Mag. główny0
00| Średnica zewnętrzna [mm] | 282,8 |
| Grubość tarczy hamulcowej [mm] | 26 |
| Minimalna grubość [mm] | 24,7 |
| Wysokość [mm] | 47,9 |
| Ø rozmieszczenia otworów [mm] | 108 |
| Typ tarczy hamulcowej | wentylowany |
| Średnica otworu centrującego [mm] | 71,1 |
| Liczba otworów | 5 |
| Powierzchnia | pokryty |
| Przetwarzanie | stopowy / wysoko nawęglany |
| spełnia wymagania Normy ECE | ECE-R90 |
| Średnica otworu do [mm] | 13,4 |
09.8303.11_BRETARCZA HAMULC. PEUGEOT 407 04-
(283x26mm) PEUGEOT 607 (9D, 9U) 02/00-
Mag. główny0
00| Typ tarczy hamulcowej | z wentylacją wewnętrzną |
| Grubość tarczy hamulcowej [mm] | 26 |
| Liczba otworów | 5 |
| Informacja uzupełniająca | ze śrubami |
| Wysokość [mm] | 48 |
| Średnica otworu centrującego [mm] | 71 |
| Średnica zewnętrzna [mm] | 283 |
| Powierzchnia | pokryty |
| Minimalna grubość [mm] | 24 |
| Moment dokręcenia [Nm] | 90 |
09.8303.1X_BRETARCZA HAMULC. PEUGEOT 407 04-
(283x26mm) PEUGEOT 607 (9D, 9U) 02/00-
Mag. główny0
00| Typ tarczy hamulcowej | perforowany / wentylowany wewnętrznie |
| Grubość tarczy hamulcowej [mm] | 26 |
| Liczba otworów | 5 |
| Informacja uzupełniająca | ze śrubami |
| Wysokość [mm] | 48 |
| Średnica otworu centrującego [mm] | 71 |
| Średnica zewnętrzna [mm] | 283 |
| Powierzchnia | pokryty |
| Minimalna grubość [mm] | 24,5 |
| Moment dokręcenia [Nm] | 90 |
09.8303.75_BRETARCZA HAMULC. PEUGEOT 407 04-
(283x26mm) BREMBO MAX PEUGEOT 607 (9D, 9U) 02/00-
Mag. główny0
0| Typ tarczy hamulcowej | z wentylacją wewnętrzną |
| Typ tarczy hamulcowej | szczelinowy |
| Grubość tarczy hamulcowej [mm] | 26 |
| Liczba otworów | 5 |
| Informacja uzupełniająca | ze śrubami |
| Wysokość [mm] | 48 |
| Średnica otworu centrującego [mm] | 71 |
| Średnica zewnętrzna [mm] | 283 |
| Powierzchnia | pokryty |
| Minimalna grubość [mm] | 24 |
| Moment dokręcenia [Nm] | 90 |
30H9051-JPN_JPNTARCZA HAMULC. PEUGEOT 508 I 10-18 PRZÓD
(283x26mm) PEUGEOT 407 04- , 508 10-
1031082_KAMTARCZA HAMULC. PEUGEOT 508 10- PRZÓD
(282x26mm) PEUGEOT 508 1.6 VTi
Mag. główny0
00| Strona zabudowy | Oś przednia |
| Typ tarczy hamulcowej | wentylowany |
| Grubość tarczy hamulcowej [mm] | 26 |
| Ø rozmieszczenia otworów [mm] | 108 |
| Liczba otworów | 5 |
| Wysokość [mm] | 48 |
| Średnica otworu centrującego [mm] | 71 |
| Powierzchnia | pokryty |
| Średnica zewnętrzna [mm] | 283 |
3B1037_PPHTARCZA HAMULC. PEUGEOT 407 04-
(283x26mm)
Mag. główny0
0| Typ tarczy hamulcowej | wentylowany |
| Felga, liczba otworów | 5 |
| Wysokość [mm] | 48,0 |
| Grubość tarczy hamulcowej [mm] | 26,0 |
| Minimalna grubość [mm] | 24,7 |
| Średnica zewnętrzna [mm] | 283 |
| Ø rozmieszczenia otworów [mm] | 108,0 |
| Średnica piasty 1 [mm] | 71,0 |
052.599_ROPTARCZA HAMULCOWA - MALOWANA

Mag. główny2
TX72-24_TOMTARCZA HAMULC. PEUGEOT 508 10- PRZÓD
(282x26mm)

Mag. główny0
0DF6121_LUCTARCZA HAMULC. PEUGEOT 508 10- PRZÓD
(282x26mm)
Mag. główny2
00| Typ tarczy hamulcowej | wentylowany |
| Średnica zewnętrzna [mm] | 282 |
| Grubość tarczy hamulcowej [mm] | 26 |
| Wysokość [mm] | 48 |
| Liczba otworów | 5 |
| Średnica otworu centrującego [mm] | 71 |
440.3108.20_ZIMTARCZA HAMULC. PEUGEOT 607 00-05
(283x26mm)

Mag. główny0
0440.3111.20_ZIMTARCZA HAMULC. PEUGEOT 407 04-
(283x26mm)
Mag. główny0
00| Strona zabudowy | Oś przednia |
| Typ tarczy hamulcowej | z wentylacją wewnętrzną |
| Powierzchnia | pokryty |
| Średnica zewnętrzna [mm] | 283 |
| Grubość tarczy hamulcowej [mm] | 26 |
| Wysokość [mm] | 48 |
| Felga, liczba otworów | 5 |
| Ø rozmieszczenia otworów [mm] | 108 |
| Średnica otworu centrującego [mm] | 71 |
| Oznaczenie kontrolne | ECE R90 APPROVED |
| Minimalna grubość [mm] | 24 |
| Wzór otworów/liczba otworów | 7/5 |
| Ciężar [kg] | 7,22 |
440.3111.52_ZIMTARCZA HAMULC. PEUGEOT 407 04-
(283x26mm)
Mag. główny0
00| Strona zabudowy | Oś przednia |
| Typ tarczy hamulcowej | z wentylacją wewnętrzną |
| Typ tarczy hamulcowej | perforowany |
| Powierzchnia | pokryty |
| Średnica zewnętrzna [mm] | 283 |
| Grubość tarczy hamulcowej [mm] | 26 |
| Wysokość [mm] | 48 |
| Felga, liczba otworów | 5 |
| Ø rozmieszczenia otworów [mm] | 108 |
| Średnica otworu centrującego [mm] | 71 |
| Oznaczenie kontrolne | KBA 60872 |
| Minimalna grubość [mm] | 24 |
| Wzór otworów/liczba otworów | 7/5 |
| Ciężar [kg] | 7,22 |
ADP154347_BLPTARCZA HAMULC. CITROEN
C4 PICASSO II 2.0 BlueHDi 150 2013.01->
Mag. główny0
00| Grubość tarczy hamulcowej [mm] | 26 |
| Felga, liczba otworów | 5 |
| Liczba otworów do mocowania | 3 |
| Grubość [mm] | 48 |
| Średnica zewnętrzna [mm] | 283 |
| Ø rozmieszczenia otworów [mm] | 108 |
| Powierzchnia | pokryty |
| Typ tarczy hamulcowej | z wentylacją wewnętrzną |
| Strona zabudowy | Oś przednia |
| Minimalna grubość [mm] | 24 |
| Średnica otworu centrującego [mm] | 71 |
| dla numeru OE | 98 059 614 80 |
| uwzględnić informację serwisową |
104526_FEBTARCZA HAMULC. CITROEN C4 GRAND PICASSO 13- PRZÓD
(283x26mm)
Mag. główny0
00| Grubość tarczy hamulcowej [mm] | 26 |
| Felga, liczba otworów | 5 |
| Liczba otworów do mocowania | 3 |
| Grubość [mm] | 48 |
| Średnica zewnętrzna [mm] | 283 |
| Ø rozmieszczenia otworów [mm] | 108 |
| Powierzchnia | pokryty |
| Typ tarczy hamulcowej | z wentylacją wewnętrzną |
| Strona zabudowy | Oś przednia |
| Minimalna grubość [mm] | 24 |
| Średnica otworu centrującego [mm] | 71 |
| dla numeru OE | 98 059 614 80 |
| uwzględnić informację serwisową |
22921_FEBTARCZA HAMULC. PEUGEOT 407 04-
Mag. główny0
00| Grubość tarczy hamulcowej [mm] | 26 |
| Felga, liczba otworów | 5 |
| Liczba otworów do mocowania | 2 |
| Grubość [mm] | 48 |
| Średnica zewnętrzna [mm] | 283 |
| Ø rozmieszczenia otworów [mm] | 108 |
| Powierzchnia | pokryty |
| Typ tarczy hamulcowej | z wentylacją wewnętrzną |
| Strona zabudowy | Oś przednia |
| Minimalna grubość [mm] | 24 |
| Średnica otworu centrującego [mm] | 71 |
| uwzględnić informację serwisową |
GH-403747TARCZA HAMULCOWA
Mag. główny0
| Strona zabudowy | Oś przednia |
| Strona zabudowy | Oś przednia, z prawej |
| Strona zabudowy | Oś przednia, z lewej |
| Grubość tarczy hamulcowej [mm] | 26 |
| Liczba otworów | 5 |
| Ø rozmieszczenia otworów [mm] | 108 |
| Średnica otworu centrującego [mm] | 71 |
| Średnica zewnętrzna [mm] | 283 |
| Typ tarczy hamulcowej | wentylowany |
| Wymiar gwintu | 13,6 |
| Wysokość [mm] | 48 |
62 92 2921_SWGTARCZA HAMULCOWA
Mag. główny0
| Grubość tarczy hamulcowej [mm] | 26 |
| Felga, liczba otworów | 5 |
| Liczba otworów do mocowania | 2 |
| Grubość [mm] | 48 |
| Średnica zewnętrzna [mm] | 283 |
| Ø rozmieszczenia otworów [mm] | 108 |
| Powierzchnia | pokryty |
| Typ tarczy hamulcowej | z wentylacją wewnętrzną |
| Strona zabudowy | Oś przednia |
| Minimalna grubość [mm] | 24 |
| Średnica otworu centrującego [mm] | 71 |
64 10 4526_SWGTARCZA HAMULCOWA
Mag. główny0
| Grubość tarczy hamulcowej [mm] | 26 |
| Felga, liczba otworów | 5 |
| Liczba otworów do mocowania | 3 |
| Grubość [mm] | 48 |
| Średnica zewnętrzna [mm] | 283 |
| Ø rozmieszczenia otworów [mm] | 108 |
| Powierzchnia | pokryty |
| Typ tarczy hamulcowej | z wentylacją wewnętrzną |
| Strona zabudowy | Oś przednia |
| Minimalna grubość [mm] | 24 |
| Średnica otworu centrującego [mm] | 71 |
| dla numeru OE | 98 059 614 80 |
92129403_TXRTARCZA HAMULCOWA
Mag. główny0
| Typ tarczy hamulcowej | z wentylacją wewnętrzną |
| Średnica zewnętrzna [mm] | 283 |
| Grubość tarczy hamulcowej [mm] | 26 |
| Wysokość [mm] | 47,9 |
| Minimalna grubość [mm] | 24,7 |
| Powierzchnia | pokryty |
| Średnica wewnętrzna [mm] | 132,7 |
| Ø rozmieszczenia otworów [mm] | 108 |
| Średnica otworu centrującego [mm] | 71,1 |
| Wzór otworów/liczba otworów | 05/07 |
| Średnica otworu szpilki koła [mm] | 13 |
| Informacja uzupełniająca | bez piasty koła |
| Informacja uzupełniająca | bez łożyska koła |
| Informacja uzupełniająca | bez sworznia mocującego koła |
| Długość opakowania [cm] | 30,8 |
| Szerokość opakowania [cm] | 30,8 |
| Wysokość opakowania [cm] | 12,7 |
| Ciężar [kg] | 7 |
92232503_TXRTARCZA HAMULCOWA
Mag. główny0
0| Typ tarczy hamulcowej | z wentylacją wewnętrzną |
| Średnica zewnętrzna [mm] | 283 |
| Grubość tarczy hamulcowej [mm] | 26 |
| Wysokość [mm] | 48 |
| Minimalna grubość [mm] | 24 |
| Powierzchnia | pokryty |
| Średnica wewnętrzna [mm] | 133,1 |
| Ø rozmieszczenia otworów [mm] | 108 |
| Średnica otworu centrującego [mm] | 71,1 |
| Wzór otworów/liczba otworów | 05/08 |
| Średnica otworu szpilki koła [mm] | 13,5 |
| Informacja uzupełniająca | bez piasty koła |
| Informacja uzupełniająca | bez łożyska koła |
| Informacja uzupełniająca | bez sworznia mocującego koła |
| Długość opakowania [cm] | 30,8 |
| Szerokość opakowania [cm] | 30,8 |
| Wysokość opakowania [cm] | 12,7 |
| Ciężar [kg] | 7,1 |
721 173_HPTARCZA HAMULCOWA
Mag. główny0
0| Strona zabudowy | Oś przednia |
| Typ tarczy hamulcowej | wentylowany |
| Średnica zewnętrzna [mm] | 283 |
| Średnica piasty [mm] | 143 |
| Średnica otworu centrującego [mm] | 71 |
| Powierzchnia | pokryty |
| Grubość tarczy hamulcowej [mm] | 26 |
| Wysokość [mm] | 48 |
| Felga, liczba otworów | 5 |
| Ø rozmieszczenia otworów [mm] | 108 |
| Zamiana tylko w parach |