94008700_TXRBĘBEN HAMULCOWY
Mag. główny0
| Średnica zewnętrzna bębna hamulca [mm] | 263 |
| Całkowita wysokość bębna hamulca [mm] | 95 |
| Średnica wewnętrzna bębna hamulca [mm] | 230 |
| Wewnętrzna wysokość bębna hamulca [mm] | 51 |
| maks. wielkość poślizgu bębna [mm] | 231,5 |
| Wzór otworów/liczba otworów | 04/04 |
| Informacja uzupełniająca | bez piasty koła |
| Informacja uzupełniająca | bez łożyska koła |
| Informacja uzupełniająca | bez sworznia mocującego koła |
| Ciężar [kg] | 5,9 |
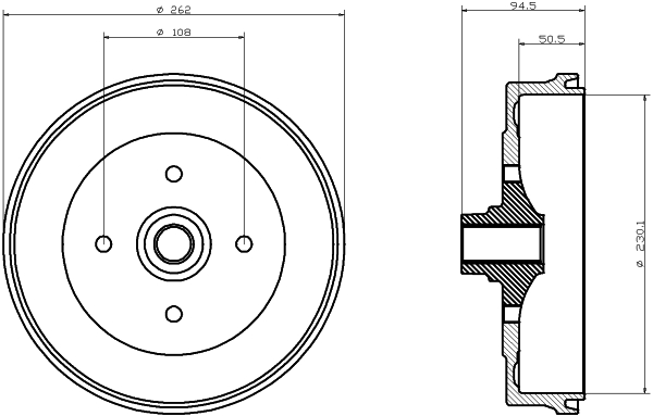
5180-S_ABSBĘBEN HAMULC. PORSCHE 924 76-85
Mag. główny0
0| Średnica wewnętrzna bębna hamulca [mm] | 230 |
| Wewnętrzna wysokość bębna hamulca [mm] | 51 |
| Całkowita wysokość bębna hamulca [mm] | 95 |
| Felga, liczba otworów | 4 |
| średnica piasty koła [mm] | 26 |
| Średnica zewnętrzna bębna hamulca [mm] | 262 |
| Ø rozmieszczenia otworów [mm] | 108 |
24.0223-0004.1_ATEBĘBEN HAMULC. PORSCHE 924 76-85
924 (76-85)
Mag. główny0
0| Średnica wewnętrzna bębna hamulca [mm] | 230,0 |
| maks. wielkość poślizgu bębna [mm] | 231,0 |
| Wewnętrzna wysokość bębna hamulca [mm] | 50,2 |
| Liczba otworów | 4 |
| Ø rozmieszczenia otworów [mm] | 108,0 |
| Wymiar gwintu | M14x1,5 |
| Całkowita wysokość bębna hamulca [mm] | 94,7 |
| Średnica zewnętrzna bębna hamulca [mm] | 262,0 |
| Średnica otworu w piaście [mm] | 26,4 |
| Dostępne MAPP-Code |
BF169_DELBĘBEN HAMULCOWY
Mag. główny0
| Średnica wewnętrzna bębna hamulca [mm] | 229 |
| Wewnętrzna wysokość bębna hamulca [mm] | 51 |
| Ø rozmieszczenia otworów [mm] | 108 |
| Całkowita wysokość bębna hamulca [mm] | 66 |
| Średnica zewnętrzna bębna hamulca [mm] | 274 |
| Liczba otworów | 4 |
| Średnica otworu centrującego [mm] | 71 |
DB4037_LUCBĘBEN HAMULC. PORSCHE 924 76-85
PORSCHE 924 11/75-08/89
Mag. główny0
00| Całkowita wysokość bębna hamulca [mm] | 95 |
| Średnica otworu centrującego [mm] | 30,5 |
| Średnica zewnętrzna bębna hamulca [mm] | 247 |
| Rozmiar gwintu 1 | M14 x 1,5 |
| Średnica bębna [mm] | 230 |
| maks. wielkość poślizgu bębna [mm] | 231,5 |
| Wewnętrzna wysokość bębna hamulca [mm] | 51 |
| Liczba otworów | 4 |
| Ø rozmieszczenia otworów [mm] | 108 |