ADG04325_BLPTARCZA HAMULC. OPEL
CORSA B (73_, 78_, 79_) 1993.03-> 2002.12
Mag. główny0
00| Grubość tarczy hamulcowej [mm] | 20 |
| Felga, liczba otworów | 4 |
| Liczba otworów do mocowania | 1 |
| Grubość [mm] | 41 |
| Średnica zewnętrzna [mm] | 236 |
| Ø rozmieszczenia otworów [mm] | 100 |
| Powierzchnia | pokryty |
| Typ tarczy hamulcowej | z wentylacją wewnętrzną |
| Strona zabudowy | Oś przednia |
| Minimalna grubość [mm] | 17 |
| Średnica otworu centrującego [mm] | 60 |
| uwzględnić informację serwisową |
15770_ABSTARCZA HAMULC. OPEL ASTRA 91-00, VECTRA -95
(236x20mm) OPEL ASTRA F Caravan (51_, 52_) 09/91-01/98 CORSA B (73_, 78_, 79_, F35_) 03/93-09/00 ASTRA F CC (53_, 54_, 58_, 59_) 09/91-01/98 COMBO (71_) 07/94-10/01
Mag. główny0
0| Średnica zewnętrzna [mm] | 236 |
| Grubość tarczy hamulcowej [mm] | 20 |
| Minimalna grubość [mm] | 17 |
| Wysokość [mm] | 41 |
| Felga, liczba otworów | 4 |
| Typ tarczy hamulcowej | wentylowany |
| Średnica otworu centrującego [mm] | 60 |
| Ø rozmieszczenia otworów [mm] | 100 |
| Średnica piasty [mm] | 134 |
24.0120-0115_ATETARCZA HAMULC. OPEL ASTRA 91-00, VECTRA -95
(236x20mm) KALOS (02-05) LANOS (97-02) NEXIA (95-97) ASCONA C / Vauxhall Cavalier (82-88)
Mag. główny0
00| Średnica zewnętrzna [mm] | 236,0 |
| Grubość tarczy hamulcowej [mm] | 20,0 |
| Minimalna grubość [mm] | 17,0 |
| Typ tarczy hamulcowej | wentylowany |
| Przetwarzanie | stopowy / wysoko nawęglany |
| Powierzchnia | pokryty |
| Liczba otworów | 4 |
| Informacja uzupełniająca | ze śrubami |
| Dostępne MAPP-Code | |
| Liczba otworów 2 | 6 |
| Ø rozmieszczenia otworów [mm] | 100,0 |
| Wysokość [mm] | 41,0 |
| Średnica otworu centrującego [mm] | 60,0 |
| Średnica wewnętrzna [mm] | 123,0 |
| Średnica otworu [mm] | 14,0 |
| Oznaczenie kontrolne | E1 90R-02C0115/0107 |
24.0320-0115.1_ATETARCZA HAMULC. OPEL ASTRA 91-00, VECTRA -95
(236x20mm) POWER DISC
Mag. główny0
00| Średnica zewnętrzna [mm] | 236,0 |
| Grubość tarczy hamulcowej [mm] | 20,0 |
| Minimalna grubość [mm] | 17,0 |
| Typ tarczy hamulcowej | wentylowany |
| Przetwarzanie | stopowy / wysoko nawęglany |
| Powierzchnia | pokryty |
| Liczba otworów | 4 |
| Ø rozmieszczenia otworów [mm] | 100,0 |
| Wysokość [mm] | 41,0 |
| Średnica otworu centrującego [mm] | 60,0 |
| Średnica wewnętrzna [mm] | 123,0 |
| Średnica otworu [mm] | 14,0 |
| Informacja uzupełniająca | ze śrubami |
| Dostępne MAPP-Code |
ADW194337_BLPTARCZA HAMULC. OPEL
CORSA CLASSIC sedan 1.6 1994.08->2005.12
Mag. główny0
00| Grubość tarczy hamulcowej [mm] | 20 |
| Felga, liczba otworów | 4 |
| Liczba otworów do mocowania | 1 |
| Grubość [mm] | 41 |
| Średnica zewnętrzna [mm] | 256 |
| Ø rozmieszczenia otworów [mm] | 100 |
| Powierzchnia | pokryty |
| Typ tarczy hamulcowej | z wentylacją wewnętrzną |
| Strona zabudowy | Oś przednia |
| Minimalna grubość [mm] | 17 |
| Średnica otworu centrującego [mm] | 60 |
| uwzględnić informację serwisową |
0986478192_BOSTARCZA HAMULC. OPEL ASTRA 91-00, VECTRA -95
(236x20mm) KALOS (02-05) LANOS (97-02) NEXIA (95-97) ASCONA C, lakierowane
Mag. główny0
00| Średnica zewnętrzna [mm] | 236 |
| Grubość tarczy hamulcowej [mm] | 20 |
| Minimalna grubość [mm] | 17 |
| Wysokość [mm] | 41,2 |
| Ø rozmieszczenia otworów [mm] | 100 |
| Typ tarczy hamulcowej | wentylowany |
| Średnica otworu centrującego [mm] | 60 |
| Liczba otworów | 6 |
| Powierzchnia | pokryty |
| Przetwarzanie | stopowy / wysoko nawęglany |
| Informacja uzupełniająca | ze śrubami |
| spełnia wymagania Normy ECE | ECE-R90 |
| Średnica otworu do [mm] | 14 |
0986479S98_BOSTARCZA HAMULC. OPEL KADETT E
BD1796
Mag. główny0
00| Średnica zewnętrzna [mm] | 236 |
| Grubość tarczy hamulcowej [mm] | 20 |
| Minimalna grubość [mm] | 17 |
| Wysokość [mm] | 41 |
| Ø rozmieszczenia otworów [mm] | 100 |
| Typ tarczy hamulcowej | wentylowany |
| Średnica otworu centrującego [mm] | 60 |
| Liczba otworów | 6 |
| Powierzchnia | naoliwione |
| spełnia wymagania Normy ECE | ECE-R90 |
| Średnica otworu do [mm] | 14,3 |
09.3090.11_BRETARCZA HAMULC. OPEL ASTRA 91-00, VECTRA -95
(236x20mm) OPEL ASTRA F Caravan (51_, 52_) 09/91-01/98 CORSA B (73_, 78_, 79_, F35_) 03/93-09/00 ASTRA F CC (53_, 54_, 58_, 59_) 09/91-01/98 COMBO (71_) 07/94-10/01
Mag. główny0
00| Typ tarczy hamulcowej | z wentylacją wewnętrzną |
| Grubość tarczy hamulcowej [mm] | 20 |
| Liczba otworów | 4 |
| Informacja uzupełniająca | ze śrubami |
| Wysokość [mm] | 41 |
| Średnica otworu centrującego [mm] | 60 |
| Średnica zewnętrzna [mm] | 236 |
| Powierzchnia | pokryty |
| Minimalna grubość [mm] | 17 |
| Moment dokręcenia [Nm] | 120 |
09.3090.1X_BRETARCZA HAMULC. OPEL ASTRA 91-00, VECTRA -95
(236x20mm) OPEL ASTRA F Caravan (51_, 52_) 09/91-01/98 CORSA B (73_, 78_, 79_, F35_) 03/93-09/00 ASTRA F CC (53_, 54_, 58_, 59_) 09/91-01/98 COMBO (71_) 07/94-10/01
Mag. główny0
00| Typ tarczy hamulcowej | perforowany / wentylowany wewnętrznie |
| Grubość tarczy hamulcowej [mm] | 20 |
| Liczba otworów | 4 |
| Informacja uzupełniająca | ze śrubami |
| Wysokość [mm] | 41 |
| Średnica otworu centrującego [mm] | 60 |
| Średnica zewnętrzna [mm] | 236 |
| Powierzchnia | pokryty |
| Minimalna grubość [mm] | 17,8 |
| Moment dokręcenia [Nm] | 120 |
09.3090.75_BRETARCZA HAMULC. OPEL ASTRA 91-00, VECTRA -95
(236x20mm) BREMBO MAX OPEL ASTRA F Caravan (51_, 52_) 09/91-01/98 CORSA B (73_, 78_, 79_, F35_) 03/93-09/00 ASTRA F CC (53_, 54_, 58_, 59_) 09/91-01/98 COMBO (71_) 07/94-10/01
Mag. główny0
0| Typ tarczy hamulcowej | z wentylacją wewnętrzną |
| Typ tarczy hamulcowej | szczelinowy |
| Grubość tarczy hamulcowej [mm] | 20 |
| Liczba otworów | 4 |
| Informacja uzupełniająca | ze śrubami |
| Wysokość [mm] | 41 |
| Średnica otworu centrującego [mm] | 60 |
| Średnica zewnętrzna [mm] | 236 |
| Powierzchnia | pokryty |
| Minimalna grubość [mm] | 17 |
| Moment dokręcenia [Nm] | 120 |
09.9607.14_BRETARCZA HAMULC. OPEL ASTRA F 91-97 (!)
(236x20mm)
Mag. główny2
00| Typ tarczy hamulcowej | z wentylacją wewnętrzną |
| Grubość tarczy hamulcowej [mm] | 20 |
| Liczba otworów | 4 |
| Informacja uzupełniająca | ze śrubami |
| Wysokość [mm] | 41 |
| Średnica otworu centrującego [mm] | 60 |
| Średnica zewnętrzna [mm] | 236 |
| Minimalna grubość [mm] | 17 |
| Moment dokręcenia [Nm] | 110 |
800-096_CIFTARCZA HAMULC. OPEL ASTRA 91-00, VECTRA -95
(236x20mm) OPEL ASTRA F Caravan (51_, 52_) 09/91-01/98 CORSA B (73_, 78_, 79_, F35_) 03/93-09/00 ASTRA F CC (53_, 54_, 58_, 59_) 09/91-01/98 COMBO (71_) 07/94-10/01
Mag. główny0
0| Oznaczenie kontrolne | ECE-R90 |
| Wysokość [mm] | 40,9 |
| Typ tarczy hamulcowej | wentylowany |
| Grubość tarczy hamulcowej [mm] | 19,9 |
| Średnica zewnętrzna [mm] | 236,0 |
| Liczba otworów | 4 |
| Średnica otworu centrującego [mm] | 60,0 |
02806_FEBTARCZA HAMULC. OPEL ASTRA 91-00, VECTRA -95
-
Mag. główny0
00| Grubość tarczy hamulcowej [mm] | 20 |
| Felga, liczba otworów | 4 |
| Liczba otworów do mocowania | 1 |
| Grubość [mm] | 41 |
| Średnica zewnętrzna [mm] | 236 |
| Ø rozmieszczenia otworów [mm] | 100 |
| Powierzchnia | pokryty |
| Typ tarczy hamulcowej | z wentylacją wewnętrzną |
| Strona zabudowy | Oś przednia |
| Minimalna grubość [mm] | 17 |
| Średnica otworu centrującego [mm] | 60 |
| uwzględnić informację serwisową |
30H0009-JPN_JPNTARCZA HAMULC. OPEL ASTRA 91-00, VECTRA -95
NEXIA 1.5 SOHC 95 -> /LANOS 1.5 SOHC 97 -> / ASTRA 91-00 / PRZEDNIA
Mag. główny0
0| Typ tarczy hamulcowej | wentylowany |
| Wysokość [mm] | 41 |
| Grubość tarczy hamulcowej [mm] | 19,9 |
| Wymiar gwintu | 14,6 |
| Średnica zewnętrzna [mm] | 236 |
| Liczba otworów | 6 |
| Średnica otworu centrującego [mm] | 60 |
| Ø rozmieszczenia otworów [mm] | 100 |
103302_KAMTARCZA HAMULC. OPEL ASTRA 91-00, VECTRA -95
(236x20mm) OPEL ASTRA F Caravan (51_, 52_) 09/91-01/98 CORSA B (73_, 78_, 79_, F35_) 03/93-09/00 ASTRA F CC (53_, 54_, 58_, 59_) 09/91-01/98 COMBO (71_) 07/94-10/01
Mag. główny0
00| Strona zabudowy | Oś przednia |
| Typ tarczy hamulcowej | wentylowany |
| Grubość tarczy hamulcowej [mm] | 20 |
| Ø rozmieszczenia otworów [mm] | 100 |
| Liczba otworów | 4 |
| Wysokość [mm] | 41 |
| Średnica otworu centrującego [mm] | 60 |
| Powierzchnia | pokryty |
| Średnica zewnętrzna [mm] | 236 |
162.504_ROPTARCZA HAM
236x19,9 Astra F, Corsa B, Combo

Mag. główny1
TX70-08_TOMTARCZA HAMULC. OPEL ASTRA 91-00, VECTRA -95
(236x20mm) OPEL ASTRA F Caravan (51_, 52_) 09/91-01/98 CORSA B (73_, 78_, 79_, F35_) 03/93-09/00 ASTRA F CC (53_, 54_, 58_, 59_) 09/91-01/98 COMBO (71_) 07/94-10/01

Mag. główny0
0DF1609_LUCTARCZA HAMULC. OPEL ASTRA 91-00, VECTRA -95
(236x20mm) OPEL ASTRA F Caravan (51_, 52_) 09/91-01/98 CORSA B (73_, 78_, 79_, F35_) 03/93-09/00 ASTRA F CC (53_, 54_, 58_, 59_) 09/91-01/98 COMBO (71_) 07/94-10/01
Mag. główny0
00| Typ tarczy hamulcowej | wentylowany |
| Średnica zewnętrzna [mm] | 236 |
| Grubość tarczy hamulcowej [mm] | 20 |
| Średnica otworu centrującego [mm] | 60 |
| Wysokość [mm] | 41 |
| Liczba otworów | 6 |
430.1454.20_ZIMTARCZA HAMULC. OPEL ASTRA 91-00, VECTRA -95
(236x20mm)
Mag. główny0
00| Strona zabudowy | Oś przednia |
| Typ tarczy hamulcowej | z wentylacją wewnętrzną |
| Powierzchnia | pokryty |
| Średnica zewnętrzna [mm] | 236 |
| Grubość tarczy hamulcowej [mm] | 20 |
| Wysokość [mm] | 41 |
| Felga, liczba otworów | 4 |
| Ø rozmieszczenia otworów [mm] | 100 |
| Średnica otworu centrującego [mm] | 60 |
| Oznaczenie kontrolne | ECE R90 APPROVED |
| Minimalna grubość [mm] | 17 |
| Wzór otworów/liczba otworów | 7/4 |
| Ciężar [kg] | 3,98 |
430.1454.52_ZIMTARCZA HAMULC. OPEL ASTRA 91-00, VECTRA -95
(236x20mm)
Mag. główny0
00| Strona zabudowy | Oś przednia |
| Typ tarczy hamulcowej | z wentylacją wewnętrzną |
| Typ tarczy hamulcowej | perforowany |
| Powierzchnia | pokryty |
| Średnica zewnętrzna [mm] | 236 |
| Grubość tarczy hamulcowej [mm] | 20 |
| Wysokość [mm] | 41 |
| Felga, liczba otworów | 4 |
| Ø rozmieszczenia otworów [mm] | 100 |
| Średnica otworu centrującego [mm] | 60 |
| Oznaczenie kontrolne | KBA 60872 |
| Minimalna grubość [mm] | 17 |
| Wzór otworów/liczba otworów | 7/4 |
| Ciężar [kg] | 3,98 |
B6F365S_AISTARCZA HAMULCOWA
Mag. główny0
| Typ tarczy hamulcowej | wentylowany |
| Powierzchnia | pokryty |
| Średnica zewnętrzna [mm] | 236 |
| Grubość tarczy hamulcowej [mm] | 19,9 |
| Wysokość [mm] | 41 |
| Średnica otworu centrującego [mm] | 60 |
| Minimalna grubość [mm] | 17 |
| Ciężar [kg] | 4,1 |
| Liczba otworów | 4 |
| Ø rozmieszczenia otworów [mm] | 100 |
60-09-910C_ASHTARCZA HAMULCOWA
Mag. główny0
| Strona zabudowy | Oś przednia |
| Ø rozmieszczenia otworów [mm] | 60 |
| Wysokość [mm] | 41,6 |
| Średnica zewnętrzna [mm] | 236 |
| Grubość tarczy hamulcowej [mm] | 20 |
| Minimalna grubość [mm] | 17 |
| Liczba otworów | 4 |
| Typ tarczy hamulcowej | wentylowany |
| Oznaczenie kontrolne | ECE R90 APPROVED |
| Powierzchnia | lakierowany |
| Moment dokręcenia [Nm] | 120 |
| dla numeru OE | 569031 |
800-790C_CIFTARCZA HAMULC. DAEWOO KALOS 03-
(236x20mm) CHEVROLET KALOS 05- , Aveo 06-
Mag. główny0
0| Oznaczenie kontrolne | ECE-R90 |
| Wysokość [mm] | 42,0 |
| Typ tarczy hamulcowej | wentylowany |
| Grubość tarczy hamulcowej [mm] | 20,0 |
| Średnica zewnętrzna [mm] | 236,0 |
| Liczba otworów | 6 |
| Średnica otworu centrującego [mm] | 60,0 |
| Powierzchnia | lakierowany |
BG2278_DELTARCZA HAMULCOWA
Mag. główny0
0| Typ tarczy hamulcowej | wentylowany |
| Liczba otworów | 4 |
| Oznaczenie kontrolne | E4 90R-02C0703/2623 |
| Powierzchnia | naoliwione |
| Średnica zewnętrzna [mm] | 236 |
| Grubość tarczy hamulcowej [mm] | 20 |
| Minimalna grubość [mm] | 17 |
| Średnica otworu centrującego [mm] | 60,1 |
| Wysokość [mm] | 41 |
BG2278T_DELTARCZA HAMULCOWA
B130020_DECTARCZA HAMULCOWA
Mag. główny0
0| Minimalna grubość [mm] | 17 |
| Typ tarczy hamulcowej | wentylowany |
| Średnica otworu [mm] | 14 |
| Grubość tarczy hamulcowej [mm] | 20 |
| Ø rozmieszczenia otworów [mm] | 100 |
| Liczba otworów 2 | 6 |
| Liczba otworów | 4 |
| Średnica wewnętrzna [mm] | 123 |
| Wysokość [mm] | 41 |
| Średnica otworu centrującego [mm] | 60 |
| Średnica zewnętrzna [mm] | 236 |
| Rozporządzenie UE w sprawie bezpieczeństwa produktów (GPSR) | IEC 60417-6183 wymagana specjalistyczna wiedza mechaniczna |
GH-403601TARCZA HAMULCOWA
Mag. główny0
| Strona zabudowy | Oś przednia |
| Strona zabudowy | Oś przednia, z prawej |
| Strona zabudowy | Oś przednia, z lewej |
| Grubość tarczy hamulcowej [mm] | 24 |
| Liczba otworów | 6 |
| Ø rozmieszczenia otworów [mm] | 100 |
| Średnica otworu centrującego [mm] | 60 |
| Średnica zewnętrzna [mm] | 256 |
| Typ tarczy hamulcowej | wentylowany |
| Wymiar gwintu | 14 |
| Wysokość [mm] | 41 |
GH-403602TARCZA HAMULCOWA
Mag. główny0
| Strona zabudowy | Oś przednia |
| Strona zabudowy | Oś przednia, z prawej |
| Strona zabudowy | Oś przednia, z lewej |
| Grubość tarczy hamulcowej [mm] | 19,9 |
| Liczba otworów | 6 |
| Ø rozmieszczenia otworów [mm] | 100 |
| Średnica otworu centrującego [mm] | 60 |
| Średnica zewnętrzna [mm] | 236 |
| Typ tarczy hamulcowej | wentylowany |
| Wymiar gwintu | 14,6 |
| Wysokość [mm] | 41 |
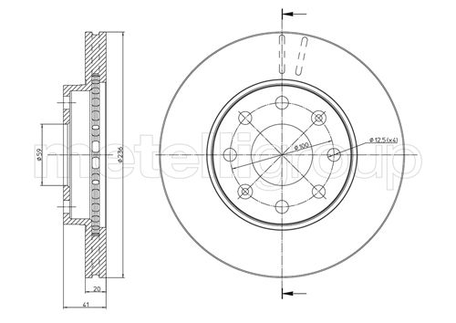
GH-405078TARCZA HAMULCOWA
Mag. główny0
| Strona zabudowy | Oś przednia |
| Strona zabudowy | Oś przednia, z prawej |
| Strona zabudowy | Oś przednia, z lewej |
| Grubość tarczy hamulcowej [mm] | 20 |
| Liczba otworów | 6 |
| Ø rozmieszczenia otworów [mm] | 100 |
| Średnica otworu centrującego [mm] | 59 |
| Średnica zewnętrzna [mm] | 236 |
| Typ tarczy hamulcowej | wentylowany |
| Wymiar gwintu | 12,7 |
| Wysokość [mm] | 41 |
615 521 6001_MEYTARCZA HAMULCOWA
Mag. główny0
| Strona zabudowy | Oś przednia |
| Średnica zewnętrzna [mm] | 256 |
| Wysokość [mm] | 41 |
| Grubość tarczy hamulcowej [mm] | 24 |
| Minimalna grubość [mm] | 21 |
| Średnica otworu centrującego [mm] | 60 |
| Ø rozmieszczenia otworów [mm] | 100 |
| Średnica otworu szpilki koła [mm] | 14 |
| Liczba otworów | 4 |
| Typ tarczy hamulcowej | wentylowany |
| wymagana liczba | 2 |
615 521 6011_MEYTARCZA HAMULCOWA
Mag. główny0
| Strona zabudowy | Oś przednia |
| Średnica zewnętrzna [mm] | 236 |
| Wysokość [mm] | 41 |
| Grubość tarczy hamulcowej [mm] | 20 |
| Minimalna grubość [mm] | 17 |
| Średnica otworu centrującego [mm] | 60 |
| Ø rozmieszczenia otworów [mm] | 100 |
| Średnica otworu szpilki koła [mm] | 14 |
| Liczba otworów | 4 |
| Typ tarczy hamulcowej | wentylowany |
| wymagana liczba | 2 |
683 521 6011/PD_MEYTARCZA HAMULCOWA
Mag. główny0
| Strona zabudowy | Oś przednia |
| Średnica zewnętrzna [mm] | 236 |
| Wysokość [mm] | 41 |
| Grubość tarczy hamulcowej [mm] | 20 |
| Minimalna grubość [mm] | 17 |
| Średnica otworu centrującego [mm] | 60 |
| Ø rozmieszczenia otworów [mm] | 100 |
| Średnica otworu szpilki koła [mm] | 14 |
| Liczba otworów | 4 |
| Typ tarczy hamulcowej | wentylowany |
| Powierzchnia | Płytki pokryte cynkiem |
| Przetwarzanie | wysoko nawęglany |
| Jakość | PREMIUM |
| wymagana liczba | 2 |
VKBD 80717 V2_SKFTARCZA HAMULCOWA
Mag. główny0
0| Typ tarczy hamulcowej | z wentylacją wewnętrzną |
| Średnica zewnętrzna [mm] | 236 |
| Grubość tarczy hamulcowej [mm] | 20 |
| Wysokość [mm] | 41 |
| Ø rozmieszczenia otworów [mm] | 100 |
| Średnica otworu centrującego [mm] | 60 |
| Liczba otworów | 6 |
| Powierzchnia | pokryty |
| Minimalna grubość [mm] | 17 |
| Liczba otworów | 1 |
40 90 2806_SWGTARCZA HAMULCOWA
Mag. główny0
| Grubość tarczy hamulcowej [mm] | 20 |
| Felga, liczba otworów | 4 |
| Liczba otworów do mocowania | 1 |
| Grubość [mm] | 41 |
| Średnica zewnętrzna [mm] | 236 |
| Ø rozmieszczenia otworów [mm] | 100 |
| Powierzchnia | pokryty |
| Typ tarczy hamulcowej | z wentylacją wewnętrzną |
| Strona zabudowy | Oś przednia |
| Minimalna grubość [mm] | 17 |
| Średnica otworu centrującego [mm] | 60 |
92029600_TXRTARCZA HAMULCOWA
Mag. główny0
| Typ tarczy hamulcowej | z wentylacją wewnętrzną |
| Średnica zewnętrzna [mm] | 236 |
| Grubość tarczy hamulcowej [mm] | 20 |
| Wysokość [mm] | 41 |
| Minimalna grubość [mm] | 17 |
| Średnica wewnętrzna [mm] | 123 |
| Ø rozmieszczenia otworów [mm] | 100 |
| Średnica otworu centrującego [mm] | 60 |
| Wzór otworów/liczba otworów | 04/07 |
| Średnica otworu szpilki koła [mm] | 14,4 |
| Informacja uzupełniająca | bez piasty koła |
| Informacja uzupełniająca | bez łożyska koła |
| Informacja uzupełniająca | bez sworznia mocującego koła |
| Długość opakowania [cm] | 24,8 |
| Szerokość opakowania [cm] | 24,8 |
| Wysokość opakowania [cm] | 10,5 |
| Ciężar [kg] | 4 |
92029603_TXRTARCZA HAMULCOWA
Mag. główny0
0| Typ tarczy hamulcowej | z wentylacją wewnętrzną |
| Średnica zewnętrzna [mm] | 236 |
| Grubość tarczy hamulcowej [mm] | 20 |
| Wysokość [mm] | 41 |
| Minimalna grubość [mm] | 17 |
| Powierzchnia | pokryty |
| Średnica wewnętrzna [mm] | 123 |
| Ø rozmieszczenia otworów [mm] | 100 |
| Średnica otworu centrującego [mm] | 60 |
| Wzór otworów/liczba otworów | 04/07 |
| Średnica otworu szpilki koła [mm] | 14,4 |
| Informacja uzupełniająca | bez piasty koła |
| Informacja uzupełniająca | bez łożyska koła |
| Informacja uzupełniająca | bez sworznia mocującego koła |
| Długość opakowania [cm] | 24,8 |
| Szerokość opakowania [cm] | 24,8 |
| Wysokość opakowania [cm] | 10,5 |
| Ciężar [kg] | 4 |
200 932_HPTARCZA HAMULCOWA
Mag. główny0
0| Strona zabudowy | Oś przednia |
| Typ tarczy hamulcowej | wentylowany |
| Średnica zewnętrzna [mm] | 256 |
| Średnica piasty [mm] | 133 |
| Średnica otworu centrującego [mm] | 60 |
| Grubość tarczy hamulcowej [mm] | 24 |
| Wysokość [mm] | 41 |
| Felga, liczba otworów | 4 |
| Ø rozmieszczenia otworów [mm] | 100 |
| Zamiana tylko w parach |
200 942_HPTARCZA HAMULCOWA
Mag. główny0
0| Strona zabudowy | Oś przednia |
| Typ tarczy hamulcowej | wentylowany |
| Średnica zewnętrzna [mm] | 236 |
| Średnica piasty [mm] | 134 |
| Średnica otworu centrującego [mm] | 60 |
| Grubość tarczy hamulcowej [mm] | 20 |
| Wysokość [mm] | 41 |
| Felga, liczba otworów | 4 |
| Ø rozmieszczenia otworów [mm] | 100 |
| Zamiana tylko w parach |