18014_ABSTARCZA HAMULC. LEXUS IS F 08- PRZÓD
(360x30mm)
Mag. główny0
0| średnica zewnętrzna [mm] | 360 |
| Grubość tarczy hamulcowej [mm] | 30 |
| Minimalna grubość [mm] | 28 |
| Wysokość [mm] | 60,7 |
| Felga, liczba otworów | 5 |
| Typ tarczy hamulcowej | perforowany / wentylowany wewnętrznie |
| Średnica otworu centrującego [mm] | 62 |
| Ø rozmieszczenia otworów [mm] | 114,3 |
| Powierzchnia | pokryty |
| średnica piasty [mm] | 187 |
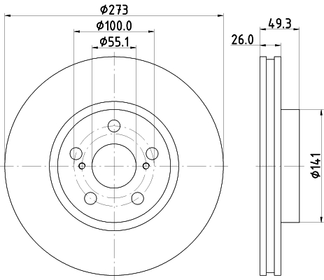
92321903_TXRTARCZA HAMULCOWA
Mag. główny0
| Typ tarczy hamulcowej | z wentylacją wewnętrzną |
| średnica zewnętrzna [mm] | 273 |
| Grubość tarczy hamulcowej [mm] | 26 |
| Wysokość [mm] | 49,3 |
| Minimalna grubość [mm] | 24 |
| Powierzchnia | pokryty |
| Średnica wewnętrzna [mm] | 130 |
| Ø rozmieszczenia otworów [mm] | 100 |
| Średnica otworu centrującego [mm] | 55,1 |
| Wzór otworów/liczba otworów | 05/07 |
| Średnica otworu szpilki koła [mm] | 15 |
| Informacja uzupełniająca | bez piasty koła |
| Informacja uzupełniająca | bez łożyska koła |
| Informacja uzupełniająca | bez sworznia mocującego koła |
| Długość opakowania [cm] | 30,8 |
| Szerokość opakowania [cm] | 30,8 |
| Wysokość opakowania [cm] | 12,7 |
| Ciężar [kg] | 6,1 |