BF320_DELBĘBEN HAMULCOWY
Mag. główny0
0| Średnica wewnętrzna bębna hamulca [mm] | 230 |
| Wewnętrzna wysokość bębna hamulca [mm] | 54 |
| Ø rozmieszczenia otworów [mm] | 100 |
| Całkowita wysokość bębna hamulca [mm] | 85 |
| Średnica zewnętrzna bębna hamulca [mm] | 290 |
| Liczba otworów | 4 |
| Średnica otworu centrującego [mm] | 39,8 |
2373-S_ABSBĘBEN HAMULC. VW PASSAT 88-95
Mag. główny0
0| Średnica wewnętrzna bębna hamulca [mm] | 230 |
| Wewnętrzna wysokość bębna hamulca [mm] | 54 |
| Całkowita wysokość bębna hamulca [mm] | 85 |
| Felga, liczba otworów | 4 |
| Średnica piasty koła [mm] | 40 |
| Średnica zewnętrzna bębna hamulca [mm] | 290 |
| Ø rozmieszczenia otworów [mm] | 100 |
| Średnica piasty koła 2 [mm] | 50 |
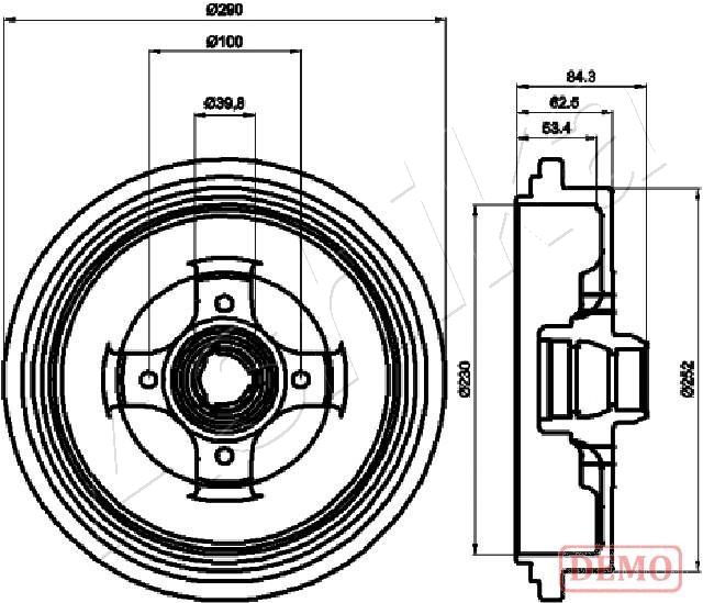
56-00-0913C_ASHBĘBEN HAMULCOWY
Mag. główny0
| Średnica 1/Średnica 2 [mm] | 50.2 |
| Średnica zewnętrzna bębna hamulca [mm] | 290 |
| maks. wielkość poślizgu bębna [mm] | 231,5 |
| Wewnętrzna wysokość bębna hamulca [mm] | 53,4 |
| Całkowita wysokość bębna hamulca [mm] | 84,3 |
| Liczba otworów | 4 |
| Ø rozmieszczenia otworów [mm] | 100 |
| Powierzchnia | lakierowany |
| Strona zabudowy | Oś tylna |
| Średnica wewnętrzna bębna hamulca [mm] | 230 |
| Średnica otworu centrującego [mm] | 39,8 |
24.0223-0012.1_ATEBĘBEN HAMULC. VW PASSAT 88-95
230/231.5x51.5
Mag. główny0
0| Informacja uzupełniająca | bez łożyska koła |
| Informacja uzupełniająca | bez pierścienia nadajnika impulsów ABS |
| Średnica wewnętrzna bębna hamulca [mm] | 230,0 |
| maks. wielkość poślizgu bębna [mm] | 231,5 |
| Wewnętrzna wysokość bębna hamulca [mm] | 53,4 |
| Liczba otworów | 4 |
| Ø rozmieszczenia otworów [mm] | 100,0 |
| Wymiar gwintu | M12x1,5 |
| Całkowita wysokość bębna hamulca [mm] | 84,3 |
| Średnica zewnętrzna bębna hamulca [mm] | 290,0 |
| Średnica mocowania [mm] | 52,0 |
| Średnica wewnętrzna 2 [mm] | 39,8 |
| Dostępne MAPP-Code |
0986477042_BOSBĘBEN HAMULC. VW PASSAT 88-95
DB117
Mag. główny0
00| Strona zabudowy | Oś tylna |
| Średnica wewnętrzna bębna hamulca [mm] | 230 |
| Średnica zewnętrzna bębna hamulca [mm] | 290 |
| Wewnętrzna wysokość bębna hamulca [mm] | 53 |
| Całkowita wysokość bębna hamulca [mm] | 84,5 |
| Ø rozmieszczenia otworów [mm] | 100 |
| Liczba otworów | 4 |
| Średnica otworu centrującego [mm] | 50,24 |
| Informacja uzupełniająca | bez łożyska koła |
B140048_DECBĘBEN HAMULCOWY
Mag. główny0
0| Strona zabudowy | Oś tylna |
| Średnica bębna [mm] | 230 |
| Wymiar gwintu | M12x1,5 |
| maks. wielkość poślizgu bębna [mm] | 231,5 |
| Wewnętrzna wysokość bębna hamulca [mm] | 51 |
| Średnica mocowania [mm] | 52 |
| Liczba otworów | 4 |
| Ø rozmieszczenia otworów [mm] | 100 |
| Średnica wewnętrzna 2 [mm] | 39,9 |
| Średnica zewnętrzna bębna hamulca [mm] | 230 |
| Całkowita wysokość bębna hamulca [mm] | 84 |
| Rozporządzenie UE w sprawie bezpieczeństwa produktów (GPSR) | IEC 60417-6183 wymagana specjalistyczna wiedza mechaniczna |
14272_FEBBĘBEN HAMULC. VW PASSAT 88-95
Mag. główny0
00| Felga, liczba otworów | 4 |
| Szerokość [mm] | 53,6 |
| Grubość [mm] | 84,5 |
| Średnica zewnętrzna [mm] | 290 |
| Ø rozmieszczenia otworów [mm] | 100 |
| maks. wielkość poślizgu bębna [mm] | 231,5 |
| Średnica wewnętrzna bębna hamulca [mm] | 230 |
| Strona zabudowy | Oś tylna |
| Średnica otworu centrującego [mm] | 50,2 |
| Informacja uzupełniająca | bez łożyska koła |
115 523 1089_MEYBĘBEN HAMULCOWY
Mag. główny0
| Strona zabudowy | Oś tylna |
| Średnica zewnętrzna bębna hamulca [mm] | 290 |
| Średnica wewnętrzna bębna hamulca [mm] | 230 |
| maks. wielkość poślizgu bębna [mm] | 231,5 |
| Wewnętrzna wysokość bębna hamulca [mm] | 53 |
| Całkowita wysokość bębna hamulca [mm] | 84,5 |
| Średnica otworu centrującego [mm] | 52 |
| Ø rozmieszczenia otworów [mm] | 100 |
| Liczba otworów | 4 |
| wymagana liczba | 2 |
30 91 4272_SWGBĘBEN HAMULCOWY
Mag. główny0
| Felga, liczba otworów | 4 |
| Szerokość [mm] | 53,6 |
| Grubość [mm] | 84,5 |
| Średnica zewnętrzna [mm] | 290 |
| Ø rozmieszczenia otworów [mm] | 100 |
| maks. wielkość poślizgu bębna [mm] | 231,5 |
| Średnica wewnętrzna bębna hamulca [mm] | 230 |
| Strona zabudowy | Oś tylna |
| Średnica otworu centrującego [mm] | 50,2 |
| Informacja uzupełniająca | bez łożyska koła |
94012300_TXRBĘBEN HAMULCOWY
Mag. główny0
| Średnica zewnętrzna bębna hamulca [mm] | 290 |
| Całkowita wysokość bębna hamulca [mm] | 85 |
| Średnica wewnętrzna bębna hamulca [mm] | 230 |
| Wewnętrzna wysokość bębna hamulca [mm] | 54 |
| maks. wielkość poślizgu bębna [mm] | 231,5 |
| Wzór otworów/liczba otworów | 04/04 |
| Ø rozmieszczenia otworów [mm] | 100 |
| Średnica otworu centrującego [mm] | 39,8 |
| Średnica otworu szpilki koła [mm] | 12 |
| Informacja uzupełniająca | z piastą |
| Informacja uzupełniająca | bez łożyska koła |
| Informacja uzupełniająca | bez sworznia mocującego koła |
| Długość opakowania [cm] | 30,8 |
| Szerokość opakowania [cm] | 30,4 |
| Wysokość opakowania [cm] | 11,1 |
| Ciężar [kg] | 8,7 |
103 513_HPBĘBEN HAMULCOWY
Mag. główny1
00| Strona zabudowy | Oś tylna |
| Średnica wewnętrzna bębna hamulca [mm] | 230 |
| Wewnętrzna wysokość bębna hamulca [mm] | 40 |
| Felga, liczba otworów | 4 |
| Ø rozmieszczenia otworów [mm] | 100 |
| Zamiana tylko w parach |
DB4188_LUCBĘBEN HAMULC. VW PASSAT 88-95
VW PASSAT Variant (3A5, 35I) 02/88-05/97
Mag. główny0
00| Średnica wewnętrzna bębna hamulca [mm] | 230 |
| Wewnętrzna wysokość bębna hamulca [mm] | 54 |
| Liczba otworów | 4 |
DB4188B_LUCBĘBEN HAMULC. VW PASSAT 88-95 Z ŁOZYSKIEM
Mag. główny0
00| Średnica wewnętrzna bębna hamulca [mm] | 230 |
| Wewnętrzna wysokość bębna hamulca [mm] | 54 |
| Liczba otworów | 4 |
| Informacja uzupełniająca | ze zintegrowanym łożyskiem koła |
| Informacja uzupełniająca | bez pierścienia nadajnika impulsów ABS |