92125200_TXRTARCZA HAMULCOWA
Mag. główny0
0| Typ tarczy hamulcowej | z wentylacją wewnętrzną |
| średnica zewnętrzna [mm] | 260 |
| Grubość tarczy hamulcowej [mm] | 23 |
| Wysokość [mm] | 44,7 |
| Minimalna grubość [mm] | 21 |
| Średnica wewnętrzna [mm] | 141,1 |
| Ø rozmieszczenia otworów [mm] | 100 |
| Średnica otworu centrującego [mm] | 64,1 |
| Wzór otworów/liczba otworów | 04/08 |
| Średnica otworu szpilki koła [mm] | 12,7 |
| Informacja uzupełniająca | bez piasty koła |
| Informacja uzupełniająca | bez łożyska koła |
| Informacja uzupełniająca | bez sworznia mocującego koła |
| Długość opakowania [cm] | 27,8 |
| Szerokość opakowania [cm] | 27,8 |
| Wysokość opakowania [cm] | 10,5 |
| Ciężar [kg] | 5,4 |
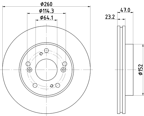
92327703_TXRTARCZA HAMULCOWA
Mag. główny0
| Typ tarczy hamulcowej | z wentylacją wewnętrzną |
| średnica zewnętrzna [mm] | 260 |
| Grubość tarczy hamulcowej [mm] | 23,2 |
| Wysokość [mm] | 47 |
| Minimalna grubość [mm] | 21 |
| Powierzchnia | pokryty |
| Średnica wewnętrzna [mm] | 141 |
| Ø rozmieszczenia otworów [mm] | 114,3 |
| Średnica otworu centrującego [mm] | 64,1 |
| Wzór otworów/liczba otworów | 05/09 |
| Średnica otworu szpilki koła [mm] | 12,5 |
| Informacja uzupełniająca | bez piasty koła |
| Informacja uzupełniająca | bez łożyska koła |
| Informacja uzupełniająca | bez sworznia mocującego koła |
| Długość opakowania [cm] | 27,8 |
| Szerokość opakowania [cm] | 27,8 |
| Wysokość opakowania [cm] | 12,2 |
| Ciężar [kg] | 5 |