60-05-520C_ASHTARCZA HAMULCOWA
Mag. główny0
0| Strona zabudowy | Oś przednia |
| Ø rozmieszczenia otworów [mm] | 87 |
| Wysokość [mm] | 45 |
| średnica zewnętrzna [mm] | 276,3 |
| Grubość tarczy hamulcowej [mm] | 22 |
| Minimalna grubość [mm] | 20 |
| Liczba otworów | 6 |
| Typ tarczy hamulcowej | wentylowany |
| system hamulcowy | SUMITOMO |
| Oznaczenie kontrolne | ECE R90 APPROVED |
| Powierzchnia | lakierowany |
| Moment dokręcenia [Nm] | 100 |
| dla numeru OE | MB407039 |
ADC443110_BLPTARCZA HAMULC. MITSUBISHI
PAJERO IV (V8_W, V9_W) 2006.11->
Mag. główny0
00| Grubość tarczy hamulcowej [mm] | 26 |
| Felga, liczba otworów | 6 |
| Grubość [mm] | 46 |
| średnica zewnętrzna [mm] | 290 |
| Ø rozmieszczenia otworów [mm] | 140 |
| Powierzchnia | pokryty |
| Typ tarczy hamulcowej | z wentylacją wewnętrzną |
| Strona zabudowy | Oś przednia |
| Minimalna grubość [mm] | 24,4 |
| Średnica otworu centrującego [mm] | 94 |
| Ciężar [kg] | 6,480 |
| uwzględnić informację serwisową |
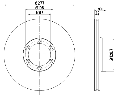
ADC44318_BLPTARCZA HAMULCOWA MITSUBISHI
PAJERO 2.6 87->,3.0I 89->91,L300 4WD 86-> (277MM/WENTYLOWANA) PRZEDNIA
Mag. główny0
00| Grubość tarczy hamulcowej [mm] | 22 |
| Felga, liczba otworów | 6 |
| Grubość [mm] | 45 |
| średnica zewnętrzna [mm] | 277 |
| Ø rozmieszczenia otworów [mm] | 108 |
| Powierzchnia | pokryty |
| Typ tarczy hamulcowej | z wentylacją wewnętrzną |
| Strona zabudowy | Oś przednia |
| Minimalna grubość [mm] | 20,4 |
| Średnica otworu centrującego [mm] | 87 |
| Ciężar [kg] | 6,055 |
| uwzględnić informację serwisową |
ADC44378_BLPTARCZA HAMULCOWA PRZEDNIA
MITSUBISHI PAJERO 2.5TDI,3.2TDI,3.5I 24V 00.02-> (290MM/WENTYLOWANA)
Mag. główny0
00| Grubość tarczy hamulcowej [mm] | 26 |
| Felga, liczba otworów | 6 |
| Grubość [mm] | 46 |
| średnica zewnętrzna [mm] | 290 |
| Ø rozmieszczenia otworów [mm] | 140 |
| Powierzchnia | pokryty |
| Typ tarczy hamulcowej | z wentylacją wewnętrzną |
| Strona zabudowy | Oś przednia |
| Minimalna grubość [mm] | 24,4 |
| Średnica otworu centrującego [mm] | 94 |
| Ciężar [kg] | 6,5 |
| uwzględnić informację serwisową |
26048_FEBTARCZA HAMULCOWA
MR407289
Mag. główny2
00| Grubość tarczy hamulcowej [mm] | 26 |
| Felga, liczba otworów | 6 |
| Grubość [mm] | 46,2 |
| średnica zewnętrzna [mm] | 290 |
| Ø rozmieszczenia otworów [mm] | 139,7 |
| Powierzchnia | pokryty |
| Typ tarczy hamulcowej | z wentylacją wewnętrzną |
| Strona zabudowy | Oś przednia |
| Minimalna grubość [mm] | 24,4 |
| Średnica otworu centrującego [mm] | 94 |
| Ciężar [kg] | 6,48 |
| uwzględnić informację serwisową |
80 92 6048_SWGTARCZA HAMULCOWA
Mag. główny0
| Grubość tarczy hamulcowej [mm] | 26 |
| Felga, liczba otworów | 6 |
| Grubość [mm] | 46,2 |
| średnica zewnętrzna [mm] | 290 |
| Ø rozmieszczenia otworów [mm] | 139,7 |
| Powierzchnia | pokryty |
| Typ tarczy hamulcowej | z wentylacją wewnętrzną |
| Strona zabudowy | Oś przednia |
| Minimalna grubość [mm] | 24,4 |
| Średnica otworu centrującego [mm] | 94 |
| Ciężar [kg] | 6,48 |
92074600_TXRTARCZA HAMULCOWA
Mag. główny0
| Typ tarczy hamulcowej | z wentylacją wewnętrzną |
| średnica zewnętrzna [mm] | 277 |
| Grubość tarczy hamulcowej [mm] | 22 |
| Wysokość [mm] | 45 |
| Minimalna grubość [mm] | 20,4 |
| Średnica wewnętrzna [mm] | 1 |
| Ø rozmieszczenia otworów [mm] | 108 |
| Średnica otworu centrującego [mm] | 87,1 |
| Wzór otworów/liczba otworów | 06/06 |
| Średnica otworu szpilki koła [mm] | 11 |
| Informacja uzupełniająca | bez piasty koła |
| Informacja uzupełniająca | bez łożyska koła |
| Informacja uzupełniająca | bez sworznia mocującego koła |
| Długość opakowania [cm] | 29,3 |
| Szerokość opakowania [cm] | 29,3 |
| Wysokość opakowania [cm] | 10,5 |
| Ciężar [kg] | 6,2 |
92074603_TXRTARCZA HAMULCOWA
Mag. główny0
| Typ tarczy hamulcowej | z wentylacją wewnętrzną |
| średnica zewnętrzna [mm] | 277 |
| Grubość tarczy hamulcowej [mm] | 22 |
| Wysokość [mm] | 45 |
| Minimalna grubość [mm] | 20,4 |
| Powierzchnia | pokryty |
| Średnica wewnętrzna [mm] | 1 |
| Ø rozmieszczenia otworów [mm] | 108 |
| Średnica otworu centrującego [mm] | 87,1 |
| Wzór otworów/liczba otworów | 06/06 |
| Średnica otworu szpilki koła [mm] | 11 |
| Informacja uzupełniająca | bez piasty koła |
| Informacja uzupełniająca | bez łożyska koła |
| Informacja uzupełniająca | bez sworznia mocującego koła |
| Długość opakowania [cm] | 26,3 |
| Szerokość opakowania [cm] | 26,3 |
| Wysokość opakowania [cm] | 13,5 |
| Ciężar [kg] | 6,2 |