17919_ABSTARCZA HAMULCOWA (!)
51806099
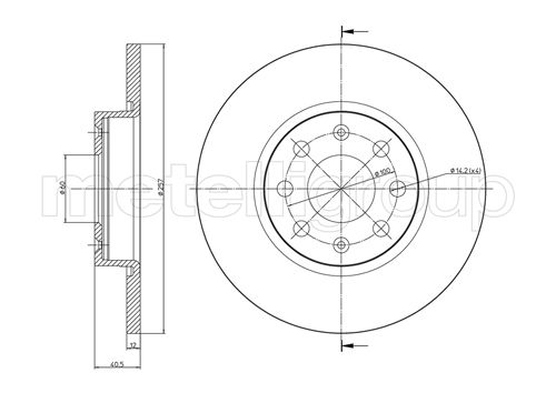
Mag. główny2
0| średnica zewnętrzna [mm] | 257 |
| Grubość tarczy hamulcowej [mm] | 12 |
| Minimalna grubość [mm] | 10 |
| Wysokość [mm] | 40,5 |
| Felga, liczba otworów | 4 |
| Typ tarczy hamulcowej | pełny |
| Średnica otworu centrującego [mm] | 60 |
| Ø rozmieszczenia otworów [mm] | 100 |
| Powierzchnia | pokryty |
| średnica piasty [mm] | 137 |
60-00-0242C_ASHTARCZA HAMULCOWA
24.0112-0184.1_ATETARCZA HAMULC. FIAT GRANDE PUNTO 06-09 1,2 PRZÓD
(257x12mm) Opel Corsa D 1,0 06-09 przód
Mag. główny0
00| średnica zewnętrzna [mm] | 257,0 |
| Grubość tarczy hamulcowej [mm] | 12,0 |
| Minimalna grubość [mm] | 10,0 |
| Typ tarczy hamulcowej | pełny |
| Powierzchnia | pokryty |
| Liczba otworów | 4 |
| Liczba otworów 2 | 6 |
| Ø rozmieszczenia otworów [mm] | 100,0 |
| Wysokość [mm] | 40,5 |
| Średnica otworu centrującego [mm] | 60,0 |
| Średnica wewnętrzna [mm] | 127,0 |
| Średnica otworu [mm] | 14,3 |
| Informacja uzupełniająca | ze śrubami |
| Dostępne MAPP-Code | |
| Oznaczenie kontrolne | E1 90R-02C0165/0627 |
ADL144329_BLPTARCZA HAMULC. OPEL
CORSA D (S07) 1.0 (L08, L68) 2006.07->2014.08
Mag. główny0
00| Grubość tarczy hamulcowej [mm] | 12 |
| Felga, liczba otworów | 4 |
| Liczba otworów do mocowania | 2 |
| Grubość [mm] | 41 |
| średnica zewnętrzna [mm] | 257 |
| Ø rozmieszczenia otworów [mm] | 100 |
| Powierzchnia | pokryty |
| Typ tarczy hamulcowej | pełny |
| Strona zabudowy | Oś przednia |
| Minimalna grubość [mm] | 10 |
| Średnica otworu centrującego [mm] | 60 |
| Ciężar [kg] | 4,18 |
| uwzględnić informację serwisową |
ADL144330_BLPTARCZA HAMULC. FIAT BRAVA,BRAVO,MAREA
PANDA (312_, 319_) 1.2 (312PXA1A) 2012.02->
Mag. główny0
00| Grubość tarczy hamulcowej [mm] | 12 |
| Felga, liczba otworów | 4 |
| Liczba otworów do mocowania | 2 |
| Grubość [mm] | 40 |
| średnica zewnętrzna [mm] | 258 |
| Ø rozmieszczenia otworów [mm] | 98 |
| Powierzchnia | pokryty |
| Typ tarczy hamulcowej | pełny |
| Strona zabudowy | Oś przednia |
| Minimalna grubość [mm] | 10,2 |
| Średnica otworu centrującego [mm] | 59 |
| Ciężar [kg] | 4,24 |
| uwzględnić informację serwisową |
08.5086.21_BRETARCZA HAMULC. FIAT GRANDE PUNTO 06-09 1,2 PRZÓD
(257x12mm)
Mag. główny0
00| Typ tarczy hamulcowej | pełny |
| Grubość tarczy hamulcowej [mm] | 12 |
| Liczba otworów | 4 |
| Informacja uzupełniająca | ze śrubami |
| Wysokość [mm] | 41 |
| Średnica otworu centrującego [mm] | 60 |
| średnica zewnętrzna [mm] | 257 |
| Powierzchnia | pokryty |
| Minimalna grubość [mm] | 10 |
| Moment dokręcenia [Nm] | 98 |
08.5086.34_BRETARCZA HAMULC. OPEL CORSA D 06- 1,0 PRZÓD
(257x12mm)
Mag. główny0
0| Typ tarczy hamulcowej | pełny |
| Grubość tarczy hamulcowej [mm] | 12 |
| Liczba otworów | 4 |
| Informacja uzupełniająca | ze śrubami |
| Wysokość [mm] | 41 |
| Średnica otworu centrującego [mm] | 60 |
| średnica zewnętrzna [mm] | 257 |
| Minimalna grubość [mm] | 10 |
| Moment dokręcenia [Nm] | 110 |
800-858C_CIFTARCZA HAMULC. FIAT GRANDE PUNTO 06-09 1,2 PRZÓD
(257x12mm) Opel Corsa D 1,0 06-09 przód
Mag. główny0
0| Oznaczenie kontrolne | ECE-R90 |
| Wysokość [mm] | 40,5 |
| Typ tarczy hamulcowej | pełny |
| Grubość tarczy hamulcowej [mm] | 12,0 |
| średnica zewnętrzna [mm] | 257,0 |
| Liczba otworów | 4 |
| Średnica otworu centrującego [mm] | 60,0 |
| Powierzchnia | lakierowany |
B130333_DECTARCZA HAMULCOWA
Mag. główny0
0| Minimalna grubość [mm] | 10,0 |
| Typ tarczy hamulcowej | pełny |
| Średnica otworu [mm] | 14,3 |
| Grubość tarczy hamulcowej [mm] | 12 |
| Ø rozmieszczenia otworów [mm] | 100 |
| Liczba otworów 2 | 6 |
| Liczba otworów | 4 |
| Średnica wewnętrzna [mm] | 127,0 |
| Wysokość [mm] | 40,5 |
| Średnica otworu centrującego [mm] | 60 |
| średnica zewnętrzna [mm] | 257 |
FT31079_FASTARCZA HAMULCOWA

Mag. główny0
0| Strona zabudowy | Oś przednia |
| Wysokość [mm] | 40,5 |
| Typ tarczy hamulcowej | wentylowany |
| Grubość tarczy hamulcowej [mm] | 22 |
| Kolor | czarny |
| średnica zewnętrzna [mm] | 257 |
| Liczba otworów | 6 |
| Średnica otworu centrującego [mm] | 60 |
| Ø rozmieszczenia otworów [mm] | 100 |
10618_FEBTARCZA HAMULC. FIAT BRAVA,BRAVO,MAREA
Marea,Punto,Tempra,Tipo
Mag. główny0
00| Grubość tarczy hamulcowej [mm] | 12 |
| Felga, liczba otworów | 4 |
| Liczba otworów do mocowania | 2 |
| Grubość [mm] | 40,4 |
| średnica zewnętrzna [mm] | 258 |
| Ø rozmieszczenia otworów [mm] | 98 |
| Powierzchnia | pokryty |
| Typ tarczy hamulcowej | pełny |
| Strona zabudowy | Oś przednia |
| Minimalna grubość [mm] | 10,2 |
| Średnica otworu centrującego [mm] | 59 |
| Ciężar [kg] | 4,24 |
| uwzględnić informację serwisową |
43919_FEBTARCZA HAMULC. FIAT GRANDE PUNTO 06-09 1,2 PRZÓD
(257x12mm) Opel Corsa D 1,0 06-09 przód
Mag. główny0
00| Grubość tarczy hamulcowej [mm] | 12 |
| Felga, liczba otworów | 4 |
| Liczba otworów do mocowania | 2 |
| Grubość [mm] | 40,6 |
| średnica zewnętrzna [mm] | 257 |
| Ø rozmieszczenia otworów [mm] | 100 |
| Powierzchnia | pokryty |
| Typ tarczy hamulcowej | pełny |
| Strona zabudowy | Oś przednia |
| Minimalna grubość [mm] | 10 |
| Średnica otworu centrującego [mm] | 60 |
| Ciężar [kg] | 4,18 |
| uwzględnić informację serwisową |
GH-402389TARCZA HAMULCOWA
Mag. główny0
| Strona zabudowy | Oś przednia |
| Strona zabudowy | Oś przednia, z prawej |
| Strona zabudowy | Oś przednia, z lewej |
| Grubość tarczy hamulcowej [mm] | 22 |
| Liczba otworów | 6 |
| Ø rozmieszczenia otworów [mm] | 100 |
| Średnica otworu centrującego [mm] | 60 |
| średnica zewnętrzna [mm] | 257 |
| Typ tarczy hamulcowej | wentylowany |
| Wymiar gwintu | 14,5 |
| Wysokość [mm] | 40,5 |
30H9101-JPN_JPNTARCZA HAMULC. FIAT GRANDE PUNTO 06-09 1,2 PRZÓD
(257x12mm) OPEL CORSA D 1,0 06 ->09 przód
Mag. główny0
0| Strona zabudowy | Oś przednia |
| Typ tarczy hamulcowej | pełny |
| Felga, liczba otworów | 4 |
| Grubość tarczy hamulcowej [mm] | 12 |
| średnica zewnętrzna [mm] | 257 |
| Średnica otworu centrującego [mm] | 60 |
| Ø rozmieszczenia otworów [mm] | 100 |
| Liczba otworów do mocowania | 2 |
70 91 0618_SWGTARCZA HAMULCOWA
Mag. główny0
| Grubość tarczy hamulcowej [mm] | 12 |
| Felga, liczba otworów | 4 |
| Liczba otworów do mocowania | 2 |
| Grubość [mm] | 40,4 |
| średnica zewnętrzna [mm] | 257,5 |
| Ø rozmieszczenia otworów [mm] | 98 |
| Powierzchnia | pokryty |
| Typ tarczy hamulcowej | pełny |
| Strona zabudowy | Oś przednia |
| Minimalna grubość [mm] | 10,2 |
| Średnica otworu centrującego [mm] | 59 |
| Ciężar [kg] | 4,24 |
70 94 3919_SWGTARCZA HAMULCOWA
Mag. główny0
| Grubość tarczy hamulcowej [mm] | 12 |
| Felga, liczba otworów | 4 |
| Liczba otworów do mocowania | 2 |
| Grubość [mm] | 40,6 |
| średnica zewnętrzna [mm] | 257 |
| Ø rozmieszczenia otworów [mm] | 100 |
| Powierzchnia | pokryty |
| Typ tarczy hamulcowej | pełny |
| Strona zabudowy | Oś przednia |
| Minimalna grubość [mm] | 10 |
| Średnica otworu centrującego [mm] | 60 |
| Ciężar [kg] | 4,18 |
207 602_HPTARCZA HAMULCOWA
Mag. główny0
0| Strona zabudowy | Oś przednia |
| Typ tarczy hamulcowej | wentylowany |
| średnica zewnętrzna [mm] | 257 |
| średnica piasty [mm] | 137 |
| Powierzchnia | pokryty |
| Średnica otworu centrującego [mm] | 60 |
| Grubość tarczy hamulcowej [mm] | 22 |
| Wysokość [mm] | 40,5 |
| Felga, liczba otworów | 4 |
| Ø rozmieszczenia otworów [mm] | 100 |
| Zamiana tylko w parach |
DF4796_LUCTARCZA HAMULC. OPEL CORSA D 06- PRZÓD (!)
(257x22mm) Fiat Grande Punto 05- przód
Mag. główny2
00| Minimalna grubość [mm] | 20 |
| Typ tarczy hamulcowej | wentylowany |
| Grubość tarczy hamulcowej [mm] | 22 |
| Wymiar gwintu | 14,5 |
| średnica zewnętrzna [mm] | 257 |
| Liczba otworów | 6 |
| Średnica otworu centrującego [mm] | 60 |
| Wysokość [mm] | 40,5 |
| Ø rozmieszczenia otworów [mm] | 100 |
| Kolor | czarny |
| Powierzchnia | lakierowany |
| Oznaczenie kontrolne | E190R-02C0176/0091 |
40-1614_VAIZESTAW HAMULCOWY OPEL
ADAM (M13) 1.4 LPG 2012.10->2019.02
Mag. główny0
0| Strona zabudowy | Oś przednia |
| Typ tarczy hamulcowej | wentylowany |
| średnica zewnętrzna [mm] | 257 |
| Grubość tarczy hamulcowej [mm] | 22 |
| Ø rozmieszczenia otworów [mm] | 100 |
| Średnica otworu [mm] | 14,5 |
| Średnica wewnętrzna [mm] | 126 |
| Średnica otworu centrującego [mm] | 60 |
| Wysokość [mm] | 40,5 |
| Informacja uzupełniająca | z tarczami i okładzinami hamulcowymi |
| Styk ostrzegawczy o zużyciu | z akustycznym czujnikiem zużycia |
| spełnia wymagania Normy ECE | R90 |
| Minimalna grubość [mm] | 20 |
| Liczba otworów | 4 |
197028_VALTARCZA HAMULCOWA
Mag. główny0
| Strona zabudowy | Oś przednia |
| Typ tarczy hamulcowej | pełny |
| średnica zewnętrzna [mm] | 257 |
| Grubość tarczy hamulcowej [mm] | 12 |
| Średnica otworu centrującego [mm] | 60 |
| Wysokość [mm] | 40,6 |
| Minimalna grubość [mm] | 10 |
| Felga, liczba otworów | 6 |
| Liczba otworów do mocowania | 4 |
| Oznaczenie kontrolne | ECE-R90 |
| Ciężar [kg] | 8,61 |
673174_VALTARCZA HAMULCOWA
Mag. główny0
| Strona zabudowy | Oś przednia |
| Typ tarczy hamulcowej | pełny |
| Powierzchnia | pokryty |
| Przetwarzanie | wysoko nawęglany |
| średnica zewnętrzna [mm] | 257 |
| Grubość tarczy hamulcowej [mm] | 12 |
| Wysokość [mm] | 40,6 |
| Minimalna grubość [mm] | 10 |
| Felga, liczba otworów | 6 |
| Liczba otworów do mocowania | 2 |
| Informacja uzupełniająca | bez pierścienia nadajnika impulsów ABS |
| Informacja uzupełniająca | bez zintegrowanego łożyska koła |
| Oznaczenie kontrolne | ECE-R90 |
| Ciężar [kg] | 8,85 |
430.2609.20_ZIMTARCZA HAMULC. FIAT GRANDE PUNTO 06-09 1,2 PRZÓD
(257x12mm) Opel Corsa D 1,0 06-09 przód
Mag. główny0
00| Typ tarczy hamulcowej | pełny |
| Powierzchnia | pokryty |
| średnica zewnętrzna [mm] | 257 |
| Grubość tarczy hamulcowej [mm] | 12 |
| Wysokość [mm] | 40 |
| Felga, liczba otworów | 4 |
| Ø rozmieszczenia otworów [mm] | 100 |
| Średnica otworu centrującego [mm] | 60 |
| Oznaczenie kontrolne | ECE R90 APPROVED |
| Minimalna grubość [mm] | 10 |
| Ciężar [kg] | 4 |
| Wzór otworów/liczba otworów | 8/4 |