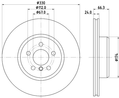
18686_ABSTARCZA HAMULC. BMW 5 G30,F90 16- PRZÓD
(330x24mm)
Mag. główny0
0| Średnica zewnętrzna [mm] | 330 |
| Grubość tarczy hamulcowej [mm] | 24 |
| Minimalna grubość [mm] | 22,4 |
| Wysokość [mm] | 66,3 |
| Felga, liczba otworów | 5 |
| Typ tarczy hamulcowej | wentylowany |
| Średnica otworu centrującego [mm] | 67 |
| Ø rozmieszczenia otworów [mm] | 112 |
| Powierzchnia | pokryty |
| Średnica piasty [mm] | 174 |
24.0124-0264.2_ATETARCZA HAMULC. BMW 5 G30,F90 16- PRZÓD
Mag. główny0
00| Średnica zewnętrzna [mm] | 330,0 |
| Grubość tarczy hamulcowej [mm] | 24,0 |
| Minimalna grubość [mm] | 22,4 |
| Typ tarczy hamulcowej | 2-częściowa tarcza hamulcowa |
| Typ tarczy hamulcowej | wentylowany |
| Przetwarzanie | wysoko nawęglany |
| Powierzchnia | pokryty |
| Liczba otworów | 5 |
| Informacja uzupełniająca | ze śrubami |
| Ø rozmieszczenia otworów [mm] | 112,0 |
| Wysokość [mm] | 66,2 |
| Średnica otworu centrującego [mm] | 67,0 |
| Średnica wewnętrzna [mm] | 153,7 |
| Średnica otworu [mm] | 16,5 |
| Oznaczenie kontrolne | E1 90R-02C0679/1309 |
| Dostępne MAPP-Code |
ADBP430020_BLPTARCZA HAMULC. BMW 7 G11,G12 15- LP
(348x36mm)
Mag. główny0
00| sparowany numer artykułu | ADBP430021 |
| Grubość tarczy hamulcowej [mm] | 36 |
| Felga, liczba otworów | 5 |
| Liczba otworów do mocowania | 1 |
| Grubość [mm] | 66 |
| Średnica zewnętrzna [mm] | 348 |
| Ø rozmieszczenia otworów [mm] | 112 |
| Przetwarzanie | wysoko nawęglany |
| Powierzchnia | pokryty |
| Typ tarczy hamulcowej | z wentylacją wewnętrzną |
| Strona zabudowy | Oś przednia, z lewej |
| Minimalna grubość [mm] | 34,4 |
| Średnica otworu centrującego [mm] | 67 |
| uwzględnić informację serwisową |
ADBP430021_BLPTARCZA HAMULC. BMW 7 G11,G12 15- PP
3 (G20) 2018
Mag. główny0
00| sparowany numer artykułu | ADBP430020 |
| Grubość tarczy hamulcowej [mm] | 36 |
| Felga, liczba otworów | 5 |
| Liczba otworów do mocowania | 1 |
| Grubość [mm] | 66 |
| Średnica zewnętrzna [mm] | 348 |
| Ø rozmieszczenia otworów [mm] | 112 |
| Przetwarzanie | wysoko nawęglany |
| Powierzchnia | pokryty |
| Typ tarczy hamulcowej | z wentylacją wewnętrzną |
| Strona zabudowy | Oś przednia, z prawej |
| Minimalna grubość [mm] | 34,4 |
| Średnica otworu centrującego [mm] | 67 |
| uwzględnić informację serwisową |
ADBP430064_BLPTARCZA HAMULC. BMW 5 G30,F90 16- PRZÓD
(330x24mm))
Mag. główny0
00| Grubość tarczy hamulcowej [mm] | 24 |
| Felga, liczba otworów | 5 |
| Liczba otworów do mocowania | 1 |
| Grubość [mm] | 66 |
| Średnica zewnętrzna [mm] | 330 |
| Ø rozmieszczenia otworów [mm] | 112 |
| Przetwarzanie | wysoko nawęglany |
| Powierzchnia | pokryty |
| Typ tarczy hamulcowej | z wentylacją wewnętrzną |
| Strona zabudowy | Oś przednia |
| Minimalna grubość [mm] | 22,4 |
| Średnica otworu centrującego [mm] | 67 |
| uwzględnić informację serwisową |
0986479F56_BOSTARCZA HAMULCOWA BD2801
BD2801

Mag. główny0
| Średnica zewnętrzna [mm] | 330 |
| Grubość tarczy hamulcowej [mm] | 24 |
| Minimalna grubość [mm] | 22,4 |
| Wysokość [mm] | 66,2 |
| Ø rozmieszczenia otworów [mm] | 112 |
| Typ tarczy hamulcowej | 2-częściowa tarcza hamulcowa |
| Typ tarczy hamulcowej | wentylowany |
| Średnica otworu centrującego [mm] | 67 |
| Liczba otworów | 5 |
| Powierzchnia | pokryty |
| Przetwarzanie | wysoko nawęglany |
| Informacja uzupełniająca | ze śrubą |
| spełnia wymagania Normy ECE | ECE-R90 |
| Średnica otworu do [mm] | 16,5 |
0986479F58_BOSTARCZA HAMULC. BMW 7 G11,G12 15- LP
(348x36mm)
Mag. główny0
00| Średnica zewnętrzna [mm] | 348 |
| Grubość tarczy hamulcowej [mm] | 36 |
| Minimalna grubość [mm] | 34,4 |
| Wysokość [mm] | 66,1 |
| Ø rozmieszczenia otworów [mm] | 112 |
| Typ tarczy hamulcowej | 2-częściowa tarcza hamulcowa |
| Typ tarczy hamulcowej | wentylowany |
| Średnica otworu centrującego [mm] | 67 |
| Powierzchnia | pokryty |
| Przetwarzanie | wysoko nawęglany |
| Informacja uzupełniająca | ze śrubami |
| spełnia wymagania Normy ECE | ECE-R90 |
| Średnica otworu do [mm] | 16,5 |
| sparowany numer artykułu | 0 986 479 F59 |
| uwzględnić informację serwisową |
0986479F59_BOSTARCZA HAMULC. BMW 7 G11,G12 15- PP
(348x36mm)
Mag. główny0
00| Średnica zewnętrzna [mm] | 348 |
| Grubość tarczy hamulcowej [mm] | 36 |
| Minimalna grubość [mm] | 34,4 |
| Wysokość [mm] | 66,1 |
| Ø rozmieszczenia otworów [mm] | 112 |
| Typ tarczy hamulcowej | 2-częściowa tarcza hamulcowa |
| Typ tarczy hamulcowej | wentylowany |
| Średnica otworu centrującego [mm] | 67 |
| Liczba otworów | 5 |
| Powierzchnia | pokryty |
| Przetwarzanie | wysoko nawęglany |
| Informacja uzupełniająca | ze śrubami |
| spełnia wymagania Normy ECE | ECE-R90 |
| Średnica otworu do [mm] | 16,5 |
| sparowany numer artykułu | 0 986 479 F58 |
| uwzględnić informację serwisową |
09.D094.13_BRETARCZA HAMULC. BMW 7 G11,G12 15- LP
(348x36mm)
Mag. główny0
00| Typ tarczy hamulcowej | z wentylacją wewnętrzną |
| Typ tarczy hamulcowej | 2-częściowa tarcza hamulcowa |
| Typ tarczy hamulcowej | Aluminiowy kielich tarczy hamulcowej |
| Grubość tarczy hamulcowej [mm] | 36 |
| Liczba otworów | 5 |
| Informacja uzupełniająca | ze śrubami |
| Wysokość [mm] | 66 |
| Średnica otworu centrującego [mm] | 67 |
| Średnica zewnętrzna [mm] | 348 |
| Przetwarzanie | wysoko nawęglany |
| Powierzchnia | pokryty |
| sparowany numer artykułu | 09.D095.13 |
| Minimalna grubość [mm] | 34,4 |
09.D095.13_BRETARCZA HAMULC. BMW 7 G11,G12 15- PP
(348x36mm)
Mag. główny0
00| Typ tarczy hamulcowej | z wentylacją wewnętrzną |
| Typ tarczy hamulcowej | 2-częściowa tarcza hamulcowa |
| Typ tarczy hamulcowej | Aluminiowy kielich tarczy hamulcowej |
| Grubość tarczy hamulcowej [mm] | 36 |
| Liczba otworów | 5 |
| Informacja uzupełniająca | ze śrubami |
| Wysokość [mm] | 66 |
| Średnica otworu centrującego [mm] | 67 |
| Średnica zewnętrzna [mm] | 348 |
| Przetwarzanie | wysoko nawęglany |
| Powierzchnia | pokryty |
| sparowany numer artykułu | 09.D094.13 |
| Minimalna grubość [mm] | 34,4 |
09.D904.13_BRETARCZA HAMULC. BMW 5 G30,F90 16- PRZÓD
(330x24mm)
Mag. główny0
00| Typ tarczy hamulcowej | z wentylacją wewnętrzną |
| Typ tarczy hamulcowej | 2-częściowa tarcza hamulcowa |
| Typ tarczy hamulcowej | Aluminiowy kielich tarczy hamulcowej |
| Grubość tarczy hamulcowej [mm] | 24 |
| Liczba otworów | 5 |
| Informacja uzupełniająca | ze śrubami |
| Wysokość [mm] | 66 |
| Średnica otworu centrującego [mm] | 67 |
| Średnica zewnętrzna [mm] | 330 |
| Przetwarzanie | wysoko nawęglany |
| Powierzchnia | pokryty |
| Minimalna grubość [mm] | 22,4 |
BG9454BC_DELTARCZA HAMULCOWA
Mag. główny0
0| Typ tarczy hamulcowej | wentylowany |
| Typ tarczy hamulcowej | 2-częściowa tarcza hamulcowa |
| Liczba otworów | 5 |
| Oznaczenie kontrolne | E1 90R-02C0836/0129 |
| Powierzchnia | pokryty |
| Przetwarzanie | wysoko nawęglany |
| Średnica zewnętrzna [mm] | 330 |
| Grubość tarczy hamulcowej [mm] | 24 |
| Minimalna grubość [mm] | 22,4 |
| Średnica otworu centrującego [mm] | 67 |
| Wysokość [mm] | 66 |
B130884_DECTARCZA HAMULCOWA
Mag. główny0
0| Minimalna grubość [mm] | 22,4 |
| Typ tarczy hamulcowej | 2-częściowa tarcza hamulcowa |
| Grubość tarczy hamulcowej [mm] | 24 |
| Wysokość [mm] | 66,2 |
| Średnica zewnętrzna [mm] | 330 |
| Rozporządzenie UE w sprawie bezpieczeństwa produktów (GPSR) | IEC 60417-6183 wymagana specjalistyczna wiedza mechaniczna |
171454_FEBTARCZA HAMULC. BMW 7 G11,G12 15- LP
(348x36mm)
Mag. główny0
00| sparowany numer artykułu | 171456 |
| Grubość tarczy hamulcowej [mm] | 36 |
| Felga, liczba otworów | 5 |
| Liczba otworów do mocowania | 1 |
| Grubość [mm] | 66,2 |
| Średnica zewnętrzna [mm] | 348 |
| Ø rozmieszczenia otworów [mm] | 112 |
| Przetwarzanie | wysoko nawęglany |
| Powierzchnia | pokryty |
| Typ tarczy hamulcowej | z wentylacją wewnętrzną |
| Strona zabudowy | Oś przednia, z lewej |
| Minimalna grubość [mm] | 34,4 |
| Średnica otworu centrującego [mm] | 67 |
| uwzględnić informację serwisową |
171456_FEBTARCZA HAMULC. BMW 7 G11,G12 15- PP
(348x36mm)
Mag. główny0
00| sparowany numer artykułu | 171454 |
| Grubość tarczy hamulcowej [mm] | 36 |
| Felga, liczba otworów | 5 |
| Liczba otworów do mocowania | 1 |
| Grubość [mm] | 66,2 |
| Średnica zewnętrzna [mm] | 348 |
| Ø rozmieszczenia otworów [mm] | 112 |
| Przetwarzanie | wysoko nawęglany |
| Powierzchnia | pokryty |
| Typ tarczy hamulcowej | z wentylacją wewnętrzną |
| Strona zabudowy | Oś przednia, z prawej |
| Minimalna grubość [mm] | 34,4 |
| Średnica otworu centrującego [mm] | 67 |
| uwzględnić informację serwisową |
173011_FEBTARCZA HAMULC. BMW 5 G30,F90 16- PRZÓD
(330x24mm)
Mag. główny0
00| Grubość tarczy hamulcowej [mm] | 24 |
| Felga, liczba otworów | 5 |
| Liczba otworów do mocowania | 1 |
| Grubość [mm] | 66,3 |
| Średnica zewnętrzna [mm] | 330 |
| Ø rozmieszczenia otworów [mm] | 112 |
| Przetwarzanie | wysoko nawęglany |
| Powierzchnia | pokryty |
| Typ tarczy hamulcowej | z wentylacją wewnętrzną |
| Strona zabudowy | Oś przednia |
| Minimalna grubość [mm] | 22,4 |
| Średnica otworu centrującego [mm] | 67 |
| uwzględnić informację serwisową |
103052_KAMTARCZA HAMULC. BMW 5 G30,F90 16- PRZÓD
BMW 3(G20, G80) 18-, 3(G21, G81) 19-, 5(G30, F90) 16-, 5(G31) 17-, X3 17-, X4 18-, Z4 18-, TOYOTA SUPRA 19-
Mag. główny0
00| Strona zabudowy | Oś przednia |
| Typ tarczy hamulcowej | wentylowany |
| Grubość tarczy hamulcowej [mm] | 24 |
| Felga, liczba otworów | 5 |
| Wysokość [mm] | 66 |
| Powierzchnia | pokryty |
| Średnica zewnętrzna [mm] | 330 |
VKBD 81348 V1_SKFTARCZA HAMULCOWA
Mag. główny0
0| Typ tarczy hamulcowej | z wentylacją wewnętrzną |
| Średnica zewnętrzna [mm] | 330 |
| Grubość tarczy hamulcowej [mm] | 24 |
| Wysokość [mm] | 66,3 |
| Ø rozmieszczenia otworów [mm] | 112 |
| Średnica otworu centrującego [mm] | 67 |
| Liczba otworów | 5 |
| Powierzchnia | pokryty |
| Minimalna grubość [mm] | 22,4 |
| Liczba otworów | 1 |
33 10 6577_SWGTARCZA HAMULCOWA
Mag. główny0
| sparowany numer artykułu | 33 10 6587 |
| Grubość tarczy hamulcowej [mm] | 36 |
| Felga, liczba otworów | 5 |
| Liczba otworów do mocowania | 1 |
| Grubość [mm] | 66,2 |
| Średnica zewnętrzna [mm] | 348 |
| Ø rozmieszczenia otworów [mm] | 112 |
| Przetwarzanie | wysoko nawęglany |
| Powierzchnia | pokryty |
| Typ tarczy hamulcowej | z wentylacją wewnętrzną |
| Strona zabudowy | Oś przednia, z prawej |
| Minimalna grubość [mm] | 34,4 |
| Średnica otworu centrującego [mm] | 67 |
33 10 6587_SWGTARCZA HAMULCOWA
Mag. główny0
| sparowany numer artykułu | 33 10 6577 |
| Grubość tarczy hamulcowej [mm] | 36 |
| Felga, liczba otworów | 5 |
| Liczba otworów do mocowania | 1 |
| Grubość [mm] | 66,2 |
| Średnica zewnętrzna [mm] | 348 |
| Ø rozmieszczenia otworów [mm] | 112 |
| Przetwarzanie | wysoko nawęglany |
| Powierzchnia | pokryty |
| Typ tarczy hamulcowej | z wentylacją wewnętrzną |
| Strona zabudowy | Oś przednia, z lewej |
| Minimalna grubość [mm] | 34,4 |
| Średnica otworu centrującego [mm] | 67 |
33 10 7239_SWGTARCZA HAMULCOWA
Mag. główny0
| Grubość tarczy hamulcowej [mm] | 24 |
| Felga, liczba otworów | 5 |
| Liczba otworów do mocowania | 1 |
| Grubość [mm] | 66,3 |
| Średnica zewnętrzna [mm] | 330 |
| Ø rozmieszczenia otworów [mm] | 112 |
| Przetwarzanie | wysoko nawęglany |
| Powierzchnia | pokryty |
| Typ tarczy hamulcowej | z wentylacją wewnętrzną |
| Strona zabudowy | Oś przednia |
| Minimalna grubość [mm] | 22,4 |
| Średnica otworu centrującego [mm] | 67 |
92329205_TXRTARCZA HAMULCOWA
Mag. główny0
| Typ tarczy hamulcowej | z wentylacją wewnętrzną |
| Średnica zewnętrzna [mm] | 330 |
| Grubość tarczy hamulcowej [mm] | 24 |
| Wysokość [mm] | 66,3 |
| Minimalna grubość [mm] | 22,4 |
| Przetwarzanie | wysoko nawęglany |
| Powierzchnia | pokryty |
| Średnica wewnętrzna [mm] | 164 |
| Ø rozmieszczenia otworów [mm] | 112 |
| Średnica otworu centrującego [mm] | 67 |
| Wzór otworów/liczba otworów | 05/06 |
| Średnica otworu szpilki koła [mm] | 16,6 |
| Informacja uzupełniająca | bez piasty koła |
| Informacja uzupełniająca | bez łożyska koła |
| Informacja uzupełniająca | bez sworznia mocującego koła |
| Długość opakowania [cm] | 35,8 |
| Szerokość opakowania [cm] | 35,8 |
| Wysokość opakowania [cm] | 8,5 |
| Ciężar [kg] | 9,6 |
503 972_HPTARCZA HAMULCOWA
Mag. główny0
| Strona zabudowy | Oś przednia |
| Typ tarczy hamulcowej | wentylowany |
| Powierzchnia | pokryty |
| Średnica zewnętrzna [mm] | 330 |
| Średnica otworu centrującego [mm] | 67 |
| Wysokość [mm] | 66 |
| Grubość tarczy hamulcowej [mm] | 24 |
| Felga, liczba otworów | 5 |
| Ø rozmieszczenia otworów [mm] | 112 |
| Zamiana tylko w parach |
673183_VALTARCZA HAMULCOWA
Mag. główny0
| Strona zabudowy | Oś przednia |
| Typ tarczy hamulcowej | wentylowany |
| Powierzchnia | pokryty |
| Średnica zewnętrzna [mm] | 330 |
| Grubość tarczy hamulcowej [mm] | 24 |
| Wysokość [mm] | 66,3 |
| Minimalna grubość [mm] | 22,4 |
| Felga, liczba otworów | 5 |
| Liczba otworów do mocowania | 1 |
| Informacja uzupełniająca | bez pierścienia nadajnika impulsów ABS |
| Informacja uzupełniająca | bez zintegrowanego łożyska koła |
| Oznaczenie kontrolne | ECE-R90 |
| Ciężar [kg] | 9,3 |
150.2951.20_ZIMTARCZA HAMULC. BMW 5 G30,F90 16- PRZÓD
(330x24mm)
Mag. główny2
00| Strona zabudowy | Oś przednia |
| Typ tarczy hamulcowej | z wentylacją wewnętrzną |
| Przetwarzanie | wysoko nawęglany |
| Powierzchnia | pokryty |
| Średnica zewnętrzna [mm] | 330 |
| Grubość tarczy hamulcowej [mm] | 24 |
| Wysokość [mm] | 66 |
| Felga, liczba otworów | 5 |
| Ø rozmieszczenia otworów [mm] | 112 |
| Średnica otworu centrującego [mm] | 67 |
| Oznaczenie kontrolne | ECE R90 APPROVED |
| Minimalna grubość [mm] | 22,4 |
| Wzór otworów/liczba otworów | 6/5 |
| Ciężar [kg] | 9,6 |
150.2951.32_ZIMTARCZA HAMULC. BMW 5 G30,F90 16- PRZÓD
(330x24mm)
Mag. główny0
00| Strona zabudowy | Oś przednia |
| Typ tarczy hamulcowej | z wentylacją wewnętrzną |
| Typ tarczy hamulcowej | 2-częściowa tarcza hamulcowa |
| Typ tarczy hamulcowej | Aluminiowy kielich tarczy hamulcowej |
| Przetwarzanie | wysoko nawęglany |
| Powierzchnia | pokryty |
| Średnica zewnętrzna [mm] | 330 |
| Grubość tarczy hamulcowej [mm] | 24 |
| Wysokość [mm] | 66 |
| Felga, liczba otworów | 5 |
| Ø rozmieszczenia otworów [mm] | 112 |
| Średnica otworu centrującego [mm] | 67 |
| Oznaczenie kontrolne | ECE R90 APPROVED |
| Minimalna grubość [mm] | 22,4 |
| Wzór otworów/liczba otworów | 6/5 |
| Ciężar [kg] | 8,9 |
150.2951.52_ZIMTARCZA HAMULC. BMW 5 G30,F90 16- PRZÓD
(330x24mm)
Mag. główny0
00| Strona zabudowy | Oś przednia |
| Typ tarczy hamulcowej | z wentylacją wewnętrzną |
| Typ tarczy hamulcowej | perforowany |
| Przetwarzanie | wysoko nawęglany |
| Powierzchnia | pokryty |
| Średnica zewnętrzna [mm] | 330 |
| Grubość tarczy hamulcowej [mm] | 24 |
| Wysokość [mm] | 66 |
| Felga, liczba otworów | 5 |
| Ø rozmieszczenia otworów [mm] | 112 |
| Średnica otworu centrującego [mm] | 67 |
| Oznaczenie kontrolne | ECE R90 APPROVED |
| Minimalna grubość [mm] | 22,4 |
| Wzór otworów/liczba otworów | 6/5 |
| Ciężar [kg] | 9,5 |
150.2951.53_ZIMTARCZA HAMULC. BMW 5 G30,F90 16- PRZÓD
(330x24mm)
Mag. główny0
00| Strona zabudowy | Oś przednia |
| Typ tarczy hamulcowej | z wentylacją wewnętrzną |
| Typ tarczy hamulcowej | szczelinowy |
| Przetwarzanie | wysoko nawęglany |
| Powierzchnia | pokryty |
| Średnica zewnętrzna [mm] | 330 |
| Grubość tarczy hamulcowej [mm] | 24 |
| Wysokość [mm] | 66 |
| Felga, liczba otworów | 5 |
| Ø rozmieszczenia otworów [mm] | 112 |
| Średnica otworu centrującego [mm] | 67 |
| kierunkowa | |
| Oznaczenie kontrolne | ECE R90 APPROVED |
| Minimalna grubość [mm] | 22,4 |
| Wzór otworów/liczba otworów | 6/5 |
| Ciężar [kg] | 9,5 |