16046_ABSTARCZA HAMULCOWA (!)
46416712
Mag. główny2
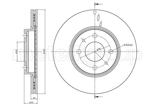
0| średnica zewnętrzna [mm] | 257 |
| Grubość tarczy hamulcowej [mm] | 20 |
| Minimalna grubość [mm] | 18,2 |
| Wysokość [mm] | 40,5 |
| Felga, liczba otworów | 4 |
| Typ tarczy hamulcowej | wentylowany |
| Średnica otworu centrującego [mm] | 59 |
| Ø rozmieszczenia otworów [mm] | 98 |
| średnica piasty [mm] | 137 |
231-03-050_ABATARCZA HAMULCOWA
Mag. główny0
0| Typ tarczy hamulcowej | wentylowany |
| średnica zewnętrzna [mm] | 258 |
| Grubość tarczy hamulcowej [mm] | 20 |
| wymagana liczba | 2 |
| Zamiana tylko w parach | |
| Wysokość [mm] | 40,5 |
| Ø rozmieszczenia otworów [mm] | 98 |
| Średnica otworu centrującego [mm] | 59 |
| Liczba otworów | 4 |
| Oznaczenie kontrolne | ECE R90 |
| Montaż/demontaż koniecznie do wykonania przez fachowców! |
231-03-050-2_ABATARCZA HAMULCOWA
Mag. główny0
0| Typ tarczy hamulcowej | wentylowany |
| średnica zewnętrzna [mm] | 258 |
| Grubość tarczy hamulcowej [mm] | 20 |
| wymagana liczba | 2 |
| Zamiana tylko w parach | |
| Wysokość [mm] | 40,5 |
| Ø rozmieszczenia otworów [mm] | 98 |
| Średnica otworu centrującego [mm] | 59 |
| Liczba otworów | 4 |
| Oznaczenie kontrolne | ECE R90 |
| Montaż/demontaż koniecznie do wykonania przez fachowców! |
60-00-0230C_ASHTARCZA HAMULCOWA
Mag. główny0
| średnica zewnętrzna [mm] | 257 |
| Wysokość [mm] | 40,5 |
| Typ tarczy hamulcowej | wentylowany |
| Grubość tarczy hamulcowej [mm] | 20 |
| Minimalna grubość [mm] | 18,2 |
| Liczba otworów | 4 |
| Powierzchnia | lakierowany |
| Strona zabudowy | Oś przednia |
| Moment dokręcenia [Nm] | 86 |
| dla numeru OE | 60811266 |
24.0120-0142.1_ATETARCZA HAMULC. FIAT BRAVA,BRAVO 96-02
(257x20mm) Alfa 145,146 96-01 Fiat Marea 96-02
Mag. główny0
00| średnica zewnętrzna [mm] | 257,5 |
| Grubość tarczy hamulcowej [mm] | 20,0 |
| Minimalna grubość [mm] | 18,2 |
| Typ tarczy hamulcowej | wentylowany |
| Przetwarzanie | stopowy / wysoko nawęglany |
| Powierzchnia | pokryty |
| Liczba otworów | 4 |
| Dostępne MAPP-Code | |
| Ø rozmieszczenia otworów [mm] | 98,0 |
| Wysokość [mm] | 40,5 |
| Średnica otworu centrującego [mm] | 59,0 |
| Średnica wewnętrzna [mm] | 126,7 |
| Średnica otworu [mm] | 13,0 |
| Oznaczenie kontrolne | E1 90R-02C0115/0493 |
24.0320-0142.1_ATETARCZA HAMULC. FIAT BRAVA,BRAVO 96-02
(257x20mm) POWER DISC Alfa 145,146 96-01 Fiat Marea 96-02 Tymczasowo zablokowane przez dostawcę
Mag. główny0
00| średnica zewnętrzna [mm] | 257,5 |
| Grubość tarczy hamulcowej [mm] | 20,0 |
| Minimalna grubość [mm] | 18,2 |
| Typ tarczy hamulcowej | wentylowany |
| Przetwarzanie | stopowy / wysoko nawęglany |
| Powierzchnia | pokryty |
| Liczba otworów | 4 |
| Dostępne MAPP-Code | |
| Ø rozmieszczenia otworów [mm] | 98,0 |
| Wysokość [mm] | 40,5 |
| Średnica otworu centrującego [mm] | 59,0 |
| Średnica wewnętrzna [mm] | 126,7 |
| Średnica otworu [mm] | 13,0 |
ADL144322_BLPTARCZA HAMULC. FIAT
DOBLO nadwozie wielkoprzestrzenne (MPV) (119_, 223_) 1.2 (223AXA1A) 2001.03->
Mag. główny0
00| Grubość tarczy hamulcowej [mm] | 20 |
| Felga, liczba otworów | 4 |
| Liczba otworów do mocowania | 4 |
| Grubość [mm] | 41 |
| średnica zewnętrzna [mm] | 257 |
| Ø rozmieszczenia otworów [mm] | 98 |
| Powierzchnia | pokryty |
| Typ tarczy hamulcowej | z wentylacją wewnętrzną |
| Strona zabudowy | Oś przednia |
| Minimalna grubość [mm] | 18,2 |
| Średnica otworu centrującego [mm] | 59 |
| Ciężar [kg] | 4,908 |
| uwzględnić informację serwisową |
09.5870.11_BRETARCZA HAMULC. FIAT BRAVA,BRAVO 96-02
(257x20mm) FIAT MAREA Weekend (185) 09/96- BARCHETTA (183) 04/95- BRAVA (182) 10/95-10/01 DOBLO (119) 03/01- PALIO Weekend (178DX) 04/96- PUNTO (188) 09/99- BRAVO (182) 10/95-10/01 DOBLO Cargo (223) 03/01
Mag. główny0
00| Typ tarczy hamulcowej | z wentylacją wewnętrzną |
| Grubość tarczy hamulcowej [mm] | 20 |
| Liczba otworów | 4 |
| Informacja uzupełniająca | ze śrubami |
| Wysokość [mm] | 41 |
| Średnica otworu centrującego [mm] | 59 |
| średnica zewnętrzna [mm] | 257 |
| Powierzchnia | pokryty |
| Minimalna grubość [mm] | 18,2 |
| Moment dokręcenia [Nm] | 86 |
09.5870.75_BRETARCZA HAMULC. FIAT BRAVA,BRAVO 96-02
(257x20mm) BREMBO MAX FIAT MAREA Weekend (185) 09/96- BARCHETTA (183) 04/95- BRAVA (182) 10/95-10/01 DOBLO (119) 03/01- PALIO Weekend (178DX) 04/96- PUNTO (188) 09/99- BRAVO (182) 10/95-10/01 DOBLO Cargo (223) 03/01
Mag. główny0
00| Typ tarczy hamulcowej | z wentylacją wewnętrzną |
| Typ tarczy hamulcowej | szczelinowy |
| Grubość tarczy hamulcowej [mm] | 20 |
| Liczba otworów | 4 |
| Informacja uzupełniająca | ze śrubami |
| Wysokość [mm] | 41 |
| Średnica otworu centrującego [mm] | 59 |
| średnica zewnętrzna [mm] | 257 |
| Powierzchnia | pokryty |
| Minimalna grubość [mm] | 18,2 |
| Moment dokręcenia [Nm] | 86 |
09.9631.14_BRETARCZA HAMULC. FIAT BRAVA,BRAVO 96-02
(257x20mm) FIAT MAREA Weekend (185) 09/96- BARCHETTA (183) 04/95- BRAVA (182) 10/95-10/01 DOBLO (119) 03/01- PALIO Weekend (178DX) 04/96- PUNTO (188) 09/99- BRAVO (182) 10/95-10/01 DOBLO Cargo (223) 03/01
Mag. główny0
00| Typ tarczy hamulcowej | z wentylacją wewnętrzną |
| Grubość tarczy hamulcowej [mm] | 20 |
| Liczba otworów | 4 |
| Wysokość [mm] | 41 |
| Średnica otworu centrującego [mm] | 59 |
| średnica zewnętrzna [mm] | 257 |
| Minimalna grubość [mm] | 18,2 |
| Moment dokręcenia [Nm] | 86 |
800-231C_CIFTARCZA HAMULC. FIAT BRAVA,BRAVO 96-02
(257x20mm) FIAT MAREA Weekend (185) 09/96- BARCHETTA (183) 04/95- BRAVA (182) 10/95-10/01 DOBLO (119) 03/01- PALIO Weekend (178DX) 04/96- PUNTO (188) 09/99- BRAVO (182) 10/95-10/01 DOBLO Cargo (223) 03/01-
Mag. główny0
0| Oznaczenie kontrolne | ECE-R90 |
| Wysokość [mm] | 40,5 |
| Typ tarczy hamulcowej | wentylowany |
| Grubość tarczy hamulcowej [mm] | 20,0 |
| średnica zewnętrzna [mm] | 257,0 |
| Liczba otworów | 4 |
| Średnica otworu centrującego [mm] | 59,0 |
| Powierzchnia | lakierowany |
BG2830_DELTARCZA HAMULCOWA
Mag. główny0
0| Typ tarczy hamulcowej | wentylowany |
| Liczba otworów | 4 |
| Oznaczenie kontrolne | E1 90R-02C0958/2553 |
| Powierzchnia | naoliwione |
| średnica zewnętrzna [mm] | 257 |
| Grubość tarczy hamulcowej [mm] | 20 |
| Minimalna grubość [mm] | 18,2 |
| Średnica otworu centrującego [mm] | 59,1 |
| Wysokość [mm] | 40,5 |
B130029_DECTARCZA HAMULCOWA
Mag. główny0
0| Minimalna grubość [mm] | 18,2 |
| Typ tarczy hamulcowej | wentylowany |
| Średnica otworu [mm] | 13,0 |
| Grubość tarczy hamulcowej [mm] | 20 |
| Ø rozmieszczenia otworów [mm] | 98 |
| Liczba otworów | 4 |
| Średnica wewnętrzna [mm] | 126,7 |
| Wysokość [mm] | 40,5 |
| Średnica otworu centrującego [mm] | 59 |
| średnica zewnętrzna [mm] | 258 |
FT31016_FASTARCZA HAMULCOWA

Mag. główny0
0| Strona zabudowy | Oś przednia |
| Wysokość [mm] | 40 |
| Typ tarczy hamulcowej | wentylowany |
| Grubość tarczy hamulcowej [mm] | 20 |
| Minimalna grubość [mm] | 18,2 |
| średnica zewnętrzna [mm] | 257 |
| Liczba otworów | 4 |
| Średnica otworu centrującego [mm] | 59 |
| średnica piasty [mm] | 137 |
10617_FEBTARCZA HAMULCOWA
Fiat Marea 96-02 Alfa Romeo 145,146 96-01
Mag. główny2
00| Grubość tarczy hamulcowej [mm] | 20 |
| Felga, liczba otworów | 4 |
| Liczba otworów do mocowania | 4 |
| Grubość [mm] | 40,5 |
| średnica zewnętrzna [mm] | 257 |
| Ø rozmieszczenia otworów [mm] | 98 |
| Powierzchnia | pokryty |
| Typ tarczy hamulcowej | z wentylacją wewnętrzną |
| Strona zabudowy | Oś przednia |
| Minimalna grubość [mm] | 18,2 |
| Średnica otworu centrującego [mm] | 59 |
| Ciężar [kg] | 4,870 |
| uwzględnić informację serwisową |
GH-402318TARCZA HAMULCOWA
Mag. główny0
| Strona zabudowy | Oś przednia |
| Strona zabudowy | Oś przednia, z prawej |
| Strona zabudowy | Oś przednia, z lewej |
| Grubość tarczy hamulcowej [mm] | 20 |
| Liczba otworów | 4 |
| Ø rozmieszczenia otworów [mm] | 98 |
| Średnica otworu centrującego [mm] | 59 |
| średnica zewnętrzna [mm] | 240 |
| Typ tarczy hamulcowej | wentylowany |
| Wymiar gwintu | 13 |
| Wysokość [mm] | 47 |
GH-402352TARCZA HAMULCOWA
Mag. główny0
| Strona zabudowy | Oś przednia |
| Strona zabudowy | Oś przednia, z prawej |
| Strona zabudowy | Oś przednia, z lewej |
| Grubość tarczy hamulcowej [mm] | 20 |
| Liczba otworów | 4 |
| Ø rozmieszczenia otworów [mm] | 98 |
| Średnica otworu centrującego [mm] | 59 |
| średnica zewnętrzna [mm] | 257 |
| Typ tarczy hamulcowej | wentylowany |
| Wymiar gwintu | 13,2 |
| Wysokość [mm] | 40,6 |
30H9111-JPN_JPNTARCZA HAMULC. FIAT BRAVA,BRAVO 96-02 , DOBLO 01-> PRZÓD
(257x20mm)
Mag. główny0
0| Typ tarczy hamulcowej | wentylowany |
| Felga, liczba otworów | 4 |
| Wysokość [mm] | 40,5 |
| Grubość tarczy hamulcowej [mm] | 20 |
| średnica zewnętrzna [mm] | 257 |
| średnica piasty [mm] | 59 |
| Średnica otworu szpilki koła [mm] | 98 |
70 91 0617_SWGTARCZA HAMULCOWA
Mag. główny0
| Grubość tarczy hamulcowej [mm] | 20 |
| Felga, liczba otworów | 4 |
| Liczba otworów do mocowania | 4 |
| Grubość [mm] | 40,5 |
| średnica zewnętrzna [mm] | 257 |
| Ø rozmieszczenia otworów [mm] | 98 |
| Powierzchnia | pokryty |
| Typ tarczy hamulcowej | z wentylacją wewnętrzną |
| Strona zabudowy | Oś przednia |
| Minimalna grubość [mm] | 18,2 |
| Średnica otworu centrującego [mm] | 59 |
| Ciężar [kg] | 4,908 |
DF2686_LUCTARCZA HAMULC. FIAT BRAVA,BRAVO, 96-02 (!)
(257x20mm) FIAT MAREA Weekend (185) 09/96- BARCHETTA (183) 04/95- BRAVA (182) 10/95-10/01 DOBLO (119) 03/01- PALIO Weekend (178DX) 04/96- PUNTO (188) 09/99- BRAVO (182) 10/95-10/01 DOBLO Cargo (223) 03/01-
Mag. główny2
00| Typ tarczy hamulcowej | wentylowany |
| średnica zewnętrzna [mm] | 257 |
| Grubość tarczy hamulcowej [mm] | 20 |
| Minimalna grubość [mm] | 18,2 |
| Średnica otworu centrującego [mm] | 59 |
| Wysokość [mm] | 40,6 |
| Liczba otworów | 4 |
| Wymiar gwintu | 13,2 |
| Ø rozmieszczenia otworów [mm] | 98 |
| Kolor | czarny |
| Powierzchnia | lakierowany |
| Oznaczenie kontrolne | E190R-02C0176/0520 |
186153_VALTARCZA HAMULCOWA
Mag. główny0
| Strona zabudowy | Oś przednia |
| Typ tarczy hamulcowej | wentylowany |
| średnica zewnętrzna [mm] | 257 |
| Grubość tarczy hamulcowej [mm] | 20 |
| Średnica otworu centrującego [mm] | 59 |
| Wysokość [mm] | 40,5 |
| Minimalna grubość [mm] | 18,2 |
| Felga, liczba otworów | 4 |
| Liczba otworów do mocowania | 2 |
| Oznaczenie kontrolne | ECE-R90 |
| Ciężar [kg] | 10,1 |
673025_VALTARCZA HAMULCOWA
Mag. główny0
| Strona zabudowy | Oś przednia |
| Typ tarczy hamulcowej | wentylowany |
| Powierzchnia | pokryty |
| Przetwarzanie | wysoko nawęglany |
| średnica zewnętrzna [mm] | 257 |
| Grubość tarczy hamulcowej [mm] | 20 |
| Wysokość [mm] | 40,5 |
| Minimalna grubość [mm] | 18,2 |
| Felga, liczba otworów | 4 |
| Liczba otworów do mocowania | 4 |
| Informacja uzupełniająca | bez pierścienia nadajnika impulsów ABS |
| Informacja uzupełniająca | bez zintegrowanego łożyska koła |
| Oznaczenie kontrolne | ECE-R90 |
| Ciężar [kg] | 10,1 |
886153_VALTARCZA HAMULCOWA
Mag. główny0
| Strona zabudowy | Oś przednia |
| Typ tarczy hamulcowej | perforowany / wentylowany wewnętrznie |
| średnica zewnętrzna [mm] | 257 |
| Grubość tarczy hamulcowej [mm] | 20 |
| Średnica otworu centrującego [mm] | 59 |
| Wysokość [mm] | 40,5 |
| Minimalna grubość [mm] | 18,2 |
| Felga, liczba otworów | 4 |
| Liczba otworów do mocowania | 4 |
| Ciężar [kg] | 10,1 |
230.2359.20_ZIMTARCZA HAMULC. FIAT BRAVA,BRAVO 96-02
(257x20mm)
Mag. główny0
00| Typ tarczy hamulcowej | z wentylacją wewnętrzną |
| Powierzchnia | pokryty |
| średnica zewnętrzna [mm] | 257 |
| Grubość tarczy hamulcowej [mm] | 20 |
| Wysokość [mm] | 40 |
| Felga, liczba otworów | 4 |
| Ø rozmieszczenia otworów [mm] | 98 |
| Średnica otworu centrującego [mm] | 59 |
| Oznaczenie kontrolne | ECE R90 APPROVED |
| Minimalna grubość [mm] | 18,2 |
| Ciężar [kg] | 4,73 |
| Wzór otworów/liczba otworów | 6/4 |