15878_ABSTARCZA HAMULC. OPEL ASTRA 91-00, VECTRA 88-99
(256x24mm) OPEL VECTRA B (36_) 10/95-04/02 ASTRA F Caravan (51_, 52_) 09/91-01/98 ASTRA F CC (53_, 54_, 58_, 59_) 09/91-01/98 VECTRA B Caravan (31_) 11/96-07/03 VECTRA A (86_, 87_) 09/88-11/95 VECTRA B CC (38_) 10/95-07/03
Mag. główny0
0| Średnica zewnętrzna [mm] | 256 |
| Grubość tarczy hamulcowej [mm] | 24 |
| Minimalna grubość [mm] | 21 |
| Wysokość [mm] | 41 |
| Felga, liczba otworów | 4 |
| Typ tarczy hamulcowej | wentylowany |
| Średnica otworu centrującego [mm] | 60 |
| Ø rozmieszczenia otworów [mm] | 100 |
| Powierzchnia | pokryty |
| Średnica piasty [mm] | 134 |
60-0W-005C_ASHTARCZA HAMULCOWA
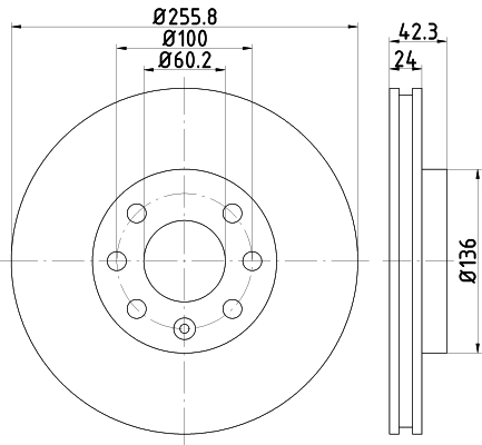
Mag. główny0
| Strona zabudowy | Oś przednia |
| Ø rozmieszczenia otworów [mm] | 60 |
| Wysokość [mm] | 41,2 |
| Średnica zewnętrzna [mm] | 255,8 |
| Grubość tarczy hamulcowej [mm] | 23,8 |
| Minimalna grubość [mm] | 22 |
| Liczba otworów | 4 |
| Typ tarczy hamulcowej | wentylowany |
| Oznaczenie kontrolne | ECE R90 APPROVED |
| Powierzchnia | lakierowany |
| Moment dokręcenia [Nm] | 110 |
| dla numeru OE | 5561178J02 |
ADG04323_BLPTARCZA HAMULCOWA DAEWOO
NEXIA 1.5 DOHC/ESPERO 1.5/1.8/2.0 95 -> /LANOS DOHC 97 -> / OPEL ASTRA 1.4I/ 1.6I 16V/ 2.0I 16V/ 1. PRZEDNIA
Mag. główny0
00| Grubość tarczy hamulcowej [mm] | 24 |
| Felga, liczba otworów | 4 |
| Liczba otworów do mocowania | 1 |
| Grubość [mm] | 41 |
| Średnica zewnętrzna [mm] | 256 |
| Ø rozmieszczenia otworów [mm] | 100 |
| Powierzchnia | pokryty |
| Typ tarczy hamulcowej | z wentylacją wewnętrzną |
| Strona zabudowy | Oś przednia |
| Minimalna grubość [mm] | 21 |
| Średnica otworu centrującego [mm] | 60 |
| uwzględnić informację serwisową |
ADZ94329_BLPTARCZA HAMULC. OPEL
COMBO (71_) 1994.07-> 2001.10
Mag. główny0
00| Grubość tarczy hamulcowej [mm] | 12,5 |
| Felga, liczba otworów | 4 |
| Liczba otworów do mocowania | 1 |
| Grubość [mm] | 41 |
| Średnica zewnętrzna [mm] | 236 |
| Ø rozmieszczenia otworów [mm] | 100 |
| Powierzchnia | pokryty |
| Typ tarczy hamulcowej | pełny |
| Strona zabudowy | Oś przednia |
| Minimalna grubość [mm] | 9,7 |
| Średnica otworu centrującego [mm] | 60 |
| uwzględnić informację serwisową |
800-166_CIFTARCZA HAMULC. OPEL ASTRA 91-00, VECTRA 88-99
(256x24mm) OPEL VECTRA B (36_) 10/95-04/02 ASTRA F Caravan (51_, 52_) 09/91-01/98 ASTRA F CC (53_, 54_, 58_, 59_) 09/91-01/98 VECTRA B Caravan (31_) 11/96-07/03 VECTRA A (86_, 87_) 09/88-11/95 VECTRA B CC (38_) 10/95-07/03
Mag. główny0
0| Oznaczenie kontrolne | ECE-R90 |
| Wysokość [mm] | 41,0 |
| Typ tarczy hamulcowej | wentylowany |
| Grubość tarczy hamulcowej [mm] | 24,0 |
| Średnica zewnętrzna [mm] | 256,0 |
| Liczba otworów | 4 |
| Średnica otworu centrującego [mm] | 60,0 |
05179_FEBTARCZA HAMULC. OPEL ASTRA 91-00, VECTRA 88-99
-
Mag. główny4
00| Grubość tarczy hamulcowej [mm] | 24 |
| Felga, liczba otworów | 4 |
| Liczba otworów do mocowania | 1 |
| Grubość [mm] | 41 |
| Średnica zewnętrzna [mm] | 256 |
| Ø rozmieszczenia otworów [mm] | 100 |
| Powierzchnia | pokryty |
| Typ tarczy hamulcowej | z wentylacją wewnętrzną |
| Strona zabudowy | Oś przednia |
| Minimalna grubość [mm] | 21 |
| Średnica otworu centrującego [mm] | 60 |
| uwzględnić informację serwisową |
08504_FEBTARCZA HAMULC. OPEL ASTRA 91-00, CORSA 87-00
-
Mag. główny2
00| Grubość tarczy hamulcowej [mm] | 12,5 |
| Felga, liczba otworów | 4 |
| Liczba otworów do mocowania | 1 |
| Grubość [mm] | 41 |
| Średnica zewnętrzna [mm] | 236 |
| Ø rozmieszczenia otworów [mm] | 100 |
| Powierzchnia | pokryty |
| Typ tarczy hamulcowej | pełny |
| Strona zabudowy | Oś przednia |
| Minimalna grubość [mm] | 9,7 |
| Średnica otworu centrującego [mm] | 60 |
| uwzględnić informację serwisową |
GH-403601TARCZA HAMULCOWA
Mag. główny0
| Strona zabudowy | Oś przednia |
| Strona zabudowy | Oś przednia, z prawej |
| Strona zabudowy | Oś przednia, z lewej |
| Grubość tarczy hamulcowej [mm] | 24 |
| Liczba otworów | 6 |
| Ø rozmieszczenia otworów [mm] | 100 |
| Średnica otworu centrującego [mm] | 60 |
| Średnica zewnętrzna [mm] | 256 |
| Typ tarczy hamulcowej | wentylowany |
| Wymiar gwintu | 14 |
| Wysokość [mm] | 41 |
615 521 6001_MEYTARCZA HAMULCOWA
Mag. główny0
| Strona zabudowy | Oś przednia |
| Średnica zewnętrzna [mm] | 256 |
| Wysokość [mm] | 41 |
| Grubość tarczy hamulcowej [mm] | 24 |
| Minimalna grubość [mm] | 21 |
| Średnica otworu centrującego [mm] | 60 |
| Ø rozmieszczenia otworów [mm] | 100 |
| Średnica otworu szpilki koła [mm] | 14 |
| Liczba otworów | 4 |
| Typ tarczy hamulcowej | wentylowany |
| wymagana liczba | 2 |
VKBD 80791 V2_SKFTARCZA HAMULCOWA
Mag. główny0
0| Typ tarczy hamulcowej | z wentylacją wewnętrzną |
| Średnica zewnętrzna [mm] | 256 |
| Grubość tarczy hamulcowej [mm] | 24 |
| Wysokość [mm] | 41 |
| Ø rozmieszczenia otworów [mm] | 100 |
| Średnica otworu centrującego [mm] | 60 |
| Liczba otworów | 6 |
| Powierzchnia | pokryty |
| Minimalna grubość [mm] | 21 |
| Liczba otworów | 1 |
40 90 5179_SWGTARCZA HAMULCOWA
Mag. główny0
| Grubość tarczy hamulcowej [mm] | 24 |
| Felga, liczba otworów | 4 |
| Liczba otworów do mocowania | 1 |
| Grubość [mm] | 41 |
| Średnica zewnętrzna [mm] | 256 |
| Ø rozmieszczenia otworów [mm] | 100 |
| Powierzchnia | pokryty |
| Typ tarczy hamulcowej | z wentylacją wewnętrzną |
| Strona zabudowy | Oś przednia |
| Minimalna grubość [mm] | 21 |
| Średnica otworu centrującego [mm] | 60 |
40 90 8504_SWGTARCZA HAMULCOWA
Mag. główny0
| Grubość tarczy hamulcowej [mm] | 12,5 |
| Felga, liczba otworów | 4 |
| Liczba otworów do mocowania | 1 |
| Grubość [mm] | 41 |
| Średnica zewnętrzna [mm] | 236 |
| Ø rozmieszczenia otworów [mm] | 100 |
| Powierzchnia | pokryty |
| Typ tarczy hamulcowej | pełny |
| Strona zabudowy | Oś przednia |
| Minimalna grubość [mm] | 9,7 |
| Średnica otworu centrującego [mm] | 60 |
92039203_TXRTARCZA HAMULCOWA
Mag. główny0
0| Typ tarczy hamulcowej | wentylowany zewnętrznie |
| Średnica zewnętrzna [mm] | 256 |
| Grubość tarczy hamulcowej [mm] | 24 |
| Wysokość [mm] | 41 |
| Minimalna grubość [mm] | 21 |
| Powierzchnia | pokryty |
| Średnica wewnętrzna [mm] | 123 |
| Ø rozmieszczenia otworów [mm] | 100 |
| Średnica otworu centrującego [mm] | 60 |
| Wzór otworów/liczba otworów | 04/07 |
| Średnica otworu szpilki koła [mm] | 14,3 |
| Informacja uzupełniająca | bez piasty koła |
| Informacja uzupełniająca | bez łożyska koła |
| Informacja uzupełniająca | bez sworznia mocującego koła |
| Długość opakowania [cm] | 27,8 |
| Szerokość opakowania [cm] | 27,8 |
| Wysokość opakowania [cm] | 10,5 |
| Ciężar [kg] | 5,2 |
92264603_TXRTARCZA HAMULCOWA
Mag. główny0
| Typ tarczy hamulcowej | z wentylacją wewnętrzną |
| Średnica zewnętrzna [mm] | 256 |
| Grubość tarczy hamulcowej [mm] | 24 |
| Wysokość [mm] | 42,3 |
| Minimalna grubość [mm] | 22,5 |
| Powierzchnia | pokryty |
| Ø rozmieszczenia otworów [mm] | 100 |
| Średnica otworu centrującego [mm] | 60 |
| Wzór otworów/liczba otworów | 04/07 |
| Informacja uzupełniająca | bez piasty koła |
| Informacja uzupełniająca | bez sworznia mocującego koła |
| Ciężar [kg] | 4,3 |
200 932_HPTARCZA HAMULCOWA
Mag. główny0
0| Strona zabudowy | Oś przednia |
| Typ tarczy hamulcowej | wentylowany |
| Średnica zewnętrzna [mm] | 256 |
| Średnica piasty [mm] | 133 |
| Średnica otworu centrującego [mm] | 60 |
| Grubość tarczy hamulcowej [mm] | 24 |
| Wysokość [mm] | 41 |
| Felga, liczba otworów | 4 |
| Ø rozmieszczenia otworów [mm] | 100 |
| Zamiana tylko w parach |