61-05-511C_ASHTARCZA HAMULCOWA
Mag. główny0
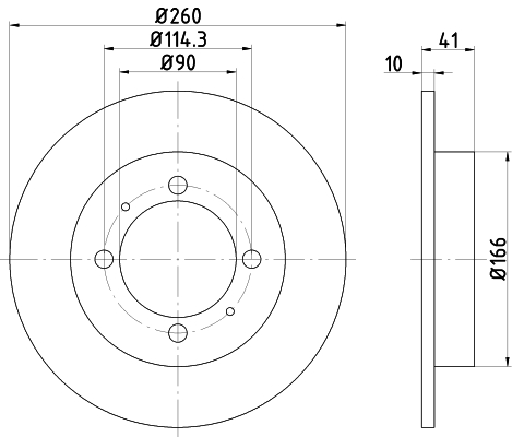
| Strona zabudowy | Oś tylna |
| Ø rozmieszczenia otworów [mm] | 90 |
| Wysokość [mm] | 41 |
| średnica zewnętrzna [mm] | 260 |
| Grubość tarczy hamulcowej [mm] | 10 |
| Minimalna grubość [mm] | 8,5 |
| Liczba otworów | 4 |
| Typ tarczy hamulcowej | pełny |
| Oznaczenie kontrolne | ECE R90 APPROVED |
| Powierzchnia | lakierowany |
| Moment dokręcenia [Nm] | 108 |
| dla numeru OE | MR249356 |
ADC44382_BLPTARCZA HAMULC. VOLVO S40,V40 95-03 TYŁ
MITSUBISHI CARISMA 1.6I, 1.8I, 1.9TD 00-> / SPACE STAR 1.9TD 00.06-> (260MM/NIEWENTYLOWANA)
Mag. główny0
00| Grubość tarczy hamulcowej [mm] | 10 |
| Felga, liczba otworów | 4 |
| Grubość [mm] | 41 |
| średnica zewnętrzna [mm] | 260 |
| Ø rozmieszczenia otworów [mm] | 114 |
| Powierzchnia | pokryty |
| Typ tarczy hamulcowej | pełny |
| Strona zabudowy | Oś tylna |
| Minimalna grubość [mm] | 8 |
| Średnica otworu centrującego [mm] | 90 |
| uwzględnić informację serwisową |
14925_FEBTARCZA HAMULC. VOLVO S40,V40 95-03 TYŁ
Mitsubishi Carisma 96- ,Volvo S40,V40 96- tył
Mag. główny0
00| Grubość tarczy hamulcowej [mm] | 10 |
| Felga, liczba otworów | 4 |
| Grubość [mm] | 41 |
| średnica zewnętrzna [mm] | 260 |
| Ø rozmieszczenia otworów [mm] | 114 |
| Powierzchnia | pokryty |
| Typ tarczy hamulcowej | pełny |
| Strona zabudowy | Oś tylna |
| Minimalna grubość [mm] | 8 |
| Średnica otworu centrującego [mm] | 90 |
| uwzględnić informację serwisową |
GH-424890TARCZA HAMULCOWA
Mag. główny0
| Strona zabudowy | Oś tylna |
| Strona zabudowy | Oś tylna strona prawa |
| Strona zabudowy | Oś tylna strona lewa |
| Grubość tarczy hamulcowej [mm] | 10 |
| Liczba otworów | 4 |
| Ø rozmieszczenia otworów [mm] | 114 |
| Średnica otworu centrującego [mm] | 90 |
| średnica zewnętrzna [mm] | 260 |
| Typ tarczy hamulcowej | pełny |
| Wymiar gwintu | 12,5 |
| Wysokość [mm] | 41 |
VKBD 90201 S2_SKFTARCZA HAMULCOWA
Mag. główny0
| Typ tarczy hamulcowej | pełny |
| średnica zewnętrzna [mm] | 260 |
| Grubość tarczy hamulcowej [mm] | 10 |
| Wysokość [mm] | 41,1 |
| Ø rozmieszczenia otworów [mm] | 114,3 |
| Średnica otworu centrującego [mm] | 90,2 |
| Liczba otworów | 4 |
| Powierzchnia | pokryty |
| Minimalna grubość [mm] | 8,4 |
| Liczba otworów | 2 |
55 91 4925_SWGTARCZA HAMULCOWA
Mag. główny0
| Grubość tarczy hamulcowej [mm] | 10 |
| Felga, liczba otworów | 4 |
| Grubość [mm] | 41 |
| średnica zewnętrzna [mm] | 260 |
| Ø rozmieszczenia otworów [mm] | 114,3 |
| Powierzchnia | pokryty |
| Typ tarczy hamulcowej | pełny |
| Strona zabudowy | Oś tylna |
| Minimalna grubość [mm] | 8 |
| Średnica otworu centrującego [mm] | 90 |
2187202-0830-00_TXRZESTAW DO HAMULCÓW, HAMULCE TARCZOWE
Mag. główny0
| Typ tarczy hamulcowej | pełny |
| średnica zewnętrzna [mm] | 260 |
| Grubość tarczy hamulcowej [mm] | 10 |
| Styk ostrzegawczy o zużyciu | z akustycznym czujnikiem zużycia |
| system hamulcowy | Akebono |
2354901-0830-00_TXRZESTAW DO HAMULCÓW, HAMULCE TARCZOWE
Mag. główny0
| Typ tarczy hamulcowej | pełny |
| średnica zewnętrzna [mm] | 260 |
| Grubość tarczy hamulcowej [mm] | 10 |
| Styk ostrzegawczy o zużyciu | z akustycznym czujnikiem zużycia |
| system hamulcowy | Lucas |
| Ciężar [kg] | 7,9 |
92083003_TXRTARCZA HAMULCOWA
Mag. główny0
0| Typ tarczy hamulcowej | pełny |
| średnica zewnętrzna [mm] | 260 |
| Grubość tarczy hamulcowej [mm] | 10 |
| Wysokość [mm] | 41 |
| Minimalna grubość [mm] | 8,4 |
| Powierzchnia | pokryty |
| Średnica wewnętrzna [mm] | 154 |
| Ø rozmieszczenia otworów [mm] | 114,3 |
| Średnica otworu centrującego [mm] | 90 |
| Wzór otworów/liczba otworów | 04/06 |
| Średnica otworu szpilki koła [mm] | 12,6 |
| Informacja uzupełniająca | bez piasty koła |
| Informacja uzupełniająca | bez łożyska koła |
| Informacja uzupełniająca | bez sworznia mocującego koła |
| Długość opakowania [cm] | 27,8 |
| Szerokość opakowania [cm] | 27,8 |
| Wysokość opakowania [cm] | 10,5 |
| Ciężar [kg] | 3,5 |
92083005_TXRTARCZA HAMULCOWA
Mag. główny0
| Typ tarczy hamulcowej | pełny |
| średnica zewnętrzna [mm] | 260 |
| Grubość tarczy hamulcowej [mm] | 10 |
| Wysokość [mm] | 41 |
| Minimalna grubość [mm] | 8,4 |
| Przetwarzanie | wysoko nawęglany |
| Powierzchnia | pokryty |
| Średnica wewnętrzna [mm] | 154 |
| Ø rozmieszczenia otworów [mm] | 114,3 |
| Średnica otworu centrującego [mm] | 90 |
| Wzór otworów/liczba otworów | 04/06 |
| Średnica otworu szpilki koła [mm] | 12,6 |
| Informacja uzupełniająca | bez piasty koła |
| Informacja uzupełniająca | bez łożyska koła |
| Informacja uzupełniająca | bez sworznia mocującego koła |
| Długość opakowania [cm] | 31,5 |
| Szerokość opakowania [cm] | 30 |
| Wysokość opakowania [cm] | 6 |
| Ciężar [kg] | 3,5 |
92112700_TXRTARCZA HAMULCOWA
Mag. główny0
| Typ tarczy hamulcowej | pełny |
| średnica zewnętrzna [mm] | 260 |
| Grubość tarczy hamulcowej [mm] | 10 |
| Wysokość [mm] | 41 |
| Minimalna grubość [mm] | 8,4 |
| Ø rozmieszczenia otworów [mm] | 114,3 |
| Średnica otworu centrującego [mm] | 90 |
| Wzór otworów/liczba otworów | 04/06 |
| Informacja uzupełniająca | bez piasty koła |
| Informacja uzupełniająca | bez sworznia mocującego koła |
| Ciężar [kg] | 3,4 |