15857_ABSTARCZA HAMULCOWA (!)
(240x11mm) FIAT PUNTO (176) 09/93-09/99 PUNTO (188) 09/99- CINQUECENTO (170) 07/91-01/98 SEICENTO (187) 01/98- TIPO (160) 07/87-08/96 TIPO (160) 07/87-08/96 PANDA (169) 09/03-
Mag. główny2
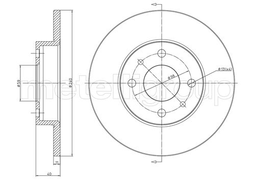
0| średnica zewnętrzna [mm] | 240 |
| Grubość tarczy hamulcowej [mm] | 11 |
| Minimalna grubość [mm] | 9,2 |
| Wysokość [mm] | 39 |
| Felga, liczba otworów | 4 |
| Typ tarczy hamulcowej | pełny |
| Średnica otworu centrującego [mm] | 59 |
| Ø rozmieszczenia otworów [mm] | 98 |
| średnica piasty [mm] | 137 |
ADL144304_BLPTARCZA HAMULC. FIAT
500 (312) 2007.10->
Mag. główny0
00| Grubość tarczy hamulcowej [mm] | 11 |
| Felga, liczba otworów | 4 |
| Grubość [mm] | 40 |
| średnica zewnętrzna [mm] | 240 |
| Ø rozmieszczenia otworów [mm] | 98 |
| Powierzchnia | pokryty |
| Typ tarczy hamulcowej | pełny |
| Minimalna grubość [mm] | 9,2 |
| Średnica otworu centrującego [mm] | 59 |
| Ciężar [kg] | 3,5 |
| uwzględnić informację serwisową |
08.4917.10_BRETARCZA HAMULC. ALFA ROMEO 145,146 94-01 TYŁ
(240x11mm)
Mag. główny0
0| Typ tarczy hamulcowej | pełny |
| Grubość tarczy hamulcowej [mm] | 11 |
| Liczba otworów | 4 |
| Informacja uzupełniająca | ze śrubami |
| Wysokość [mm] | 40 |
| Średnica otworu centrującego [mm] | 59 |
| średnica zewnętrzna [mm] | 240 |
| Minimalna grubość [mm] | 9,2 |
| Moment dokręcenia [Nm] | 98 |
800-232C_CIFTARCZA HAMULC. FIAT PUNTO,SEICENTO
(240x11mm) FIAT PUNTO (176) 09/93-09/99 PUNTO (188) 09/99- CINQUECENTO (170) 07/91-01/98 SEICENTO (187) 01/98- TIPO (160) 07/87-08/96 TIPO (160) 07/87-08/96 PANDA (169) 09/03-
Mag. główny0
0| Oznaczenie kontrolne | ECE-R90 |
| Wysokość [mm] | 39,7 |
| Typ tarczy hamulcowej | pełny |
| Grubość tarczy hamulcowej [mm] | 10,9 |
| średnica zewnętrzna [mm] | 240,5 |
| Liczba otworów | 4 |
| Średnica otworu centrującego [mm] | 59,0 |
| Powierzchnia | lakierowany |
BG2458_DELTARCZA HAMULCOWA
Mag. główny0
0| Typ tarczy hamulcowej | pełny |
| Liczba otworów | 4 |
| Oznaczenie kontrolne | E1 90R-02C0250/1193 |
| Powierzchnia | naoliwione |
| średnica zewnętrzna [mm] | 240 |
| Grubość tarczy hamulcowej [mm] | 10,9 |
| Minimalna grubość [mm] | 9,2 |
| Średnica otworu centrującego [mm] | 59 |
| Wysokość [mm] | 40 |
B130015_DECTARCZA HAMULCOWA
Mag. główny0
0| Minimalna grubość [mm] | 9,2 |
| Typ tarczy hamulcowej | pełny |
| Średnica otworu [mm] | 13,0 |
| Grubość tarczy hamulcowej [mm] | 11 |
| Ø rozmieszczenia otworów [mm] | 98 |
| Liczba otworów | 4 |
| Średnica wewnętrzna [mm] | 123,0 |
| Wysokość [mm] | 40 |
| Średnica otworu centrującego [mm] | 59 |
| średnica zewnętrzna [mm] | 241 |
B130015P_DECTARCZA HAMULCOWA
Mag. główny0
0| Minimalna grubość [mm] | 9,2 |
| Typ tarczy hamulcowej | pełny |
| Średnica otworu [mm] | 13,0 |
| Grubość tarczy hamulcowej [mm] | 11 |
| Ø rozmieszczenia otworów [mm] | 98 |
| Liczba otworów | 4 |
| Średnica wewnętrzna [mm] | 123,0 |
| Wysokość [mm] | 40 |
| Średnica otworu centrującego [mm] | 59 |
| Powierzchnia | lakierowany |
| średnica zewnętrzna [mm] | 241 |
FT31002_FASTARCZA HAMULCOWA

Mag. główny2
0| Strona zabudowy | Oś przednia |
| Wysokość [mm] | 40 |
| Typ tarczy hamulcowej | pełny |
| Grubość tarczy hamulcowej [mm] | 11 |
| Minimalna grubość [mm] | 9,2 |
| średnica zewnętrzna [mm] | 240 |
| Liczba otworów | 4 |
| Średnica otworu centrującego [mm] | 59 |
| Ø rozmieszczenia otworów [mm] | 98 |
| średnica piasty [mm] | 137 |
| Liczba otworów do mocowania | 2 |
10619_FEBTARCZA HAMULCOWA
46403960
Mag. główny2
00| Grubość tarczy hamulcowej [mm] | 11 |
| Felga, liczba otworów | 4 |
| Grubość [mm] | 40 |
| średnica zewnętrzna [mm] | 240 |
| Ø rozmieszczenia otworów [mm] | 98 |
| Powierzchnia | pokryty |
| Typ tarczy hamulcowej | pełny |
| Minimalna grubość [mm] | 9,2 |
| Średnica otworu centrującego [mm] | 59 |
| Ciężar [kg] | 3,5 |
| uwzględnić informację serwisową |
17939_FEBTARCZA HAMULCOWA

Mag. główny0
0| Grubość tarczy hamulcowej [mm] | 10,9 |
| Felga, liczba otworów | 4 |
| Szerokość [mm] | 40 |
| średnica zewnętrzna [mm] | 241 |
| Ø rozmieszczenia otworów [mm] | 98 |
| Powierzchnia | pokryty |
| Typ tarczy hamulcowej | pełny |
| Średnica [mm] | 240,5 |
| Strona zabudowy | Oś tylna |
| Minimalna grubość [mm] | 9,2 |
| Ciężar [kg] | 3,5 |
| uwzględnić informację serwisową |
103280_KAMTARCZA HAMULC. FIAT PUNTO,SEICENTO
(240x11mm) FIAT PUNTO (176) 09/93-09/99 PUNTO (188) 09/99- CINQUECENTO (170) 07/91-01/98 SEICENTO (187) 01/98- TIPO (160) 07/87-08/96 TIPO (160) 07/87-08/96 PANDA (169) 09/03-
Mag. główny0
00| Strona zabudowy | Oś przednia |
| Typ tarczy hamulcowej | pełny |
| Grubość tarczy hamulcowej [mm] | 11 |
| Ø rozmieszczenia otworów [mm] | 98 |
| Liczba otworów | 4 |
| Wysokość [mm] | 40 |
| Średnica otworu centrującego [mm] | 59 |
| Powierzchnia | pokryty |
| średnica zewnętrzna [mm] | 240 |
23-0232C_METTARCZA HAMULCOWA
Mag. główny0
0| Oznaczenie kontrolne | ECE-R90 |
| Wysokość [mm] | 39,7 |
| Typ tarczy hamulcowej | pełny |
| Grubość tarczy hamulcowej [mm] | 10,9 |
| średnica zewnętrzna [mm] | 240,5 |
| Liczba otworów | 4 |
| Średnica otworu centrującego [mm] | 59,0 |
| Powierzchnia | lakierowany |
3B1002_PPHTARCZA HAMULC. FIAT
(240x11mm) FIAT PUNTO (176) 09/93-09/99 PUNTO (188) 09/99- CINQUECENTO (170) 07/91-01/98 SEICENTO (187) 01/98- TIPO (160) 07/87-08/96 TIPO (160) 07/87-08/96 PANDA (169) 09/03-
70 91 0619_SWGTARCZA HAMULCOWA
Mag. główny0
| Grubość tarczy hamulcowej [mm] | 11 |
| Felga, liczba otworów | 4 |
| Grubość [mm] | 40 |
| średnica zewnętrzna [mm] | 240 |
| Ø rozmieszczenia otworów [mm] | 98 |
| Powierzchnia | pokryty |
| Typ tarczy hamulcowej | pełny |
| Minimalna grubość [mm] | 9,2 |
| Średnica otworu centrującego [mm] | 59 |
| Ciężar [kg] | 3,5 |
70 91 7939_SWGTARCZA HAMULCOWA

Mag. główny0
| Grubość tarczy hamulcowej [mm] | 10,9 |
| Felga, liczba otworów | 4 |
| Szerokość [mm] | 40 |
| średnica zewnętrzna [mm] | 240,5 |
| Ø rozmieszczenia otworów [mm] | 98 |
| Powierzchnia | pokryty |
| Typ tarczy hamulcowej | pełny |
| Średnica [mm] | 240,5 |
| Strona zabudowy | Oś tylna |
| Minimalna grubość [mm] | 9,2 |
| Ciężar [kg] | 3,7 |
304 230_HPTARCZA HAMULCOWA
Mag. główny0
0| Typ tarczy hamulcowej | pełny |
| średnica zewnętrzna [mm] | 240 |
| średnica piasty [mm] | 137 |
| Średnica otworu centrującego [mm] | 59 |
| Grubość tarczy hamulcowej [mm] | 11 |
| Wysokość [mm] | 40 |
| Felga, liczba otworów | 4 |
| Ø rozmieszczenia otworów [mm] | 98 |
| Zamiana tylko w parach | |
| Powierzchnia | pokryty |
DF1745_LUCTARCZA HAMULC. FIAT PUNTO,SEICENTO (!)
(240x11mm) FIAT PUNTO (176) 09/93-09/99 PUNTO (188) 09/99- CINQUECENTO (170) 07/91-01/98 SEICENTO (187) 01/98- TIPO (160) 07/87-08/96 TIPO (160) 07/87-08/96 PANDA (169) 09/03-
Mag. główny3
00| Typ tarczy hamulcowej | pełny |
| średnica zewnętrzna [mm] | 241 |
| Grubość tarczy hamulcowej [mm] | 11 |
| Minimalna grubość [mm] | 9,2 |
| Średnica otworu centrującego [mm] | 59 |
| Wysokość [mm] | 40 |
| Liczba otworów | 4 |
| Wymiar gwintu | 13 |
| Ø rozmieszczenia otworów [mm] | 98 |
| Przetwarzanie | wysoko nawęglany |
| Kolor | czarny |
| Powierzchnia | lakierowany |
| Oznaczenie kontrolne | E190R-02C0190/0541 |
24-1174_VAIZESTAW HAMULCOWY FORD
KA (RU8) 1.2 2008.10->2016.05
Mag. główny0
0| Strona zabudowy | Oś przednia |
| średnica zewnętrzna [mm] | 240 |
| Typ tarczy hamulcowej | pełny |
| Grubość tarczy hamulcowej [mm] | 11 |
| Wysokość [mm] | 40 |
| Ø rozmieszczenia otworów [mm] | 98 |
| Felga, liczba otworów | 4 |
| Minimalna grubość [mm] | 9,2 |
| Liczba otworów | 4 |
| spełnia wymagania Normy ECE | R90 |
| Informacja uzupełniająca | z okładzinami ciernymi |
| Styk ostrzegawczy o zużyciu | ze stykiem zużycia |
186155_VALTARCZA HAMULCOWA
Mag. główny0
| Typ tarczy hamulcowej | pełny |
| średnica zewnętrzna [mm] | 240 |
| Grubość tarczy hamulcowej [mm] | 10,9 |
| Średnica otworu centrującego [mm] | 59 |
| Wysokość [mm] | 40 |
| Minimalna grubość [mm] | 9,2 |
| Felga, liczba otworów | 4 |
| Liczba otworów do mocowania | 2 |
| Informacja uzupełniająca | bez śrub |
| Informacja uzupełniająca | bez pierścienia nadajnika impulsów ABS |
| Informacja uzupełniająca | bez zintegrowanego łożyska koła |
| Oznaczenie kontrolne | ECE-R90 |
| Ciężar [kg] | 7,26 |
186406_VALTARCZA HAMULCOWA
Mag. główny0
| Typ tarczy hamulcowej | pełny |
| średnica zewnętrzna [mm] | 240 |
| Grubość tarczy hamulcowej [mm] | 10,9 |
| Średnica otworu centrującego [mm] | 59 |
| Wysokość [mm] | 40 |
| Minimalna grubość [mm] | 9,2 |
| Felga, liczba otworów | 4 |
| Liczba otworów do mocowania | 2 |
| Informacja uzupełniająca | bez pierścienia nadajnika impulsów ABS |
| Informacja uzupełniająca | bez zintegrowanego łożyska koła |
| Ciężar [kg] | 7,25 |
672903_VALTARCZA HAMULCOWA
Mag. główny0
| Strona zabudowy | Oś tylna |
| Typ tarczy hamulcowej | pełny |
| Powierzchnia | pokryty |
| średnica zewnętrzna [mm] | 240 |
| Grubość tarczy hamulcowej [mm] | 10,9 |
| Średnica otworu centrującego [mm] | 59 |
| Wysokość [mm] | 40 |
| Minimalna grubość [mm] | 9,2 |
| Felga, liczba otworów | 4 |
| Liczba otworów do mocowania | 2 |
| Informacja uzupełniająca | bez zintegrowanego łożyska koła |
| Oznaczenie kontrolne | ECE-R90 |
| Ciężar [kg] | 7,22 |