mSklep
Rozwiń nawigację
Hurt Detal Robert Dyl
Znajdź
znajdź numer
samochody osobowe i dostawcze
motocykle
samochody ciężarowe i autobusy
silniki
ostatnio wybrany pojazd
historia wyboru pojazdu
wyszukaj w opisach
kategorie oferty
więcej
Koszyk
Zaloguj
Informacje
O nas
Regulamin
Kontakt
Ustawienia
Znajdź numer
Samochody osobowe i dostawcze
Motocykle
Samochody ciężarowe i autobusy
Silniki
Ostatnio wybrany pojazd
Historia wyboru pojazdów
Wyszukaj w opisach
Kategorie oferty
Więcej
Zadaj pytanie
LSGENIIILM4
Produkty
1
LS Gen III LM4
ELRING
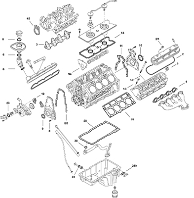
kompletny zestaw uszczelek, silnik
numery
pojazdy
karta produktu
opis produktu
numery
pojazdy
pokaż odpowiedniki
zaznacz do porównania
LS GEN III LM4_ELR
KOMPLETNY ZESTAW USZCZELEK, SILNIK
cena netto:
cena z VAT:
detal:
rabat:
-11%
Wprowadź ilość
Dostępność
Mag. główny
0
pokaż składniki zestawu
Pojedyncze części, patrz: lista części