61-04-419C_ASHTARCZA HAMULCOWA
Mag. główny0
| Strona zabudowy | Oś tylna |
| Ø rozmieszczenia otworów [mm] | 64 |
| Wysokość [mm] | 48,5 |
| średnica zewnętrzna [mm] | 260 |
| Grubość tarczy hamulcowej [mm] | 9 |
| Minimalna grubość [mm] | 7 |
| Liczba otworów | 5 |
| Typ tarczy hamulcowej | pełny |
| Oznaczenie kontrolne | ECE R90 APPROVED |
| dla numeru OE | 42510ST7R00 |
61-04-443C_ASHTARCZA HAMULCOWA
Mag. główny0
| Strona zabudowy | Oś tylna |
| Ø rozmieszczenia otworów [mm] | 64 |
| Wysokość [mm] | 49,2 |
| średnica zewnętrzna [mm] | 259,5 |
| Grubość tarczy hamulcowej [mm] | 10 |
| Minimalna grubość [mm] | 9 |
| Liczba otworów | 5 |
| Typ tarczy hamulcowej | pełny |
| Oznaczenie kontrolne | ECE R90 APPROVED |
| Powierzchnia | lakierowany |
| Moment dokręcenia [Nm] | 108 |
| dla numeru OE | 42510SEAE00 |
ADH24354_BLPTARCZA HAMULCOWA HONDA
INTEGRA 97-> 1.8 TYPE-R TYLNA
Mag. główny0
00| Grubość tarczy hamulcowej [mm] | 9 |
| Felga, liczba otworów | 5 |
| Liczba otworów do mocowania | 4 |
| Grubość [mm] | 49 |
| średnica zewnętrzna [mm] | 260 |
| Ø rozmieszczenia otworów [mm] | 114 |
| Powierzchnia | pokryty |
| Typ tarczy hamulcowej | pełny |
| Strona zabudowy | Oś tylna |
| Minimalna grubość [mm] | 8 |
| Średnica otworu centrującego [mm] | 64 |
| uwzględnić informację serwisową |
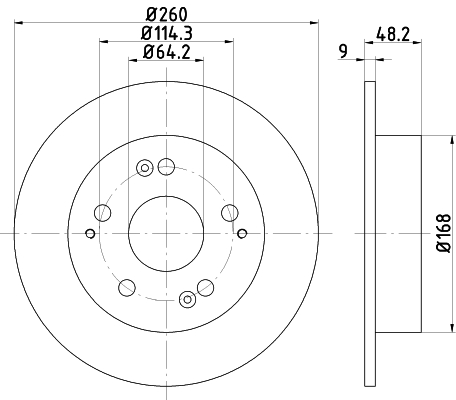
92243900_TXRTARCZA HAMULCOWA
Mag. główny0
| Typ tarczy hamulcowej | pełny |
| średnica zewnętrzna [mm] | 260 |
| Grubość tarczy hamulcowej [mm] | 9 |
| Wysokość [mm] | 49 |
| Minimalna grubość [mm] | 8 |
| Ø rozmieszczenia otworów [mm] | 114,3 |
| Średnica otworu centrującego [mm] | 64,2 |
| Wzór otworów/liczba otworów | 05/09 |
| Informacja uzupełniająca | bez piasty koła |
| Informacja uzupełniająca | bez sworznia mocującego koła |
| Ciężar [kg] | 3,4 |
92243903_TXRTARCZA HAMULCOWA
Mag. główny0
| Typ tarczy hamulcowej | pełny |
| średnica zewnętrzna [mm] | 260 |
| Grubość tarczy hamulcowej [mm] | 9 |
| Wysokość [mm] | 49 |
| Minimalna grubość [mm] | 8 |
| Powierzchnia | pokryty |
| Ø rozmieszczenia otworów [mm] | 114,3 |
| Średnica otworu centrującego [mm] | 64,2 |
| Wzór otworów/liczba otworów | 05/09 |
| Informacja uzupełniająca | bez piasty koła |
| Informacja uzupełniająca | bez sworznia mocującego koła |
| Ciężar [kg] | 3,4 |