17654_ABSTARCZA HAMULC. RENAULT SCENIC 03-09
(300x24mm) RENAULT GRAND SCENIC 04-09
Mag. główny2
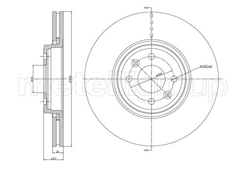
0| Średnica zewnętrzna [mm] | 300 |
| Grubość tarczy hamulcowej [mm] | 24 |
| Minimalna grubość [mm] | 21,8 |
| Wysokość [mm] | 43,7 |
| Felga, liczba otworów | 4 |
| Typ tarczy hamulcowej | wentylowany |
| Średnica otworu centrującego [mm] | 61 |
| Ø rozmieszczenia otworów [mm] | 100 |
| Powierzchnia | pokryty |
| Średnica piasty [mm] | 151 |
60-00-0705C_ASHTARCZA HAMULCOWA
Mag. główny0
| Średnica zewnętrzna [mm] | 300 |
| Wysokość [mm] | 44 |
| Typ tarczy hamulcowej | wentylowany |
| Grubość tarczy hamulcowej [mm] | 24 |
| Minimalna grubość [mm] | 21,8 |
| Liczba otworów | 4 |
| Powierzchnia | lakierowany |
| Strona zabudowy | Oś przednia |
| Moment dokręcenia [Nm] | 110 |
| dla numeru OE | 8201695231 |
ADR164317_BLPTARCZA HAMULC. RENAULT SCENIC 03-09
GRAND SCENIC II (JM0/1_) 1.6 2004.04->2009.06
Mag. główny0
00| Grubość tarczy hamulcowej [mm] | 24 |
| Felga, liczba otworów | 4 |
| Liczba otworów do mocowania | 2 |
| Grubość [mm] | 44 |
| Średnica zewnętrzna [mm] | 300 |
| Ø rozmieszczenia otworów [mm] | 100 |
| Powierzchnia | pokryty |
| Typ tarczy hamulcowej | z wentylacją wewnętrzną |
| Strona zabudowy | Oś przednia |
| Minimalna grubość [mm] | 21,8 |
| Średnica otworu centrującego [mm] | 61 |
| Przestrzegać informacji serwisowych |
0986479209_BOSTARCZA HAMULC. RENAULT SCENIC 03-09
BD1076
Mag. główny0
00| Średnica zewnętrzna [mm] | 300 |
| Grubość tarczy hamulcowej [mm] | 24 |
| Minimalna grubość [mm] | 21,8 |
| Wysokość [mm] | 43,9 |
| Ø rozmieszczenia otworów [mm] | 100 |
| Typ tarczy hamulcowej | wentylowany |
| Średnica otworu centrującego [mm] | 61 |
| Liczba otworów | 4 |
| Powierzchnia | naoliwione |
| Przetwarzanie | wysoko nawęglany |
| Średnica otworu do [mm] | 13,5 |
800-829C_CIFTARCZA HAMULC. RENAULT SCENIC 03-09
(300x24mm) RENAULT GRAND SCENIC 04-09
Mag. główny0
0| Oznaczenie kontrolne | ECE-R90 |
| Wysokość [mm] | 43,9 |
| Typ tarczy hamulcowej | wentylowany |
| Grubość tarczy hamulcowej [mm] | 24,0 |
| Średnica zewnętrzna [mm] | 300,0 |
| Liczba otworów | 4 |
| Średnica otworu centrującego [mm] | 61,0 |
| Powierzchnia | lakierowany |
B130597_DECTARCZA HAMULCOWA
Mag. główny0
0| Minimalna grubość [mm] | 21,8 |
| Typ tarczy hamulcowej | wentylowany |
| Średnica otworu [mm] | 13,5 |
| Grubość tarczy hamulcowej [mm] | 24 |
| Ø rozmieszczenia otworów [mm] | 100 |
| Liczba otworów | 4 |
| Średnica wewnętrzna [mm] | 139,8 |
| Wysokość [mm] | 43,9 |
| Średnica otworu centrującego [mm] | 61 |
| Średnica zewnętrzna [mm] | 300 |
| Rozporządzenie UE w sprawie bezpieczeństwa produktów (GPSR) | IEC 60417-6183 wymagana specjalistyczna wiedza mechaniczna |
30697_FEBTARCZA HAMULC. RENAULT SCENIC 03-09
PRZÓD
Mag. główny0
00| Grubość tarczy hamulcowej [mm] | 24 |
| Felga, liczba otworów | 4 |
| Liczba otworów do mocowania | 2 |
| Grubość [mm] | 43,7 |
| Średnica zewnętrzna [mm] | 300 |
| Ø rozmieszczenia otworów [mm] | 100 |
| Powierzchnia | pokryty |
| Typ tarczy hamulcowej | z wentylacją wewnętrzną |
| Strona zabudowy | Oś przednia |
| Minimalna grubość [mm] | 21,8 |
| Średnica otworu centrującego [mm] | 61 |
| Przestrzegać informacji serwisowych |
GH-403956TARCZA HAMULCOWA
Mag. główny0
| Strona zabudowy | Oś przednia |
| Strona zabudowy | Oś przednia, z prawej |
| Strona zabudowy | Oś przednia, z lewej |
| Grubość tarczy hamulcowej [mm] | 24 |
| Liczba otworów | 4 |
| Ø rozmieszczenia otworów [mm] | 100 |
| Średnica otworu centrującego [mm] | 61 |
| Średnica zewnętrzna [mm] | 300 |
| Typ tarczy hamulcowej | wentylowany |
| Wymiar gwintu | 13,5 |
| Wysokość [mm] | 43,9 |
1033026_KAMTARCZA HAMULC. RENAULT SCENIC 03-09
(300x24mm) RENAULT GRAND SCENIC 04-09
Mag. główny0
00| Strona zabudowy | Oś przednia |
| Typ tarczy hamulcowej | wentylowany |
| Grubość tarczy hamulcowej [mm] | 24 |
| Ø rozmieszczenia otworów [mm] | 100 |
| Liczba otworów | 4 |
| Wysokość [mm] | 44 |
| Średnica otworu centrującego [mm] | 61 |
| Powierzchnia | pokryty |
| Średnica zewnętrzna [mm] | 300 |
16-15 521 0038/PD_METARCZA HAMULCOWA
Mag. główny0
| Strona zabudowy | Oś przednia |
| Średnica zewnętrzna [mm] | 300 |
| Wysokość [mm] | 43,9 |
| Grubość tarczy hamulcowej [mm] | 24 |
| Minimalna grubość [mm] | 21,8 |
| Średnica otworu centrującego [mm] | 61 |
| Ø rozmieszczenia otworów [mm] | 100 |
| Średnica otworu szpilki koła [mm] | 13,5 |
| Liczba otworów | 4 |
| Typ tarczy hamulcowej | wentylowany |
| Powierzchnia | Płytki pokryte cynkiem |
| Informacja uzupełniająca | ze śrubami |
| Jakość | PREMIUM |
| wymagana liczba | 2 |
16-15 521 0038_MEYTARCZA HAMULCOWA
Mag. główny0
| Strona zabudowy | Oś przednia |
| Średnica zewnętrzna [mm] | 300 |
| Wysokość [mm] | 43,9 |
| Grubość tarczy hamulcowej [mm] | 24 |
| Minimalna grubość [mm] | 21,8 |
| Średnica otworu centrującego [mm] | 61 |
| Ø rozmieszczenia otworów [mm] | 100 |
| Średnica otworu szpilki koła [mm] | 13,5 |
| Liczba otworów | 4 |
| Typ tarczy hamulcowej | wentylowany |
| wymagana liczba | 2 |
3B1069_PPHTARCZA HAMULC. RENAULT SCENIC 03-09
(300x24mm) RENAULT GRAND SCENIC 04-09
Mag. główny0
0| Typ tarczy hamulcowej | wentylowany |
| Wysokość [mm] | 43,9 |
| Grubość tarczy hamulcowej [mm] | 24 |
| Wymiar gwintu | 13,5 |
| Minimalna grubość [mm] | 21,8 |
| Średnica zewnętrzna [mm] | 300 |
| Liczba otworów | 4 |
| Średnica otworu centrującego [mm] | 61 |
| Ø rozmieszczenia otworów [mm] | 100 |
VKBD 80173 V2_SKFTARCZA HAMULCOWA
Mag. główny0
0| Typ tarczy hamulcowej | z wentylacją wewnętrzną |
| Średnica zewnętrzna [mm] | 300 |
| Grubość tarczy hamulcowej [mm] | 24 |
| Wysokość [mm] | 43,7 |
| Ø rozmieszczenia otworów [mm] | 100 |
| Średnica otworu centrującego [mm] | 61 |
| Liczba otworów | 4 |
| Powierzchnia | pokryty |
| Minimalna grubość [mm] | 21,8 |
| Liczba otworów | 2 |
60 93 0697_SWGTARCZA HAMULCOWA
Mag. główny0
| Grubość tarczy hamulcowej [mm] | 24 |
| Felga, liczba otworów | 4 |
| Liczba otworów do mocowania | 2 |
| Grubość [mm] | 43,7 |
| Średnica zewnętrzna [mm] | 300 |
| Ø rozmieszczenia otworów [mm] | 100 |
| Powierzchnia | pokryty |
| Typ tarczy hamulcowej | z wentylacją wewnętrzną |
| Strona zabudowy | Oś przednia |
| Minimalna grubość [mm] | 21,8 |
| Średnica otworu centrującego [mm] | 61 |
92149503_TXRTARCZA HAMULCOWA
Mag. główny0
0| Typ tarczy hamulcowej | wentylowany zewnętrznie |
| Średnica zewnętrzna [mm] | 300 |
| Grubość tarczy hamulcowej [mm] | 24 |
| Wysokość [mm] | 43,7 |
| Minimalna grubość [mm] | 21,8 |
| Powierzchnia | pokryty |
| Średnica wewnętrzna [mm] | 139,8 |
| Ø rozmieszczenia otworów [mm] | 100 |
| Średnica otworu centrującego [mm] | 61 |
| Wzór otworów/liczba otworów | 04/06 |
| Średnica otworu szpilki koła [mm] | 13,5 |
| Informacja uzupełniająca | bez piasty koła |
| Informacja uzupełniająca | bez łożyska koła |
| Informacja uzupełniająca | bez sworznia mocującego koła |
| Długość opakowania [cm] | 30,8 |
| Szerokość opakowania [cm] | 30,8 |
| Wysokość opakowania [cm] | 12,7 |
| Ciężar [kg] | 8,2 |
DF4371_LUCTARCZA HAMULC. RENAULT SCENIC 03-09
(300x24mm) RENAULT GRAND SCENIC 04-09
Mag. główny0
00| Typ tarczy hamulcowej | wentylowany |
| Średnica zewnętrzna [mm] | 300 |
| Grubość tarczy hamulcowej [mm] | 24 |
| Średnica otworu centrującego [mm] | 61 |
| Wysokość [mm] | 43,9 |
| Liczba otworów | 4 |
| Ø rozmieszczenia otworów [mm] | 100 |
| Minimalna grubość [mm] | 21,8 |
| Wymiar gwintu | 13,5 |
| Kolor | czarny |
| Powierzchnia | lakierowany |
197241_VALTARCZA HAMULCOWA
Mag. główny0
| Strona zabudowy | Oś przednia |
| Typ tarczy hamulcowej | wentylowany |
| Średnica zewnętrzna [mm] | 300 |
| Grubość tarczy hamulcowej [mm] | 24 |
| Średnica otworu centrującego [mm] | 61 |
| Wysokość [mm] | 44 |
| Minimalna grubość [mm] | 22 |
| Felga, liczba otworów | 4 |
| Liczba otworów do mocowania | 2 |
| Informacja uzupełniająca | bez śrub |
| Informacja uzupełniająca | bez pierścienia nadajnika impulsów ABS |
| Informacja uzupełniająca | bez zintegrowanego łożyska koła |
| Oznaczenie kontrolne | ECE-R90 |
| Ciężar [kg] | 8,3 |
672936_VALTARCZA HAMULCOWA
Mag. główny0
| Strona zabudowy | Oś przednia |
| Typ tarczy hamulcowej | wentylowany |
| Powierzchnia | pokryty |
| Średnica zewnętrzna [mm] | 300 |
| Grubość tarczy hamulcowej [mm] | 24 |
| Średnica otworu centrującego [mm] | 61 |
| Wysokość [mm] | 44 |
| Minimalna grubość [mm] | 22 |
| Felga, liczba otworów | 4 |
| Liczba otworów do mocowania | 2 |
| Informacja uzupełniająca | bez śrub |
| Informacja uzupełniająca | bez zintegrowanego łożyska koła |
| Oznaczenie kontrolne | ECE-R90 |
| Ciężar [kg] | 8,3 |
8671017844_MOTTARCZA HAM. R SCENIC 03- 300MM 4ŚR 1SZT

Mag. główny0
BG3929_DELTARCZA HAMULCOWA
Mag. główny0
0| Typ tarczy hamulcowej | wentylowany |
| Liczba otworów | 4 |
| Oznaczenie kontrolne | E1 90R-02C0289/1672 |
| Powierzchnia | naoliwione |
| Średnica zewnętrzna [mm] | 300 |
| Grubość tarczy hamulcowej [mm] | 24 |
| Minimalna grubość [mm] | 21 |
| Średnica otworu centrującego [mm] | 61 |
| Wysokość [mm] | 44 |